Thursday, January 24th, 2019 AT 11:47 AM
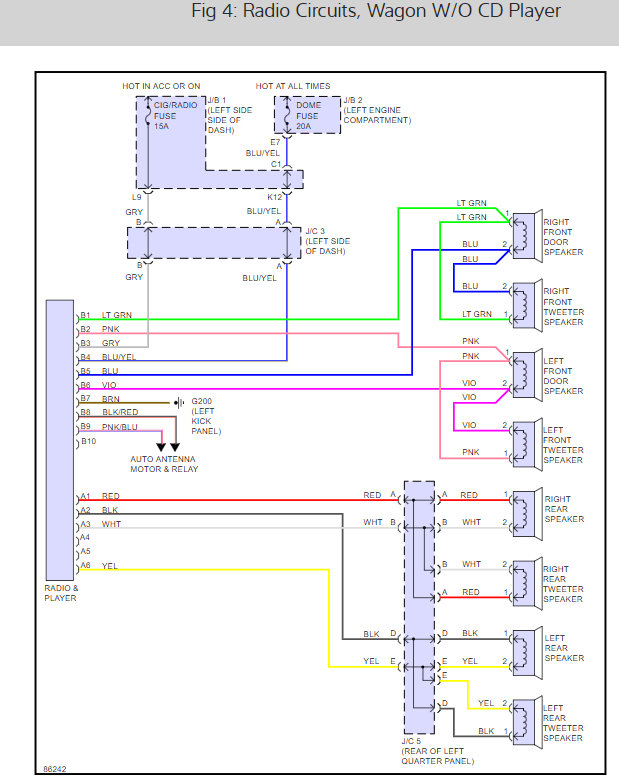
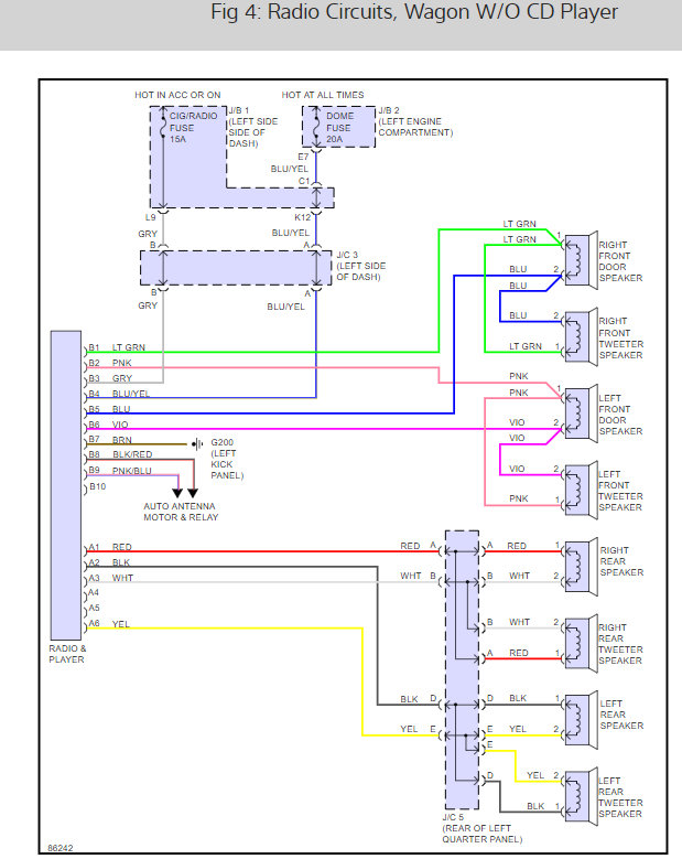
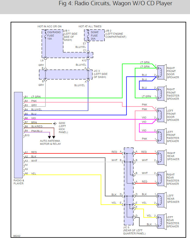
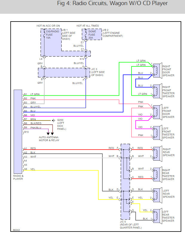
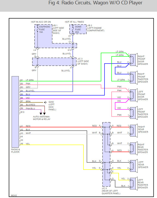
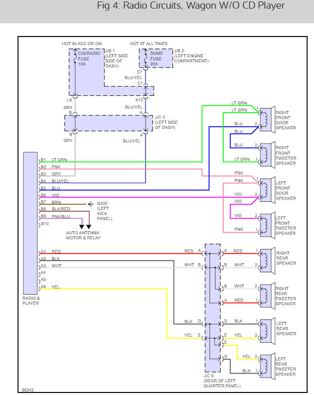
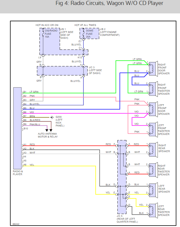
Someone stole my battery, radio, everything in the glove box and trunk, and my diabetes medicines, but the strangest thing, but true they took all my fuses and relays and covers, I need a picture /diagram of the fuses, relays and amps of fuses. I tried getting it off the internet, but there not right, and I can't afford to buy a manual after buying the stuff above, so I;am turning to you guys for help please again. Ken or my buddy Steve W. Really I would be above and beyond grateful for your help. Thank you. Brotherbuzz. 2carpros member









