Engine will not crank over, sounds like a drill?

Tiny
NEWBYKBLA
  • MEMBER
  • 2001 PONTIAC GRAND AM
  • 2.4L
  • 4 CYL
  • AUTOMATIC
My car seemed to be starting and running fine until today. I got in the car and started it and everything seemed normal, sounded normal so I drove it to my destination and back home with no problems except when I went to turn the car off it was making this dentist drilling sound from under the hood so my husband disconnected the (red) battery cable and the noise stopped. Then later today I was going to head out again and now it won't start. When I connect the (red) battery cable to the car then the car makes a drilling noise that sounds like a dentist drill or power drill tool and won't start. Could this be a starter problem or something else? I had a brand new alternator installed march of 2013. The battery cables are not corroaded and the battery is holding charge well as my husband put a battery tester on it. My electrical things like lights and dash does not dim either. I have owned this vehicle for almost 9 years and I have never had to replace the starter yet. Whatever the problem may be will it be an expensive fix?
Sunday, January 25th, 2015 AT 12:55 PM

58 Replies

Tiny
SATURNTECH9
  • MECHANIC
  • 30,869 POSTS
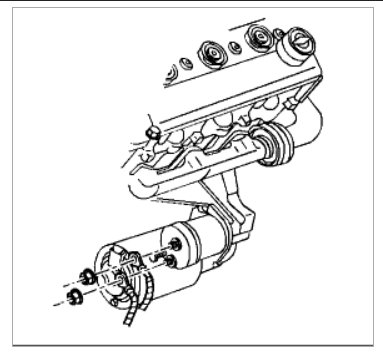
For starters i really need to know if the starter is making the noise? Or where else the noise is coming from. Ths starter sounds bad here is a guide top help walk you through the replacement.

https://www.2carpros.com/articles/how-to-replace-a-starter-motor

this guide will help troubleshoot it not working.

https://www.2carpros.com/articles/starter-not-working-repair

Please run down these guides and report back.

Was this
answer
helpful?
Yes
No
Sunday, January 25th, 2015 AT 1:29 PM
Tiny
NEWBYKBLA
  • MEMBER
  • 13 POSTS
I don't know if the starter its self is making the noise or not I dont believe it is making any noise, but the dentist drilling sound is made when we connect the red battery cable to the battery. The noise seems to be under the motor or making the noise on the drivers side of the car, but also the battery is on the drivers side too. I know when I first shut the car off it was making a humming noise under the hood somewhere after I shut it off, so we got a new starter and installed it all fixed! Thanks for your help.
Was this
answer
helpful?
Yes
No
+2
Sunday, January 25th, 2015 AT 4:24 PM
Tiny
FARMERBROWN
  • MEMBER
  • 1 POST
  • 2001 PONTIAC GRAND AM
  • 4 CYL
  • 2WD
  • AUTOMATIC
  • 106,000 MILES
This car every so often wont start for days. It runs fine and then it will just turn over and if you take the breather off and pour gas in it will start until the gas is gone. When I haul it to the dealer ( which is twice now) they pull it into the shop with no codes showing up and it starts. Great. So knowing it will run if it gets gas we have changed the fuel pump and filter. Also changed the gas regulator on the motor. We purchased a new key since the security light flashes. I know we are getting fuel to the fuel regulator and rail. It has not started for 7 days now and I am going to take it back to the dealer unless you guys have any other ideas. I am sure when I get it to their shop it will start again with no fault codes.
Was this
answer
helpful?
Yes
No
+1
Tuesday, July 28th, 2020 AT 12:29 PM (Merged)
Tiny
INTERNETMECHANIC
  • MECHANIC
  • 700 POSTS
Passlock is an injector disable if problem with security system? Below is a relean procedure, don't know if it will help?


https://www.2carpros.com/forum/automotive_pictures/512072_passlock_relearn_2.jpg

Was this
answer
helpful?
Yes
No
Tuesday, July 28th, 2020 AT 12:29 PM (Merged)
Tiny
AUNT CAR CAR
  • MEMBER
  • 1 POST
  • 2001 PONTIAC GRAND AM
  • 220,000 MILES
Turn engine over and idling too slow to place in gear without dying. Tried holding accelerator with same result. New fuel filter 4 days ago but problem has returned. Diagnostic tests showed no hard errors. Help.

Thanks
Was this
answer
helpful?
Yes
No
Tuesday, July 28th, 2020 AT 12:29 PM (Merged)
Tiny
DRCRANKNWRENCH
  • MECHANIC
  • 3,380 POSTS
Check the fuel pressure first then you might want to go to a mechanic and have them hook up an OBD test tool. It will give you error codes which will make the process of elimination easier.
Was this
answer
helpful?
Yes
No
Tuesday, July 28th, 2020 AT 12:29 PM (Merged)
Tiny
DANCEROFSHADOW
  • MEMBER
  • 4 POSTS
  • 2001 PONTIAC GRAND AM
Electrical problem
2001 Pontiac Grand Am 6 cyl Front Wheel Drive Automatic

I turn the key, engine will not crank. The lights come on, the fuel pump hums to life, then when I turn to "start", it makes a "CLICK", and then everything shuts off. I can repeat this process as much as like. Battery should be fine. When I put in a freshly charged battery, it starts up, runs fine, then when I turn it off, it doesn't come back on. I tested with a light to look for any parasitic drain, but that didn't seem to work. Then I wonder if perhaps I have a faulty wire. My positive cable is stripped and difficult to tighten at times. Aside from this, I'm at a loss here.
Was this
answer
helpful?
Yes
No
Tuesday, July 28th, 2020 AT 12:30 PM (Merged)
Tiny
RASMATAZ
  • MECHANIC
  • 75,992 POSTS
No crank at all/nothing/nada:

Could be the starter, starter relay, clutch switch/park and neutral switch and ignition switch assuming the battery and connections are good.
Was this
answer
helpful?
Yes
No
Tuesday, July 28th, 2020 AT 12:30 PM (Merged)
Tiny
BIGHYDRO2006
  • MEMBER
  • 2 POSTS
  • 2001 PONTIAC GRAND AM
Engine Mechanical problem
2001 Pontiac Grand Am 6 cyl Two Wheel Drive Automatic

This is my girlfriends car and im not a mechanic but I do know a little bit about cars. Well anyway, her car will crank up but it wont start and earlier today I took off the cap to get to the coils and spark plugs, I had the coils tested and the other piece that is on the top plate. Everything tested normal, I really dont know what else could be the problem.I mean some people are telling me that it could be the crankshaft sensor and some people are telling it could be the camshaft sensor. Do you think you could help me try and fix this problem?
Was this
answer
helpful?
Yes
No
Tuesday, July 28th, 2020 AT 12:30 PM (Merged)
Tiny
MMPRINCE4000
  • MECHANIC
  • 8,548 POSTS
Spray some starting fluid in the throttle body, if engine runs a few seconds, the it is a fuel problem.

If not then ignition module, coils, wires, crank/cam sensor.

If car has tach, and when cranking tach is at 0rpm, it is most likely the module or cam/crank sensor.
Was this
answer
helpful?
Yes
No
Tuesday, July 28th, 2020 AT 12:30 PM (Merged)
Tiny
BENNY BECK
  • MEMBER
  • 1 POST
  • 2001 PONTIAC GRAND AM
  • V8
  • 2WD
  • AUTOMATIC
  • 140,000 MILES
When I turn the key to start the engine the only thing that happens is in a split second the usual dashboard lights up as if the car were being started and then nothing. No cranking noise. No lights. No power locks. Nothing. It is not the battery. I believe it has something to do with the circuit board which controls all functions. How would I go about confirming this and what would be needed to fix the issue?
Was this
answer
helpful?
Yes
No
Tuesday, July 28th, 2020 AT 12:30 PM (Merged)
Tiny
MMPRINCE4000
  • MECHANIC
  • 8,548 POSTS
Check connections to starter, If OK, then remove starter and have it bench tested at any autoparts store, If OK, then the ignition switch or neutral safety switch is most likely culprit.
Was this
answer
helpful?
Yes
No
Tuesday, July 28th, 2020 AT 12:30 PM (Merged)
Tiny
TAVINEEDTOWORK
  • MEMBER
  • 1 POST
  • 2001 PONTIAC GRAND AM
  • 4 CYL
  • 4WD
  • AUTOMATIC
  • 100,000 MILES
Ok, about 3 days ago it flooded in my area, my car was covered in water like half way, it really didn't covered my engine but my car won't crank. I hope my car isn't total.

Can you please give me your opinions on rather my car would be ok or not?
Was this
answer
helpful?
Yes
No
Tuesday, July 28th, 2020 AT 12:31 PM (Merged)
Tiny
GRANDAM1
  • MEMBER
  • 11 POSTS
Check and see if you are gettin spark to the plugs, there are wires under the car so it could be possible that some may have shorted out especially the fuel pump. Could be a lot of things check those to start with. LMK!
Was this
answer
helpful?
Yes
No
Tuesday, July 28th, 2020 AT 12:31 PM (Merged)
Tiny
DMWARRE
  • MEMBER
  • 1 POST
  • 2000 PONTIAC GRAND AM
  • 4 CYL
  • 2WD
  • AUTOMATIC
  • 174,400 MILES
I have a 2000 Grand Am that cuts off while I am driving. When I try to restart it it won't turn over all the way. The fans for cooling also are not working. I've been told by someone that there is a relay that makes the car shutoff when it is hot. Is this true. If so where is it located.
Was this
answer
helpful?
Yes
No
Tuesday, July 28th, 2020 AT 12:31 PM (Merged)
Tiny
RASMATAZ
  • MECHANIC
  • 75,992 POSTS
Do below to determine if its fuel or spark problem

Get a helper disconnect a sparkplug wire or 2 and ground it to the engine atleast 3/16 away from ground-have helper crank engine over-do you have a snapping blue spark? If so-you have a fuel related problem, Do you hear the fuel pump come On when you turn key on? If not check fuel pump fuse and fuel pump relay if okay-check the fuel pressure to rule out the fuel filter/fuel pump/pressure regulator and listen to the injector/s are they pulsing or hook up a noid light. No snapping blue spark continue to troubleshoot the ignition system-power input to the coil/coil packs, coil's resistances, cap and rotor, distributor pick-up coil, ignition control module, cam and crank sensors and computer Note: If it doesn't apply disregard it and keep testing
Was this
answer
helpful?
Yes
No
Tuesday, July 28th, 2020 AT 12:31 PM (Merged)
Tiny
KEVINBARNES43
  • MEMBER
  • 3 POSTS
  • 2000 PONTIAC GRAND AM
  • 3.4L
  • V6
  • 2WD
  • AUTOMATIC
  • 230,000 MILES
My car started turning over slowly a couple of weeks ago, then would not start last week without a jump. The alternator is only six months old and the lights are brighter when it is running. I replaced the battery but no help, then both battery cables, still no help. I do not think it could be the starter, or why would a jump start work? I am lost it still clicks, but will not turn over without a jump.
Was this
answer
helpful?
Yes
No
Tuesday, July 28th, 2020 AT 12:32 PM (Merged)
Tiny
KEN L
  • MASTER CERTIFIED MECHANIC
  • 55,420 POSTS
Hello,

This sounds like it could be the starter or positive battery cable. What happens is corrosion develops and causes the starter to not get the amperage it needs to work correctly. Here is guide to help you see what you are in for when doing the job:

https://www.2carpros.com/articles/how-to-replace-a-starter-motor

Here is how it will be for you on your car (below).

Let us know what happens and please upload pictures or videos of the problem.

Cheers, Ken
Was this
answer
helpful?
Yes
No
Tuesday, July 28th, 2020 AT 12:32 PM (Merged)
Tiny
KEVINBARNES43
  • MEMBER
  • 3 POSTS
Thanks for taking the time to read the first sentence of my question. Perhaps your answer would have been more appropriate if you had only read more.
Was this
answer
helpful?
Yes
No
-1
Tuesday, July 28th, 2020 AT 12:32 PM (Merged)
Tiny
CARADIODOC
  • MECHANIC
  • 34,482 POSTS
My my, that is not a very courteous reply for someone trying to help you.

There are three separate circuits in your starter system; a low-current circuit to include the ignition switch and starter relay. That turns on a medium-current circuit to include the starter relay and starter solenoid. That turns on the high-current circuit which includes the battery, both battery cables, and the starter. Your description of the symptoms proves the low and medium-current circuits are working. That leaves the high-current circuit which is the one a jump-start applies to. You already replaced three of the four parts in that circuit, and somehow you determined the problem cannot be caused by the fourth part.

The thing that confuses a lot of people is all starter motors are actually two motors in one housing. Each motor uses a pair of brushes, so all starter motors have four brushes. If those brushes are worn far enough that one makes poor contact, you are left with half a starter motor, and slow cranking.

To add to the misery, normal tests confuse the issue even more. All motors act like a generator when they are spinning, and the current they generate cannot be measured, but it opposes the current flowing from the battery to run it. Sorry if this gets too technical, but this will get summed up in the end. Also, my numbers apply to much older GM and Ford V-8 engines, but the concept is the same. One of those typical starters draws close to 300 amps, and it will draw the battery's voltage down to as low a 8.0 volts. Both of those numbers are quite bad, but only apply when the starter solenoid first engages. Once the motor spins up to speed, it has all the same components in it that are found in all generators, so it acts like a generator and develops a current we cannot actually measure, but it opposes the current leaving the battery. For this story, we will say that is 100 amps. That means the current leaving the battery drops down to 200 amps, which is a normal and acceptable value. That is the current that is measured with a professional load tester. Since less current is flowing through the battery, less voltage is dropped across its "internal resistance". With less voltage being dropped, or lost, inside the battery, what we measure at the posts goes back up, closer to the normal 12.6 volts. In fact, the industry standard is battery voltage must remain above 9.6 volts during cranking, but that only applies when the starter is spinning at full speed. You have not measured battery voltage or current flow yet, so all you have to go on is parts changing, which is the least effective and most costly way of diagnosing a problem.

You could also have diagnosed this with a series of voltage drop measurements, but all that would do is identify a loose or corroded cable connection or a cable with corrosion hidden under the insulation. You are past that now because all those suspect parts have been replaced already.

Where test results get confusing is if the starter has one bad brush, half of the motor is not working. At first it will have half the normal strength, so of course it will crank too slowly. By spinning too slowly, it will not develop the normal "back EMF", and therefore the normal current that opposes battery current. If the starter does not spin at all, and no back-current is developed, the battery will need to supply the full beginning current, but to only one half of the motor, or 150 amps. 150 amps is even less than the normal 200 amps, so that will draw battery voltage down less than normal. You might find it stays above ten volts. Higher than 9.6 volts with only 150 amps mistakenly points to a perfectly-working starter, but while the numbers look good, the starter is not spinning.

The other potential cause of slow cranking is a tight or seized engine. The difference here is with the starter motor locked up and not producing back EMF, (electromotive force, or "voltage"), current will be close to 300 amps, and battery voltage will be drawn down well below 9.6 volts. You need a load tester to know exactly how much current is flowing to know where to look. If current is too high and battery voltage is too low when the starter is not spinning fast enough, that current is too high because both halves of the starter are working. Look at the engine instead. If current is normal or even a little low, and battery voltage stays above 9.6 volts, suspect the starter motor.

Those are generalizations that show why a bad starter can be so elusive to identify. At this point I should add there are three things all generators need to operate. Those are a wire, (a coil of wire is more efficient), a magnetic field, and most importantly, movement between the two of them. (That is why generators have to spin, typically with a belt). Guess what? Motors have coils of wire, magnetic fields, and once they get up to speed, they have movement between those two things. That is why all motors act like generators when they are spinning.

To add even more confusion, GM redesigned their starters for the 1987 model year to eliminate the two field coils. They replaced them with permanent magnets. Coils of wire develop electromagnets with strength relative to the amount of current flowing through them. The advantage was as the starter was loaded down, less back EMF was developed, so there was less current to oppose battery current. With less opposing current, the current flowing from the battery went up, and that higher current flowing through the field coils and armature created stronger magnetic fields, and therefore, a stronger motor. In fact, all those older starter motors were "series-wound". The desired characteristic of series-wound motors is the more they're loaded down, the stronger they get. The opposite of this is also true and is why bench-testing of any starter off the engine is not an effective test. With no load on the motor, it will not even draw 50 amps from the battery. That is because since it's spinning so fast, it develops much more back EMF and current that opposes battery current.

The permanent magnets in GM's little starters do not get stronger as the motor is loaded down. The higher current flow only makes the coils in the armature get stronger. This makes the disparity between no load and full load less, and harder to identify. The starter is designed to be just strong enough to spin the engine, but if the engine is tight, when it loads the starter down, it does not get much stronger. In fact, half a starter may not be strong enough to spin the engine at all. The symptom will be a single loud clunk from the solenoid each time you turn the ignition switch to "crank", but the engine does not turn. That matches your description exactly. That is why 2CARPROS KEN told you to suspect the starter.

When you add the jumper cables, you are adding a second current source from a system that is trying to maintain normal system voltage which is a lot higher than what your battery is being drawn down to. The higher voltage means stronger magnetic fields from the starter's armature, and therefore, a stronger motor that is likely to spin. Cranking with jumper cables or a battery charger is the second clue pointing to a failed starter. Assuming the engine starts and runs normally, that would eliminate a tight engine as the cause of slow cranking.

Your observation of the lights becoming brighter when the engine is running is valid, but is only part of the story. GM also redesigned their generators for 1987, and in my opinion, they went from the world's second-best design to by far the worst pile ever pushed on their customers. Due to their design, they develop huge voltage spikes that can damage their internal diodes and voltage regulator, and interfere with computer sensor signals. The battery is the key component in damping and absorbing those harmful spikes, but as they age and the lead flakes off the plates, they lose their ability to do that. It is not uncommon to go through four to six generators in the life of a GM car. To reduce that high repeat failure rate, always replace the battery at the same time, unless it is less than about two years old.

One failed diode of the six can occur in any AC generator, ("alternator" is a term copyrighted by Chrysler, the company that developed them), but it is extremely common in these 1987 and newer GM units. With one failed diode, all you will be able to get is exactly one third of the generator's rated output current. The most common generator for your engine is a 105 amp unit. With a bad diode, during a full-load output current test, all you will get is close to 35 amps. That is plenty to make your lights get brighter when the engine is running, but it is not enough to meet the demands of the entire electrical system under all conditions. Two low-beam head lamps draw ten amps. The fuel pump, along with all the computers, ignition system, and injectors, can draw another fifteen to twenty amps. Add a radiator fan, heater fan, or wiper motor, and the battery will have to make up the difference until it slowly runs down over days or weeks. Depending on how the voltage regulator responds to the voltage dropouts when the one of three phases is missing, you could find system voltage is normal or even a little high. While the voltage is okay, that does not run anything. It is electrical current flow that runs stuff, and that can only be measured with a professional load tester.

The starting and charging tests only take a few minutes. You need to know those numbers to know where to go next. The testers will also show "ripple voltage", usually on a relative bar chart, but a few actually provide a number. All AC generators put out three-phase current because it is the most efficient, and the variation in output voltage is real stable. That is the ripple voltage. When one diode has failed, one phase is missing. You will get a pulse of voltage, then an overlapping pulse of voltage, then a gap where voltage drops to almost zero volts. As I mentioned, the battery smooths that out, but it cannot totally take care of a missing phase. While that phase is missing, current has to flow out of the battery to keep the electrical system going. When the two working phases show up, current goes back into the battery to recharge it. That constant reversing of current, in and out, back and forth, vibrates the plates and promotes more of the lead flaking off faster than normal. That can shorten the battery's life. That current heats the plates and acid too. That promotes boiling of the acid. The bubbles hit the bottom of the top of the case and pop there. From there, the acid seeps out by the posts and causes the white corrosion that is an indication the battery is about to fail within the next six months.

Part of the diagnosis involves taking the voltage reading, during cranking, right on the large stud on the starter solenoid. You should find it is exactly the same there as you find right on the battery posts. That means no voltage is being "dropped", or lost across any connection. That is the test we use to locate bad connections. The problem is you need to take two readings, one at each point, and that means at different times. The battery will be run down a little more during the second reading, so it can be expected to be lower. To avoid this, the test is most effective when you put one meter probe right on the stud on the starter solenoid, and the other probe directly on the battery's positive post. Unfortunately, GM still uses side-post terminals, so there is no post to get onto, but the rest of the test is the same. These two points are electrically the same point in the circuit, so the meter will read 0.00 volts. The test is what you find when a helper cranks the engine. If there is a very slight resistance in a connection, current flow through it will cause a voltage to be dropped across it, and that we can measure. A resistance of.04 ohms is more than enough to cause the starter to be bad, but that is way too small to measure. Your meter's leads will have 3.0 to 5.0 ohms of resistance just by themselves. We cannot measure resistance in a high-current starter circuit, but we can measure the results of that resistance. That is the "voltage drop".

The industry standard is we are allowed 0.2 volts across any mechanical connection during cranking, and no more than 0.4 volts total in the entire positive half of the circuit. For most cars other than older Ford products, there are only two mechanical connections in the positive part of the circuit. One is where the cable bolts to the battery, and the other is where it bolts to the solenoid. There are also connections inside the solenoid, but we do not include those in this test.

The negative part of the circuit is tested the same way. One probe is placed on the battery's negative post, and the other on a paint-free point on the engine or transmission. Almost all cars have only two mechanical connections here too, one on each end of the cable. When that cable is bolted to the transmission and the starter is bolted to the engine, we do not count the mechanical connection between the engine and transmission. It is true starter current has to flow through that connection, but there are so many bolts holding them together that it is not likely they would all be loose and the only symptom is a bad starter.

Even if you find less than 0.4 volts in one half of the system, you have to check each connection individually. You cannot do that at the battery on your car, but at the starter, that means putting one probe on the stud on the solenoid, and the other probe on the terminal bolted to it. I use a pair of clip leads so I do not have to hold the probes when the engine is vibrating, and it allows me to set the meter up higher where I can see it while cranking the engine myself. The concern is you might find 0.3 volts in the first test, which is less than the 0.4 that is allowed, but that 0.3 volts might all be across one connection, which is more than the 0.2 volts that is allowed.

The good news is you are not going to be doing this test very often, and when it becomes an appropriate test, it's because you are looking for the cause of a problem, and the test results will be painfully-obvious. You are not going to find 0.39 or 0.41 volts and wonder if that is a problem. You are going to find something like four volts, to perhaps the full twelve volts. You will not have to guess.

The last thing to consider is there have been problems on this starter with the solenoid itself. There are two coils of wire inside to create two electromagnetic fields that add to its strength. Those coils have been known to warp, causing the metal core, or plunger, to stick. If it does not move far enough, it will not push on the contact disc that turns on the current flow to the starter motor. A jump-start will apply higher voltage which makes stronger electromagnets, that do get the plunger moving far enough to engage the contact disc. You may be able to get a clue to this by using a wheel-type battery charger instead of jumper cables. You do not want to be connecting or disconnecting jumper cables while under load as that will create huge sparks that can ignite the hydrogen gas all batteries give off. This is less of a problem with battery chargers. The clue that you might find is if you start with the charger turned on, then turn the ignition switch to "crank", the higher voltage may get the plunger to move through the warped coil, but if you turn the ignition switch first, then turn on the battery charger, the plunger will already be stuck and will not have any momentum to keep it going. The higher voltage will not make it move any further and the contact disc will not engage.

There is one more problem to describe even though I do not think it applies to your car. You said you hear a "click", but a lot of people do not understand the difference between the light click of a starter relay and the louder clunk of the starter solenoid. All starter solenoids have two coils of wire to make two magnetic fields. Both are needed to move the plunger which has a huge mechanical job of moving the drive gear into mesh with the ring gear. That has to occur before it moves the final fraction of an inch to engage the contact disc that turns on the motor. Once that has taken place, one of those electromagnets is more than strong enough to hold the plunger there, even though it is not strong enough to move it there on its own. Once moved, one of those coils is switched off to make its current available for the starter motor. That coil is called the "pull-in" winding because it is only used to move the plunger. Once it is switched off, the "hold-in" winding is strong enough by itself to keep it there.

The hold-in coil gets twelve volts from the starter relay on the smaller terminal on the solenoid. The other end of that coil just goes to ground. The pull-in winding also gets its twelve volts from the same terminal, but the other end connects to one of the brushes inside the starter motor. The motor has such extremely low resistance that for all practical purposes, the pull-in winding sees that as ground. Both coils generate a magnetic field when twelve volts is applied.

Once the plunger engages the contact disc, that circuit puts battery voltage on that brush where the pull-in winding is attached. That puts the same voltage on both ends of that coil. The difference between them is 0.0 volts, so it no longer creates its magnetic field. The problem is what if that brush is the one that is worn and is not making contact? There will not be any current flow through the pull-in winding, and the hold-in winding is not strong enough to do the job itself, until you connect jumper cables or a battery charger. Either of those raise the system voltage which makes the hold-in coil's magnetic field stronger, possibly to the point it can get the plunger to move far enough. All it takes is for the starter's armature to rotate a little that the worn brush can make a good enough contact to get the starter spinning. The incorrect conclusion is the car's battery is weak. To prove this, observe that the starter only engages when the jumper cables are connected, and the assisting car's engine is running. If your battery is really weak, a jump-start from a loose battery you carry out there will get your engine started. If your car's battery is not bad, adding more of the same thing, meaning another battery, is not going to do anything.

When the charging system is working properly, referring to the assisting car, system voltage will be 13.75 to 14.75 volts. That is a good two volts higher than the 12.6 volts of a good, fully-charged battery, and that can be just what it takes for a hold-in coil itself to do the job of both coils.

When this problem is caused by a worn brush, it always starts out as an intermittent problem. Whether or not it makes contact depends on where the armature stopped last time. Even when the brush does work, the contact is so poor that excessive arcing occurs, and that will wear it down even faster, then the problem becomes permanent.

The last place to find the cause of this problem is with the contacts and copper disc inside the solenoid. If the contacts arc away, you will have an intermittent loud clunk from the solenoid, but the starter motor will not spin. Simply releasing the ignition switch, then turning it again, possibly two or three times, will eventually see the disc bounce to a better spot where it makes contact and the starter works. Your starter is not known for developing this problem. It was real common on Nippendenso starters used on Toyota's and Chrysler's through the 1990's. Parts to fix that cost around ten bucks but most people just replaced the entire starter. This intermittent no-crank gets progressively worse as long as you ignore it. In the case of my mother's Grand Caravan, she lost count after seven hundred tries and a blister on her thumb, but it did eventually crank. I heard about that!

To check for that on your starter, locate the second large terminal on the solenoid and measure the voltage on it. That may have a braided copper strap that goes into the motor, or it could be a brass strip. You will find zero volts on it until the solenoid is engaged, then you should find full battery voltage on it. A better way to do that test is like we did with the battery cables. Put one probe on each of the two large terminals on the solenoid. At first you will read full battery voltage. Once the starter is engaged, those two points are connected together, so you should see 0.00 volts. It is not uncommon to find a few tenths of a volt during cranking because these are the poorest connections in the system, but if the contacts are arced away, you will find a significant voltage. It is rare for these contacts to cause slow cranking. They usually cause good or no cranking.

Side note 1: Starter motors are the only series-wound motors because they get stronger to meet the need when that arises. Heater fan, radiator fan, power window, and wiper motors are parallel-wound because their desired characteristic is they maintain a steady speed. In parallel-wound motors, some of the current flows through the stationary field coil, and the rest goes through the brushes and armature. In a series-wound motor, all current flows through one brush, the armature, the other brush, the field coil and then to ground. There is only one path for all current to flow. The order of the armature and the field coils can be switched. It does not matter which one that current flows through first. They all still build the same magnetic fields with the same polarities.

Side note 2: Parallel-wound motors also develop a back EMF but it is not a big factor in their operation. The point of interest is if a motor is locked up and not developing its back EMF, it will not develop the current that opposes normal current flow. Current flow to the motor increases, typically to the point of blowing a fuse or tripping an auto-resetting circuit breaker. Power windows and wipers are considered safety systems. A blown fuse could lead to the inability to bring a car to a safe stop, so they usually use circuit breakers. At least there's a chance they will reset and restore the system to temporary operation. The secondary advantage is the higher start-up current for a wiper or window motor does not last long enough to trip a circuit breaker.

Side note 3: My numbers applied to GM and Ford starters, but not Chrysler's. Chrysler used a gear reduction starter beginning in 1960. That caused the armature to spin much faster than in other brands, while spinning the engine at the same speed. With the higher rotational speed, they developed a much higher back EMF, so these commonly drew as little as 100 amps while spinning, and rarely more than 150 amps to crank a big-block V-8. They were used for many years to crank GM and Ford high-compression race engines. Almost all starters today are of the gear reduction type. Many of them are not much bigger than wiper motors, yet they do a fine job of cranking larger V-6 engines.
Was this
answer
helpful?
Yes
No
Tuesday, July 28th, 2020 AT 12:32 PM (Merged)

Please login or register to post a reply.