Monday, June 5th, 2017 AT 9:22 AM
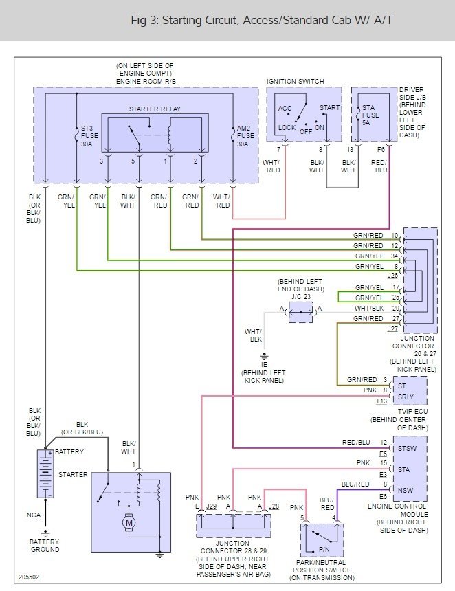
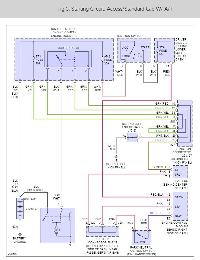
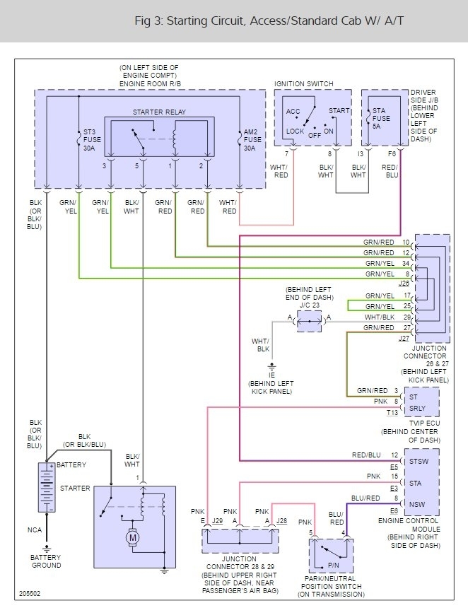
Sirs: When initially starting, I rotate the key normally and nothing happens for about three to five seconds after releasing the key from full rotation. Then, on its own, the starter will engage and start the motor normally. I have another person try to start normally and I am checking the starter relay which I tap as it is attempting to start. Same problem, although it will start. I can hear the starter, which is under the intake manifold, make a loud click as if trying to engage. From what I have researched on the Internet, I assume that the contacts in the starter itself are not making. I checked the battery and it has 12.58 volts after sitting all night, and when the starter does engage, it spins the engine normally. I probably should change the starter relay first or at least check it out. But I think it is the starter contacts. I do greatly appreciate any heads up you might suggest. I am a mechanic for myself and not as a business. I am seventy three years old and I really do not want to change that starter if I do not have to. About the battery again, with the head lights on high beam, and when the engine does turn over, the lights hardly even dim, so I assume the battery is up to snuff. The relay seems to be stubborn and I cannot figure how to release it so I can test it, but as I wrote before, I can hear the starter making a loud click when I try to start it. The delay (approximately three to five seconds) is what makes me think it is the starter contacts internally, which from what I have read on the Internet can be replaced for about $20.00 once the starter is removed. Thanks for any advice.














