Day time running light not functioning

Tiny
BLESSING EWOBOR
  • MEMBER
  • 2001 TOYOTA COROLLA
  • 4 CYL
  • 2WD
  • AUTOMATIC
  • 223,524 MILES
Good morning, the vehicle day time running light not functioning, I have checked the fuse and relay. What could be the cause or any troubleshooting guides for it?
Thursday, October 22nd, 2020 AT 8:48 PM

7 Replies

Tiny
JACOBANDNICKOLAS
  • MECHANIC
  • 110,194 POSTS
Hi,

There are a couple of relays to check. The one mounted on the radiator support is where I would start. I don't know if that is the one you have already checked or not.

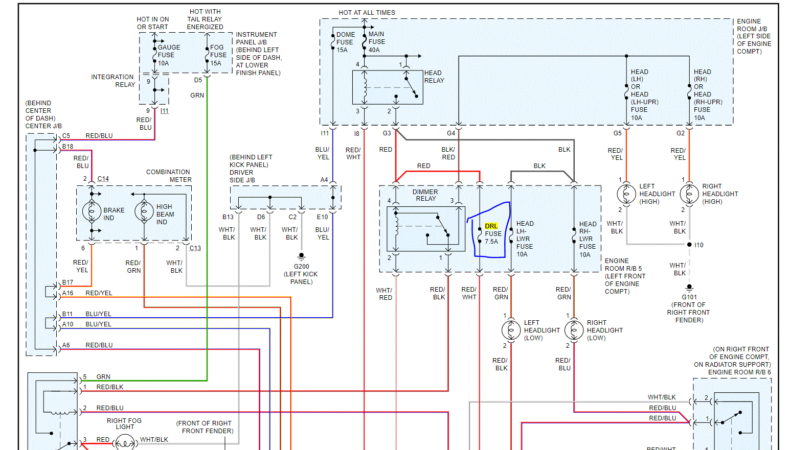
I attached two pics below. They show the entire headlamp / DRL wiring schematic. I highlighted everything related to the DRL. Note the fuse. Is that also the one you checked?

I'm not sure how the relay was tested, but here is a link that shows how it's done:

https://www.2carpros.com/articles/how-to-check-an-electrical-relay-and-wiring-control-circuit

Also, in addition to checking the fuse, confirm there is power to and from it.

https://www.2carpros.com/articles/how-to-check-a-car-fuse

_________________________

Pic 3 indicates DRL fuse number and placement in the under hood fuse box.

Here are directions specific to your vehicle for testing the relay.

_______________________

7. USA, Puerto Rico models: INSPECT DAYTIME RUNNING LIGHT RELAY (MAIN) CIRCUIT
Disconnect the connector from the relay and inspect the connector on the wire harness side.
If circuit is specified, try replacing the relay with a new one. If circuit is not as specified, inspect the circuits connected other parts.

See pic 4 and 5

________________________

If everything checks good, then check the automatic light control. Here are the directions.

________________________

9. USA, Puerto Rico: INSPECT AUTOMATIC LIGHT CONTROL
a. Turn the ignition switch ON.
b. Turn the light control switch to OFF.
c. Parking brake lever released.
d. Gradually cover the top of the sensor.
e. Verify that the lights should turn ON the accessory lights and the headlights.

pic 6

10. USA, Puerto Rico: INSPECT AUTOMATIC LIGHT CONTROL
a. Turn the ignition switch ON.
b. Turn the light control switch to OFF.
c. Parking brake lever released.
d. Cover the top of the light sensor.
e. Head and tail lights turn ON.
f. Gradually expose the light sensor.
g. Tail light turn OFF and DRL light turn ON.

11. USA, Puerto Rico: INSPECT LIGHT-OFF CONDITION
a. Turn the ignition switch ON.
b. Turn the light control switch to OFF.
c. Parking brake lever released.
d. Lights auto ON:
Gradually cover the top of the sensor.

12. USA, Puerto Rico: INSPECT LIGHT-ON CONDITION
Turn the ignition switch OFF.

13. USA, Puerto Rico: INSPECT AUTOMATIC LIGHT CONTROL SENSOR CIRCUIT

pic 7

pic 8

a. Disconnect the connector from the sensor and inspect the connector on the wire harness side, as shown in the chart.
If circuit is as specified, perform the inspection as follows.
If the circuit is not as specified, inspect the circuit connected to other parts.

pic 9

pic 10

b. Connect the wire harness side connector to the sensor and inspect wire harness side connector from the back side, as shown.

HINT:
- Ignition switch ON.
- Light control switch AUTO.
- Vehicle's surroundings are bright.

If circuit is as specified, try replacing the sensor with a new one. If the circuit is not as specified, inspect the circuit connected to other parts.

_______________________________

Let me know if this helps or if you have other questions.

Take care,
Joe
Was this
answer
helpful?
Yes
No
Friday, October 23rd, 2020 AT 7:57 PM
Tiny
BLESSING EWOBOR
  • MEMBER
  • 754 POSTS
Thank you.
Was this
answer
helpful?
Yes
No
Friday, October 23rd, 2020 AT 8:19 PM
Tiny
BLESSING EWOBOR
  • MEMBER
  • 754 POSTS
For the sensor (to be covered), where is it located?
Was this
answer
helpful?
Yes
No
Friday, October 23rd, 2020 AT 8:39 PM
Tiny
JACOBANDNICKOLAS
  • MECHANIC
  • 110,194 POSTS
Hi,

It should be on the dashboard facing upwards.

Let me know if you find it.

Joe
Was this
answer
helpful?
Yes
No
Friday, October 23rd, 2020 AT 9:29 PM
Tiny
JACOBANDNICKOLAS
  • MECHANIC
  • 110,194 POSTS
Hi,

For some reason this reposted without any information from you. Did you have a question? Also, have you found any issues at this point?

Let me know.
Joe
Was this
answer
helpful?
Yes
No
Monday, October 26th, 2020 AT 6:01 PM
Tiny
BLESSING EWOBOR
  • MEMBER
  • 754 POSTS
Thank you, no questions for now.
Was this
answer
helpful?
Yes
No
Monday, October 26th, 2020 AT 8:05 PM

Please login or register to post a reply.