Dash lights not turning off?

Tiny
KLEGGSKAA1
  • MEMBER
  • 2006 DODGE CARAVAN
  • 3.3L
  • V6
  • 2WD
  • AUTOMATIC
  • 45,000 MILES
Dash lights stay on even with key removed and headlights off new headlight switch.
Sunday, July 17th, 2022 AT 7:36 AM

9 Replies

Tiny
JACOBANDNICKOLAS
  • MECHANIC
  • 110,194 POSTS
Hi,

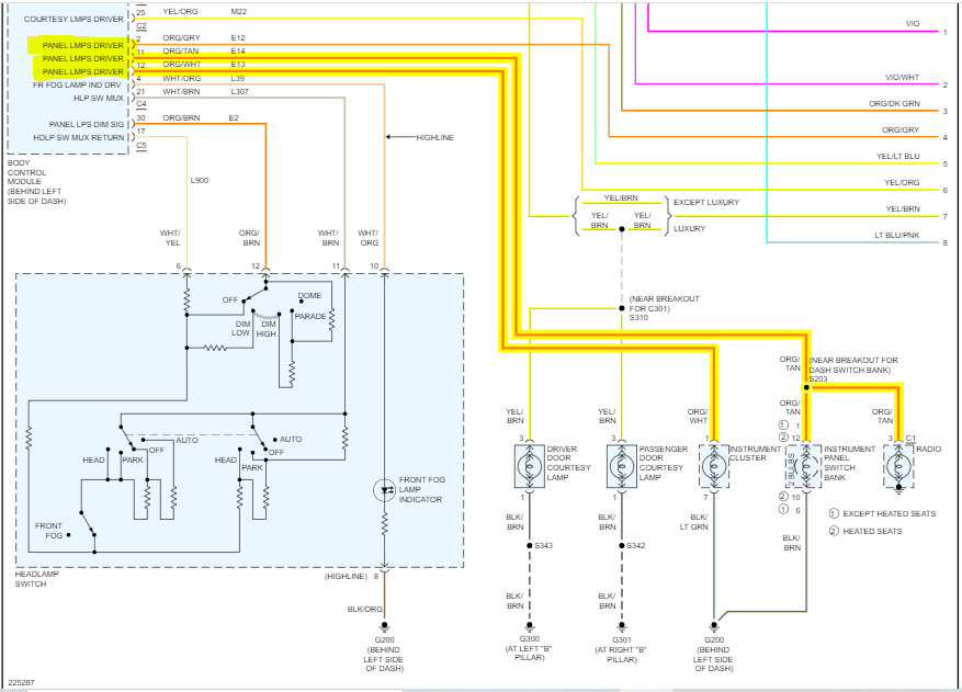
I attached the wiring schematic for the instrument cluster below and highlighted the wires related. There is one indicated that I didn't highlight. That is for the radio.

What I'm seeing is the power to the instrument cluster is coming from the body control module (BCM). So, here is what I need you to try.

Since there is a possibility of a short to power from a different circuit, we need to disconnect the BCM and see if the lights go off. If they do, I feel the BCM has an internal short. If they stay on, then we know power is coming from a different circuit and will have to narrow that down.

Pic 3 below explains how to remove the BCM. I'm adding them not for a replacement, but so you know the location and what to do prior to disconnecting it. The battery should be disconnected before disconnecting.

Also, if you want to try and make this easier, try scanning the can-bus. CAN stands for controller area network. Basically, all the different computers/modules are tied together via a few wires. This type of scan will identify trouble codes regardless of the module storing them.

Here is a link that explains how it's done:

https://www.2carpros.com/articles/can-scan-controller-area-network-easy

Let me know if this helps or if you have other questions,

Take care,

joe

See pics below.
Was this
answer
helpful?
Yes
No
Sunday, July 17th, 2022 AT 10:50 PM
Tiny
KLEGGSKAA1
  • MEMBER
  • 22 POSTS
Changed BCM and put new headlight switch what will be easiest way to check wires.
Was this
answer
helpful?
Yes
No
Tuesday, July 26th, 2022 AT 5:49 PM
Tiny
JACOBANDNICKOLAS
  • MECHANIC
  • 110,194 POSTS
Do they stay on if you disconnect the BCM? I'm trying to determine if there is power from a different source.

As far as testing, that is where I would start. Or, I would scan the can-bus to see if there is something that may help.

Let me know.

Joe
Was this
answer
helpful?
Yes
No
Tuesday, July 26th, 2022 AT 8:11 PM
Tiny
KLEGGSKAA1
  • MEMBER
  • 22 POSTS
Do you unplug all the wires to the BCM?
Was this
answer
helpful?
Yes
No
Wednesday, July 27th, 2022 AT 5:18 AM
Tiny
JACOBANDNICKOLAS
  • MECHANIC
  • 110,194 POSTS
Hi,

If I'm reading it correctly, it should be connector 4 which is a 34-pin connector that is black and gray. See pic below.
Was this
answer
helpful?
Yes
No
Wednesday, July 27th, 2022 AT 7:28 PM
Tiny
KLEGGSKAA1
  • MEMBER
  • 22 POSTS
Unhooked BCM dash lights are off, but emergency flasher light is on. Is there any way to reset BCM or does it have to be programmed? If so, how?
Was this
answer
helpful?
Yes
No
Thursday, July 28th, 2022 AT 5:48 PM
Tiny
JACOBANDNICKOLAS
  • MECHANIC
  • 110,194 POSTS
Hi,

That's odd. It shouldn't need programmed. At this point, I really recommend having the CAN scanned for codes. Hopefully, it will provide a direction to go. Since the dash lights went off, that indicates there isn't a short to power unless the pins in the connector were bad. Why the hazard lights are now on makes no sense.

Let me know if that is something you can have done.

Joe
Was this
answer
helpful?
Yes
No
Thursday, July 28th, 2022 AT 10:26 PM
Tiny
KLEGGSKAA1
  • MEMBER
  • 22 POSTS
Is a chance that there will be a short in the instrument cluster itself?
Was this
answer
helpful?
Yes
No
Friday, July 29th, 2022 AT 9:54 AM
Tiny
JACOBANDNICKOLAS
  • MECHANIC
  • 110,194 POSTS
Hi,

Anything is possible. The cluster isn't a common issue, but again, anything is possible. That is why I'm suggesting scanning the can-bus. If there is a code indicating a problem, it should be identified.

Let me know.

Joe
Was this
answer
helpful?
Yes
No
Friday, July 29th, 2022 AT 9:06 PM

Please login or register to post a reply.