Dashboard lights flash on and off

Tiny
EDGARV596
  • MEMBER
  • 2006 JEEP GRAND CHEROKEE
  • 4.7L
  • V8
  • 4WD
  • AUTOMATIC
  • 160,000 MILES
The lights on the dashboard flash on and off as if the alternator is giving out. I've tested the alternator, and it is working properly, and the battery is new. I also have the check engine light on for two p2098 alarms. I believe that might be the catalytic converter, but would that have anything to do with the dash going crazy?
Tuesday, April 30th, 2019 AT 2:17 PM

1 Reply

Tiny
JACOBANDNICKOLAS
  • MECHANIC
  • 110,194 POSTS
Welcome to 2CarPros.

I'm not sure how the two would be related. As far as the code, it is for a lean fuel mixture. Most times, it is caused by an engine vacuum leak, an exhaust leak, or a weak fuel pump. With that code, the catalytic converter is most likely fine.

Lets start with the code issue. First, are there any exhaust leaks? If not, then follow this link to check for engine vacuum leaks.

https://www.2carpros.com/articles/how-to-use-an-engine-vacuum-gauge

If none are found, then check fuel pressure.

https://www.2carpros.com/articles/how-to-check-fuel-system-pressure-and-regulator

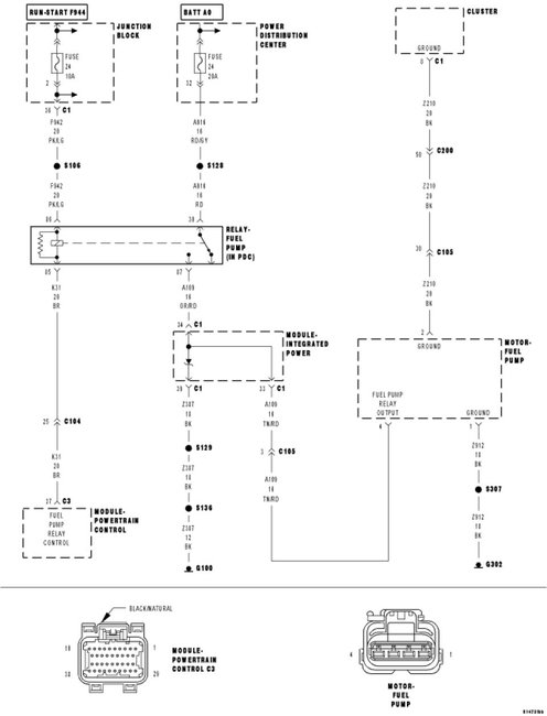
Here are the directions specific to your vehicle for testing fuel pressure. The attached pictures correlate with the directions, and the manufacturer's specs are included. Also, the directions include a flow chart if you find the pressure is low. However, they will require a scan tool to complete.

___________________________

FUEL DELIVERY CHECK
*CHECKING THE FUEL DELIVERY SYSTEM

pic 1

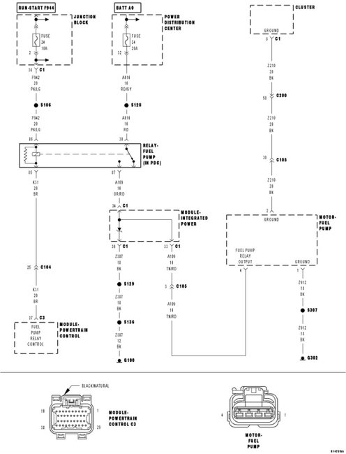
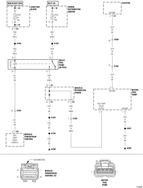
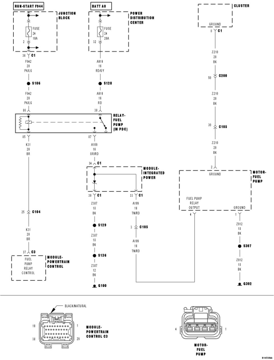
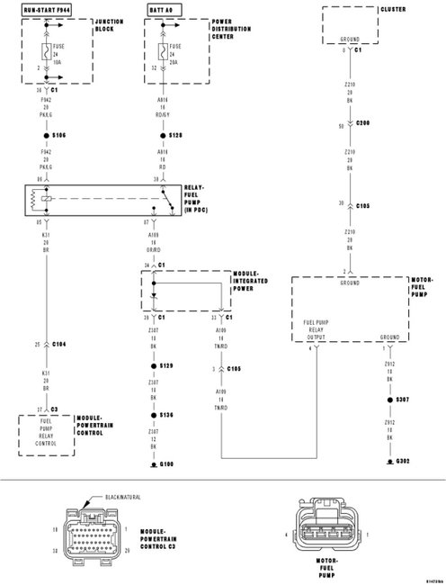
For a complete wiring diagram refer to Diagrams/Electrical.

pic 1

Diagnostic Test

1. FUEL PUMP OPERATION

Ignition on, engine not running.

With a scan tool, actuate the Fuel System test.

NOTE: It may be necessary to use a mechanics stethoscope in the next step.

Listen for fuel pump operation at the fuel tank.

Does the Fuel Pump operate?

Yes

- Go To 2

No

- Go To 5

CAUTION: Stop All Actuations.

2. FUEL PRESSURE

WARNING: The fuel system is under a constant pressure (even with the engine off). Before testing or servicing any fuel system hose, fitting or line, the fuel system pressure must be released. Failure to follow these instructions can result in personal injury or death.

Turn the ignition off.

Install a fuel pressure gauge at the engine.

Ignition on, engine not running.

With the scan tool, actuate the ASD Fuel System test and observe the fuel pressure gauge.

NOTE: Fuel pressure specification is 407 KPa ± 34 KPa (59 psi ± 5 psi).

CAUTION: Stop All Actuations.

Choose a conclusion that best matches your fuel pressure reading.

Below Specification

- Go To 3

Within Specification

- Test Complete.

Above Specification

- Replace the fuel filter/fuel pressure regulator.
- Perform the POWERTRAIN VERIFICATION TEST. See: A L L Diagnostic Trouble Codes ( DTC ) > Verification Tests > Powertrain Verification Test

3. RESTRICTED FUEL SUPPLY LINE

WARNING: The fuel system is under a constant pressure even with the engine off. Before testing or servicing any fuel system hose, fitting or line, the fuel system pressure must be released.

Turn the ignition off.

Raise vehicle on hoist, and disconnect the fuel pressure line at the fuel pump module.

Install special tool #6539 (5/16 inch) or #6631 (3/8 inch)
fuel line adapter and the fuel pressure gauge between the fuel supply line and the fuel pump module.

Ignition on, engine not running.

With the scan tool, actuate the ASD Fuel System test and observe the fuel pressure gauge.

NOTE: Fuel pressure specification is 407 KPa ± 34 KPa (59 psi ± 5 psi).

CAUTION: Stop All Actuations.

Is the fuel pressure within specification now?

Yes

- Repair/replace fuel supply line as necessary.
- Perform the POWERTRAIN VERIFICATION TEST. See: A L L Diagnostic Trouble Codes ( DTC ) > Verification Tests > Powertrain Verification Test

No

- Go To 4

4. CHECKING FUEL INLET STRAINER

WARNING: The fuel system is under a constant pressure (even with the engine off). Before testing or servicing any fuel system hose, fitting or line, the fuel system pressure must be released. Failure to follow these instructions can result in personal injury or death.

Turn the ignition off.

Remove the Fuel Pump Module and inspect the Fuel Inlet Strainer.

Is the Fuel Inlet Strainer plugged?

Yes

- Replace the Fuel Pump Inlet Strainer.
- Perform the POWERTRAIN VERIFICATION TEST. See: A L L Diagnostic Trouble Codes ( DTC ) > Verification Tests > Powertrain Verification Test

No

- Replace the Fuel Pump Module.
- Perform the POWERTRAIN VERIFICATION TEST. See: A L L Diagnostic Trouble Codes ( DTC ) > Verification Tests > Powertrain Verification Test

5. (A109) FUEL PUMP RELAY OUTPUT CIRCUIT OPEN

Turn the ignition off.

Remove the Fuel Pump Relay from the IPM.

Disconnect the Fuel Pump Module harness connector.

Measure the resistance of the (A109) Fuel Pump Relay Output circuit from the relay connector to the fuel pump module connector.

Is the resistance below 5.0 ohms?

Yes

- Replace the Fuel Pump Relay.
- Perform the POWERTRAIN VERIFICATION TEST. See: A L L Diagnostic Trouble Codes ( DTC ) > Verification Tests > Powertrain Verification Test

No

- Repair the open in the (A109) Fuel Pump Relay Output circuit.
- Perform the POWERTRAIN VERIFICATION TEST. See: A L L Diagnostic Trouble Codes ( DTC ) > Verification Tests > Powertrain Verification Test

_____________________________________

I hate to ask this, but I need you to copy and paste the electrical question to a new thread. We are trying to keep the answers specific to one problem as to better help others.

Let me know what you find.

Take care,
Joe
Was this
answer
helpful?
Yes
No
Tuesday, April 30th, 2019 AT 8:04 PM

Please login or register to post a reply.