Saturday, November 20th, 2021 AT 9:57 PM
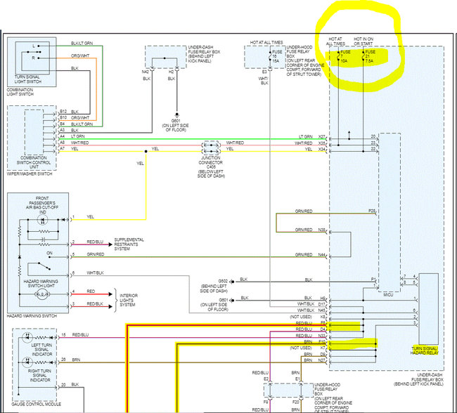
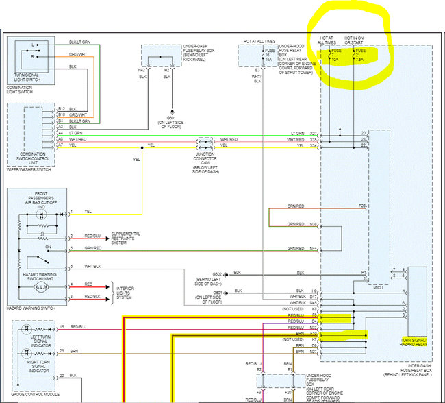
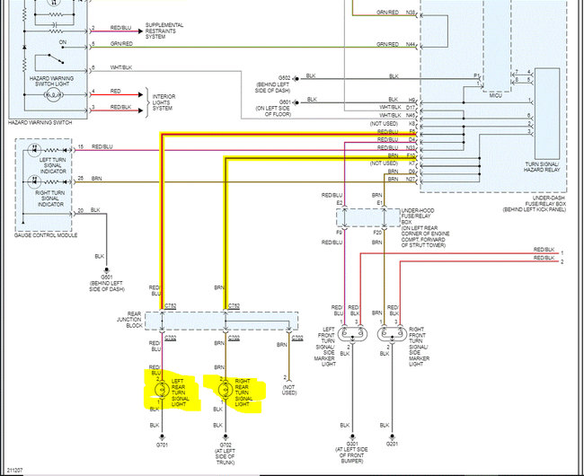
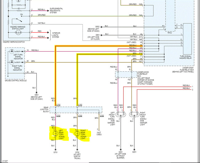
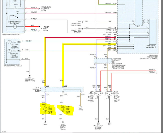
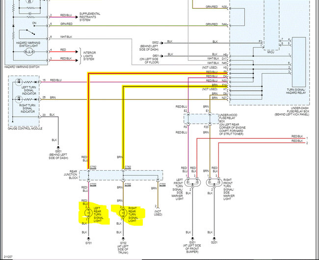
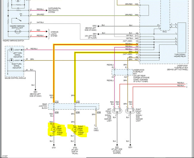
Dashboard lights are not lighting up none of the gauges are working and my turn signals do not work. I put all new fuses in the fuse box on the driver side fuse panel and I can't find any fuse labeled light or dash lights. Is it called something else in the car listed above coupe?






