My gauges and instrument cluster has stopped working?

Tiny
BRETACRUNK
  • MEMBER
  • 1 POST
  • 2004 CHEVROLET SILVERADO
  • 0.5L
  • V8
  • 4WD
  • AUTOMATIC
  • 142,000 MILES
All the gauges on the instrument panel do not work. The lights are working and the turn signal lights come on. For some reason, the high beam indicator stays on and drains the battery with the key out. Fuse is good.
Was this
answer
helpful?
Yes
No
Wednesday, June 2nd, 2021 AT 12:40 PM (Merged)
Tiny
JACOBANDNICKOLAS
  • MECHANIC
  • 110,192 POSTS
A lot of the instrument clusters failed and needed to be replaced. With that being said, you need to run a diagnostic check on the one in the vehicle to determine if it is bad. Based on your description, I believe the internal circuitry has shorted causing the high beam light to get power all the time but not nothing else is getting power.

To test the cluster requires a scanner. I don't know if you have one, but if you look through the three pictures I attached, you will find they are the instrument cluster diagnostic flow chart. I am attaching them for you in case you have a scanner or have access to one. Also, the following correlates with the test.

The numbers below refer to the step numbers on the diagnostic table.
2. Lack of communication may be due to a partial malfunction of the class 2 serial data circuit or due to a total malfunction of the class 2 serial data circuit.
The specified procedure will determine the particular condition.
4. The symptom list in Symptoms will determine the correct diagnostic procedure to use.
5. The presence of DTCs which begin with "U" indicate some other module is not communicating. The specified procedure will compile all the available information before tests are performed.

If you are able to perform the test, let me know the results so I can further advise you.

Let me know if you have other questions.

Joe
Was this
answer
helpful?
Yes
No
+1
Wednesday, June 2nd, 2021 AT 12:40 PM (Merged)
Tiny
LA METRO
  • MEMBER
  • 2 POSTS
  • 2004 CHEVROLET SILVERADO
  • 146,000 MILES
I have a 2004 Chevy Silverado 1500 V6 4.3 liter King Cab Pickup. On my instrument gauges I have fuel, tachometer, battery, speedometer, and oil temp, and coolant temp gauges. My speedometer, oil temp and fuel temp gauges won't move or in read different in the I am talking about my instrument cluster. Speedometer, fuel, and oil temp gauges no longer work correctly. I would like to know can I fix this myself or is it better to take this to an auto repair shop?
Was this
answer
helpful?
Yes
No
Wednesday, June 2nd, 2021 AT 12:41 PM (Merged)
Tiny
JACOBANDNICKOLAS
  • MECHANIC
  • 110,192 POSTS
The instrument clusters in these trucks had alot of issues, you may need to replace it. You should be able to do it at home if you have a small amount of mechanical ability

See the attachments below for instructions on how to change the gauge cluster.
Was this
answer
helpful?
Yes
No
Wednesday, June 2nd, 2021 AT 12:41 PM (Merged)
Tiny
LA METRO
  • MEMBER
  • 2 POSTS
  • 2004 CHEVROLET SILVERADO
  • 146,000 MILES
I have a 2004 Chevy Silverado 4.3 liter V6 and noticed my fuel, oil temp, and speedometer gauges aren't working correctly? The above gagues aren't working. Speedometer, you can't tell how fast you are going because it stays stuck at 0 miles an hour. The fuel gauge is turned halfway down where it no longers lets you know if you are between full and empty on fuel. The oil gauge is also turned downward where you can't tell if you are between 10 and 40 on the oil gauge and I wanted to know what the cause could be for those gauges no longer working the way it use to? Is it possible to do the work myself or get better to take it to a shop?
Was this
answer
helpful?
Yes
No
Wednesday, June 2nd, 2021 AT 12:41 PM (Merged)
Tiny
RIVERMIKERAT
  • MECHANIC
  • 6,110 POSTS
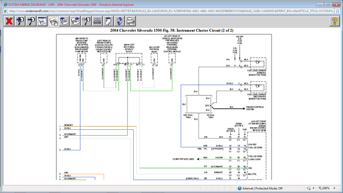
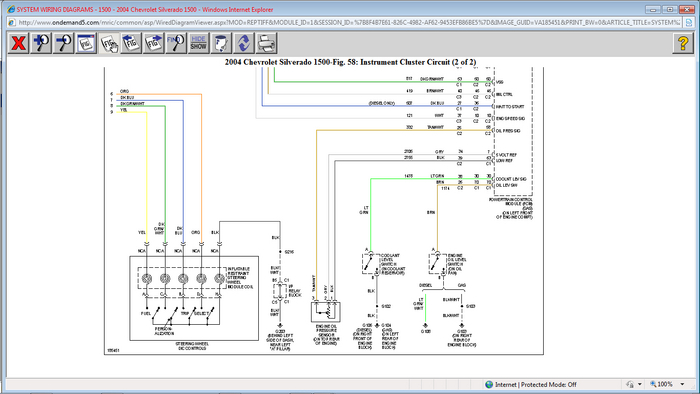
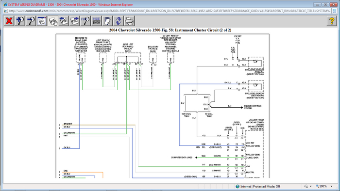
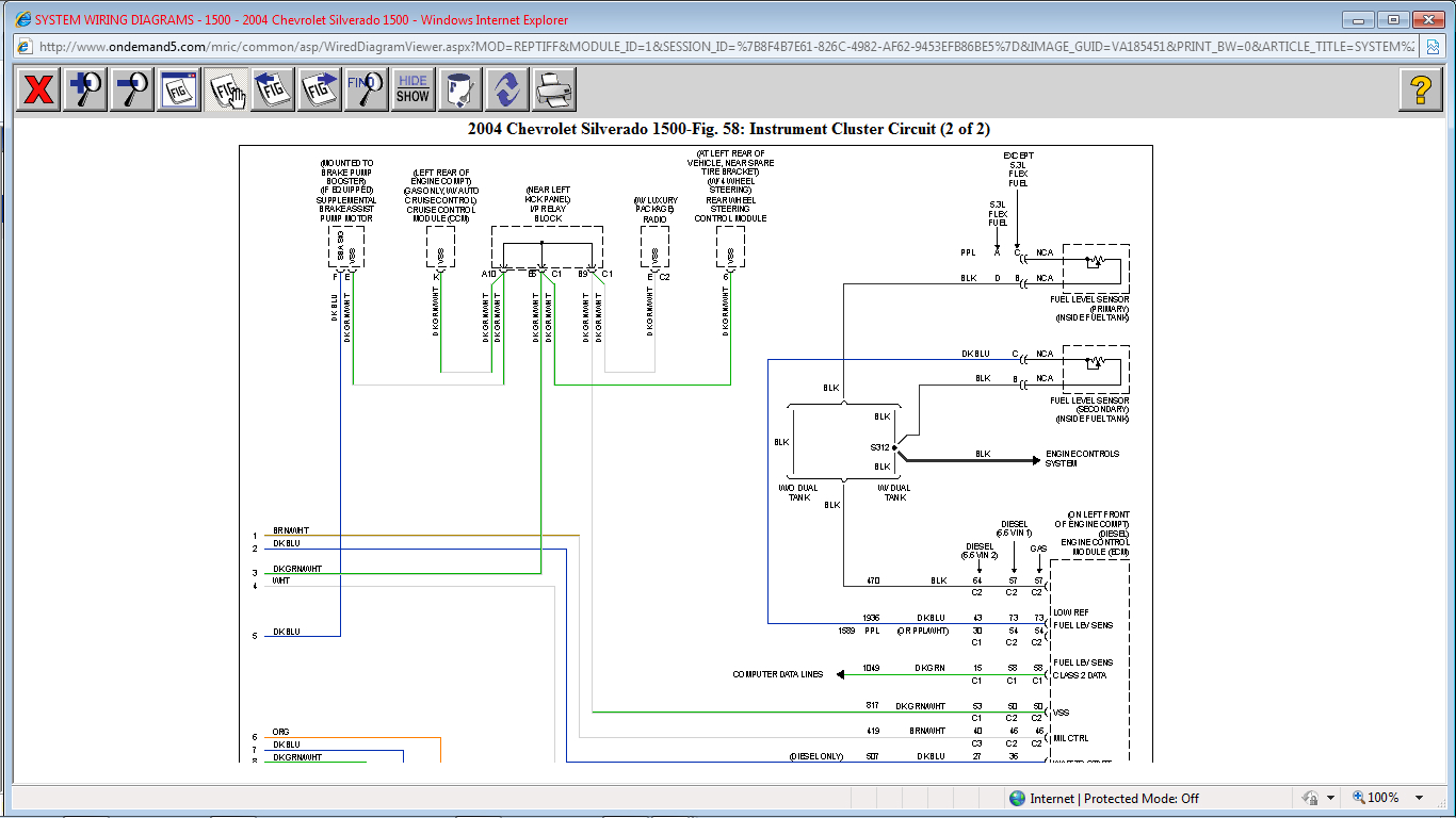
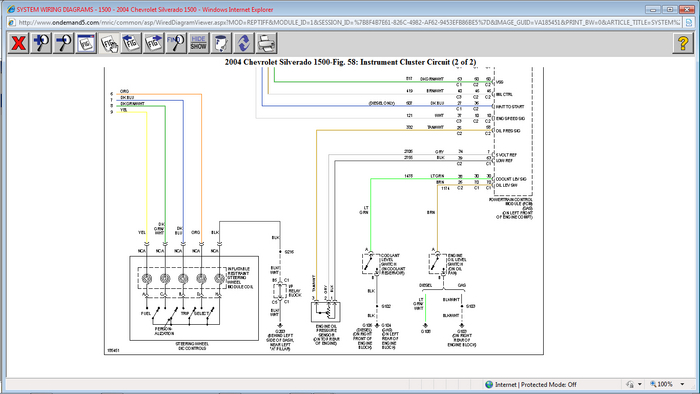
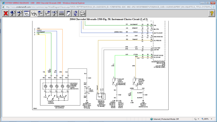
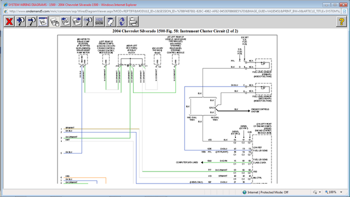
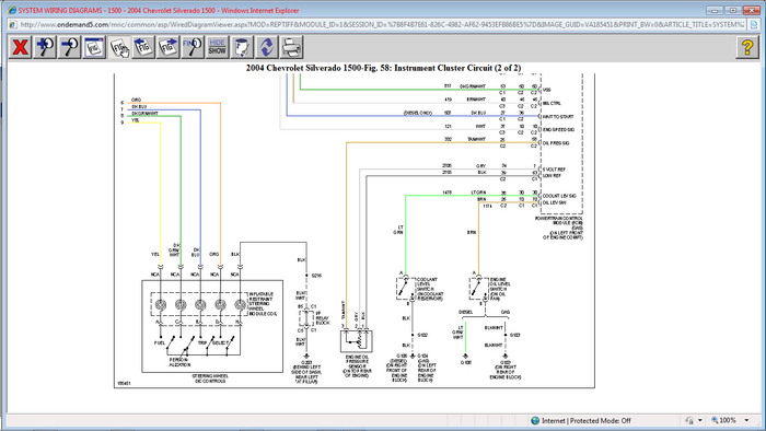
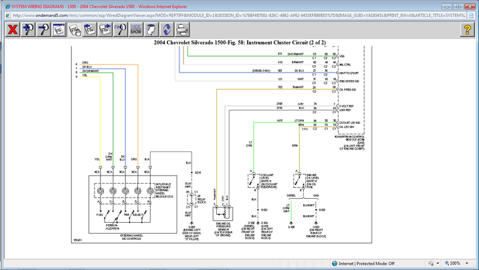
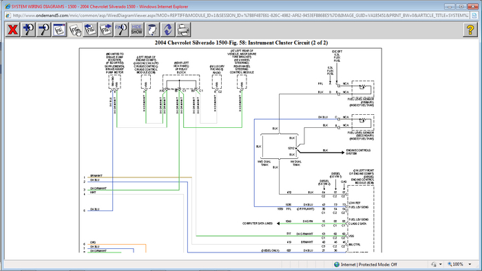
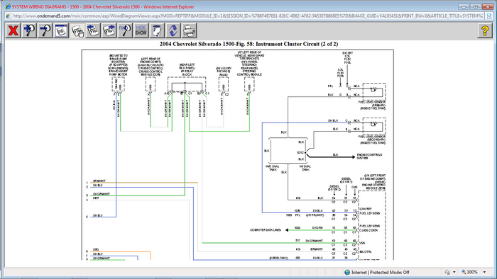
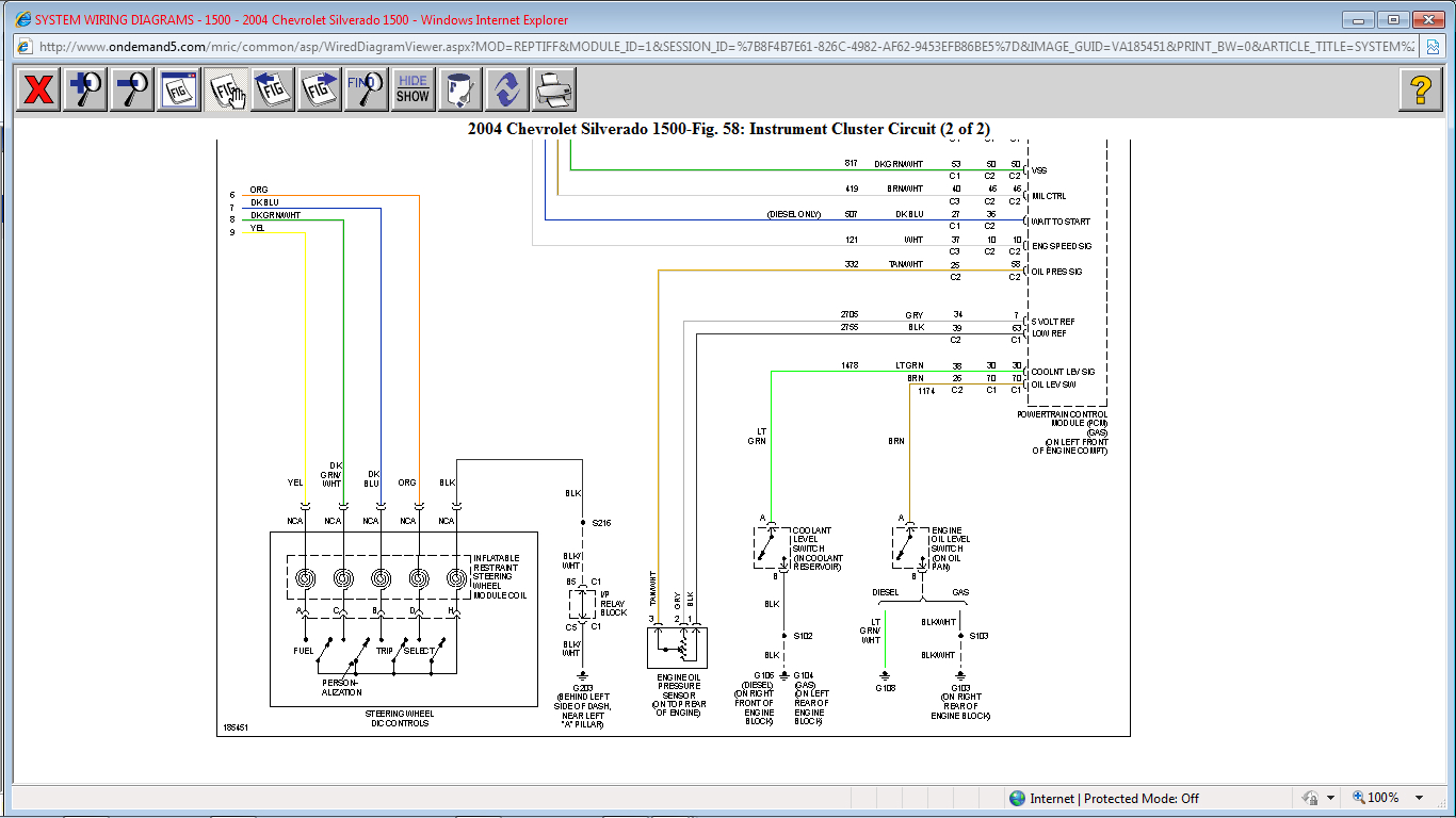
Check the wiring and fuses. Pay special attention to instrument panel grounds. I have attached the schematic for the instrument panel. Each page is in 2 parts for clarity.
Was this
answer
helpful?
Yes
No
+1
Wednesday, June 2nd, 2021 AT 12:41 PM (Merged)
Tiny
ULUMPY2
  • MEMBER
  • 5 POSTS
  • 2003 CHEVROLET SILVERADO
  • 5.3L
  • V8
  • 4WD
  • AUTOMATIC
  • 200,000 MILES
Went golfing one day, came back out to go home. Turned truck on and gauges, power windows/locks, some lights, blower motor and climate control. Every thing worked awesome. Until that day. It was super hot inside of the cab. I've been trying to get this fixed no for a few months now. Could use some insight.
Was this
answer
helpful?
Yes
No
Wednesday, June 2nd, 2021 AT 12:41 PM (Merged)
Tiny
SCGRANTURISMO
  • MECHANIC
  • 4,897 POSTS
Hello,

This could be a problem with ground #200 which is located behind the right side of the dash near the "A" pillar. Today's modern vehicles have a lot of electronics and electrical systems on them. People tend to focus on the power side of circuits but forget that it is only 1/2 of the circuit. The ground side of the circuit is the other half. In fact 75% of all vehicle electrical problems are poor or bad grounds. Because of the many electrical circuits in today's vehicles, they will share a common ground, so if the ground goes bad, it will effect many systems. In the diagrams down below I have included a ground distribution wiring diagram for your vehicle as well as ground location and how to inspect a ground for your vehicle. Please go through these guides and get back to us with what you are able to find out.

Thanks,
Alex
2CarPros
Was this
answer
helpful?
Yes
No
+2
Wednesday, June 2nd, 2021 AT 12:41 PM (Merged)
Tiny
ULUMPY2
  • MEMBER
  • 5 POSTS
Sorry it took me so long to get back, I was very busy with other people's cars. Yes, this was helpful. The gauges was just a matter of getting a new cluster. The HVAC controls is a matter of finding power from the main fuse box in the engine compartment. The door locks is still a mystery. It has power running to the switches but no ground anywhere in the door. If I supply a external ground, the power will work. The switch has been tested, but once it gets ground and positive running to it, the switch goes dead. Still a mystery.
Was this
answer
helpful?
Yes
No
Wednesday, June 2nd, 2021 AT 12:41 PM (Merged)
Tiny
SCGRANTURISMO
  • MECHANIC
  • 4,897 POSTS
Hello again,

If you have power and ground to the switch and it goes dead then the switch is bad and needs to be replaced. Please keep us informed.

Thanks,
Alex
2CarPros
Was this
answer
helpful?
Yes
No
Wednesday, June 2nd, 2021 AT 12:41 PM (Merged)
Tiny
CAPNJACK
  • MEMBER
  • 1 POST
  • 2003 CHEVROLET SILVERADO
All of the gauges in the cluster just quit working. They all quit at the same time. What is the problem?
Was this
answer
helpful?
Yes
No
Wednesday, June 2nd, 2021 AT 12:41 PM (Merged)
Tiny
DR LOOT
  • MECHANIC
  • 2,311 POSTS
I've been looking at the wiring diagrams on your truck and I find the main power wire but it may be in the fuse box at the end of the dash on the driver side, opened up the drivers door and remove the end cap from the dash and check your fuses. THis guide can help

https://www.2carpros.com/articles/how-to-check-a-car-fuse

this video shows how to change out the cluster if the fuses are good.

https://youtu.be/_HEC44xENxw

Check out the diagrams (Below). Please let us know what happens.
Was this
answer
helpful?
Yes
No
Wednesday, June 2nd, 2021 AT 12:41 PM (Merged)
Tiny
JEREMY0507
  • MEMBER
  • 27 POSTS
  • 2003 CHEVROLET SILVERADO
  • 6.0L
  • V8
  • 4WD
  • AUTOMATIC
  • 195,000 MILES
Found a Chevrolet 2500 with a 6.0 that I have been looking for but the gauges work on and off. Would that be more an electrical issue or the cluster going out? The truck runs good otherwise but do not want to buy something with electrical issues. Thanks.
Was this
answer
helpful?
Yes
No
Wednesday, June 2nd, 2021 AT 12:41 PM (Merged)
Tiny
ASEMASTER6371
  • MECHANIC
  • 52,796 POSTS
Good morning.

The chances of all the gauge senders being bad a real slim.

I would go with the cluster. Check the connections behind the cluster for any bent or damaged pins.

Roy
Was this
answer
helpful?
Yes
No
Wednesday, June 2nd, 2021 AT 12:41 PM (Merged)
Tiny
TALGIERS
  • MEMBER
  • 1 POST
  • 2003 CHEVROLET SILVERADO
  • V8
  • 4WD
  • AUTOMATIC
  • 125,000 MILES
Battery drained out and when it was replaced the speedometer and temperature gauges were not working. In the window to show mileage, gear, etc, it says RI and nothing else. What does RI indicate?
Was this
answer
helpful?
Yes
No
Wednesday, June 2nd, 2021 AT 12:41 PM (Merged)
Tiny
KEN L
  • MASTER CERTIFIED MECHANIC
  • 55,291 POSTS
Try disconnecting the battery and reconnecting it. This should reboot the system. Also I would check all fuses to see if one popped when connecting the battery.

https://www.2carpros.com/articles/how-to-check-a-car-fuse

Please let us know what happens so we can keep helping you.

Cheers, Ken
Was this
answer
helpful?
Yes
No
Wednesday, June 2nd, 2021 AT 12:41 PM (Merged)
Tiny
RCFNICK
  • MEMBER
  • 1 POST
  • 2002 CHEVROLET SILVERADO
  • 4.8L
  • V8
  • 2WD
  • AUTOMATIC
  • 98,000 MILES
Thank you. I have been wiring race cars, street rods, and classics for 40 years, but I can't fix my own pickup. When I turn off the key and the instruments power down, pull the key out and wait 30-40 seconds and the gas and temperature gauge power up again without key on. To power down again do these steps, each one will work for 30-40 seconds and it will power up again. Open the door flash high beams put key in ignition-don't have to turn it on when it powers up again. Do the same things or pull key out, if you leave the door open nothing happens until the interior light goes off then the gauges power up again. I pulled the cluster and checked all the solder connections and they look really nice. I also put in a new ignition switch and harness, no change. I don't expect free advice I need help. Thank you, Larry
Was this
answer
helpful?
Yes
No
Wednesday, June 2nd, 2021 AT 12:41 PM (Merged)
Tiny
KEN L
  • MASTER CERTIFIED MECHANIC
  • 55,291 POSTS
Hello,

It sounds like the BCM is out. To be sure here is a video doing a CAN scan which is the future of car repair you can get one for about $50.00 on Amazon:

https://youtu.be/InIlnsjOVFA

Here is how to replace the BCM in the diagrams below in case you need it. Check out the diagrams (below). Please let us know what you find. We are interested to see what it is.
Was this
answer
helpful?
Yes
No
Wednesday, June 2nd, 2021 AT 12:41 PM (Merged)
Tiny
ATOWNEAGLES
  • MEMBER
  • 2 POSTS
  • 2000 CHEVROLET SILVERADO
I just switched my head units from the guy I bought my truck from first off. Now when I went out to my truck this morning the gear selector was not illuminated, the message window box did not come on, the rpms, nor speedometer completely didn't work. The gas seemed a little off from before also like a 1/4 tank less than what I'm pretty much positive it read before. When I installed no sparks or anything didn't hear anything pop either. I checked the ign1 fuse and the radio fuse, and cruise fuse as in the manual it said the instrument panel was linked to these. None of those are gone at all. The radio works and everything just fine. Trying to figure this problem out. Any help is greatly appreciated!
Was this
answer
helpful?
Yes
No
Wednesday, June 2nd, 2021 AT 12:41 PM (Merged)
Tiny
DARRYLHD
  • MEMBER
  • 2 POSTS
Had a problem where the dash would flicker on &off. Found that the dash was grounded to the right head at the back. These two wires were broken.
Was this
answer
helpful?
Yes
No
+1
Wednesday, June 2nd, 2021 AT 12:41 PM (Merged)

Please login or register to post a reply.