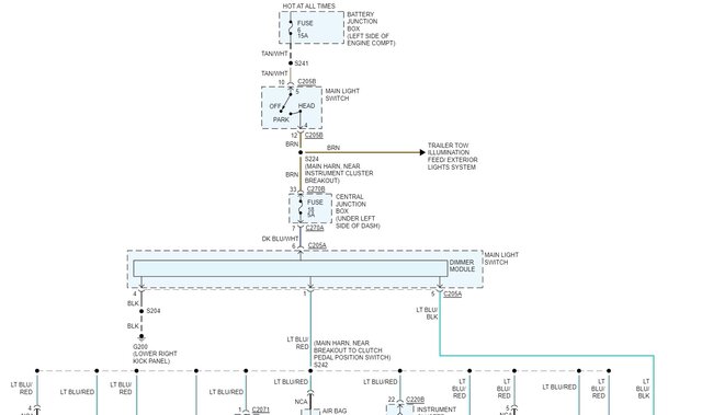
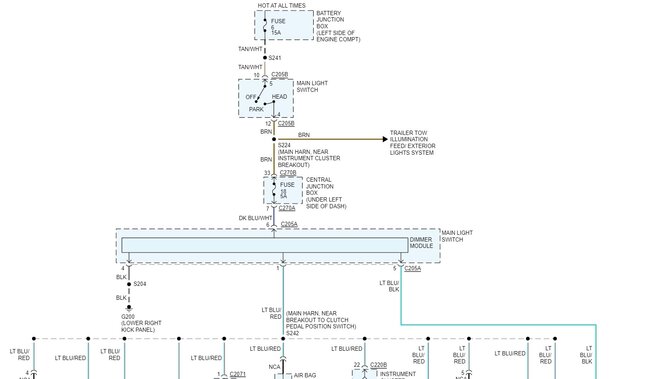
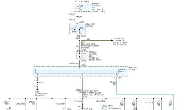
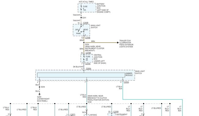
Saturday, February 25th, 2023 AT 6:30 PM
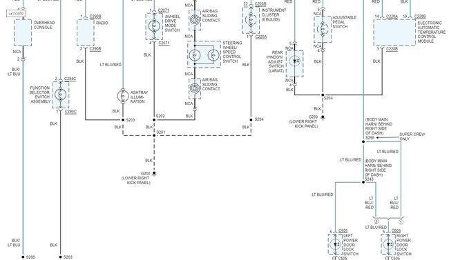
Dash lights went out, so I checked the fuse box inside the cab. It's a 5a fuse and like I thought it was popped. Now every time I put a new one in it, it immediately blows again. I assume it's a short somewhere but have no idea where to begin?






