Dash lights come on then go off when trying to start?

Tiny
ROSSCO60
  • MEMBER
  • 1999 CHEVROLET SILVERADO
  • 6.0L
  • V8
  • 2WD
  • AUTOMATIC
  • 80,000 MILES
Dash lights come on when opening the door. Try to start and the truck will not start and then all the lights go off. Now no dash lights or any power to any lights. Battery connections are good. Battery is good.
Tuesday, August 1st, 2023 AT 11:43 AM

1 Reply

Tiny
JACOBANDNICKOLAS
  • MECHANIC
  • 110,194 POSTS
Hi,

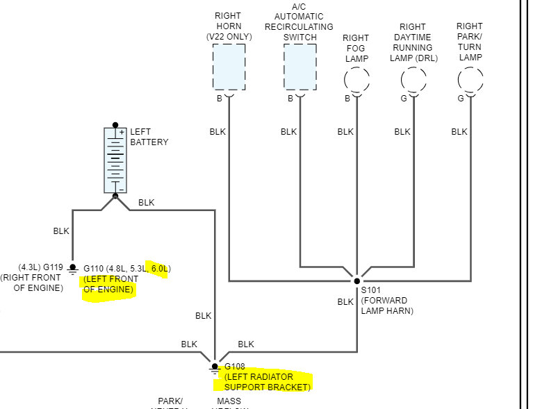
Is everything electrical lost? If that is the case and you are certain the battery terminals are clean and tight, we need to check the ground wires to make sure they haven't failed at the engine block and at the radiator support. However, it would be a good idea to remove the terminals and clean both the battery posts and the terminals.

I attached two pics below. The first is from the power distribution schematic. Check in the under-hood fuse box to see if there is power present at the fuses.

If that is good, pic 2 below is from the ground distribution schematic. Check the two grounds I highlighted to make sure they are clean and tight.

Let me know what you find.

Take care,

Joe

See pics below.
Was this
answer
helpful?
Yes
No
Tuesday, August 1st, 2023 AT 9:03 PM

Please login or register to post a reply.

Related Engine Not Running Content