Dash lights and taillights are not working

Tiny
TRACY COOK
  • MEMBER
  • 1996 GMC SONOMA
  • 14,670 MILES
Where do I change fuse at?
Wednesday, June 26th, 2019 AT 10:39 PM

1 Reply

Tiny
JACOBANDNICKOLAS
  • MECHANIC
  • 110,194 POSTS
Hi Tracy, and welcome to 2CarPros.

Is it only the rear lights that don't work or are there issues with front marker and signal lights? That makes a big difference for me to better direct you. As far as the fuses for the exterior tail lights, there are three. One powers the headlight switch and then the parking lights all the way around the vehicle. That's why I'm asking if it is only rear lights. The other two fuses are for turn signals / back up lights and brake lights and hazard lights. All three fuses are in the instrument panel fuse box and are numbered in the pics.

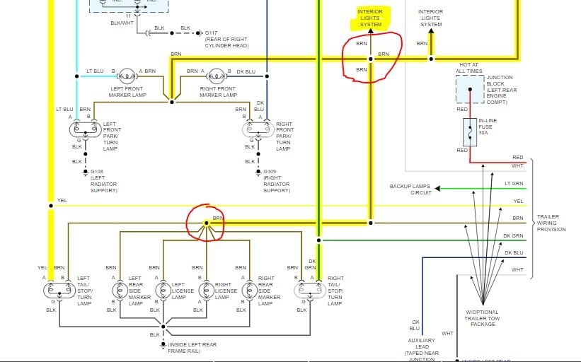
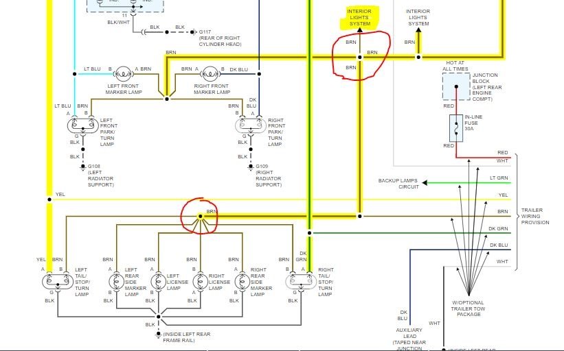
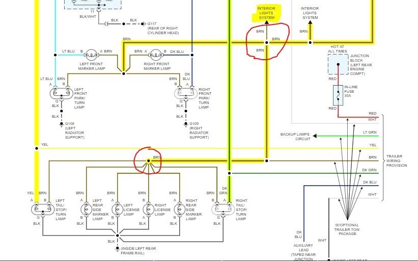
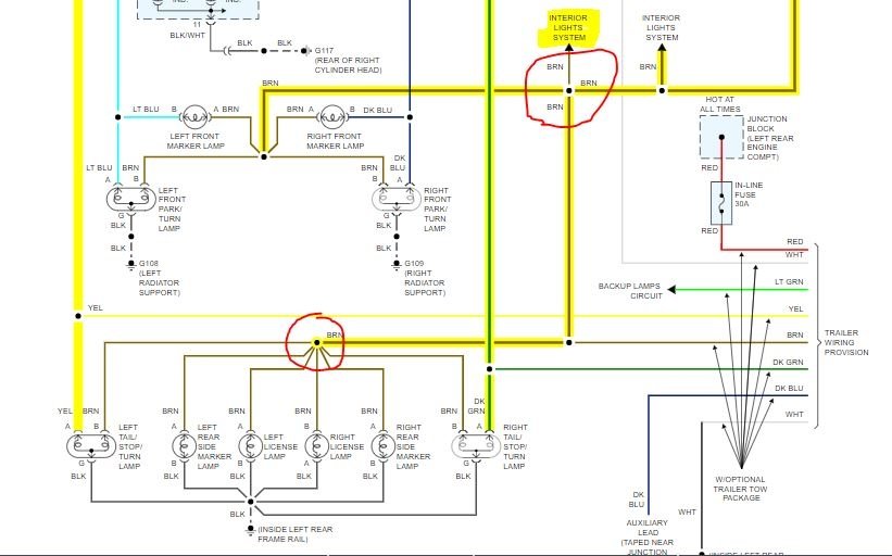
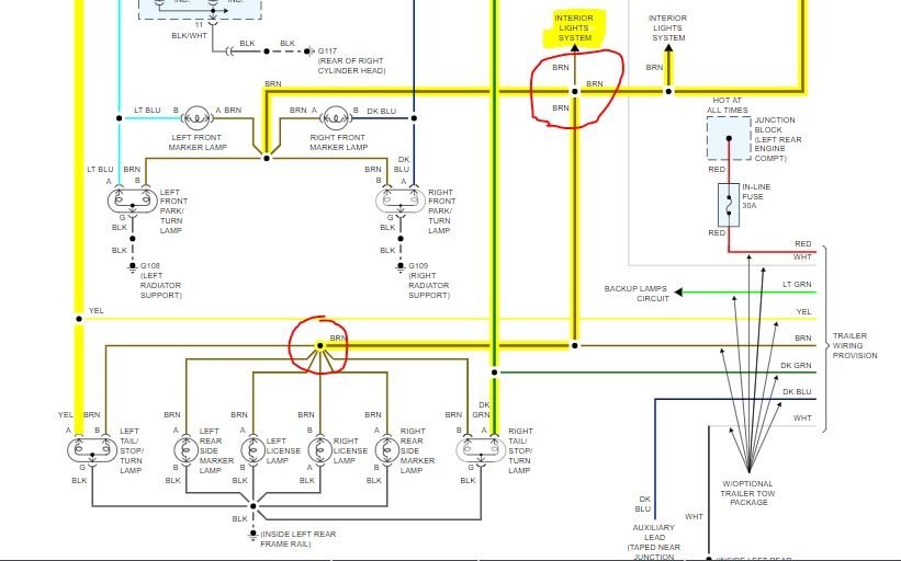
If only the rear lights don't work and you know the bulbs are good, then I suspect one of two things. Either the splice I circled in pic two is faulty or there is a bad ground. The ground for all rear lights is in the left side inner frame rail.

Pics 4 and 5 are related to the instrument lighting issues. Make sure the dimmer is not set to off. (don't laugh, I spent an hour trying to fix a similar issue and found the dimmer was turned down to off.) LOL And in the pics, you will see the related fuses.

_____________________________

Here are a few links you may find helpful:

https://www.2carpros.com/articles/how-a-car-fuse-works

https://www.2carpros.com/articles/how-to-check-a-car-fuse

https://www.2carpros.com/articles/how-to-use-a-test-light-circuit-tester

https://www.2carpros.com/articles/how-to-use-a-voltmeter

https://www.2carpros.com/articles/how-to-check-wiring

______________________________

Let me know if this helps or if you have other questions.

Take care,
Joe
Was this
answer
helpful?
Yes
No
Friday, June 28th, 2019 AT 7:47 PM

Please login or register to post a reply.