My dash lights do not come on

Tiny
BREEZEFFA
  • MEMBER
  • 2003 FORD F-150
  • 5.4L
  • V8
  • 4WD
  • AUTOMATIC
  • 169,300 MILES
So whenever I turn my headlights on, my dash lights do not come on (but my high beams and all that still show it’s mainly just the gauges). And the lights for the radio don’t show up (except the time) and my steering wheel lights, 4x4 lights switch and
head light switch don’t light up. Any help would he appreciated.
Sunday, August 2nd, 2020 AT 10:09 PM

9 Replies

Tiny
KASEKENNY
  • MECHANIC
  • 18,907 POSTS
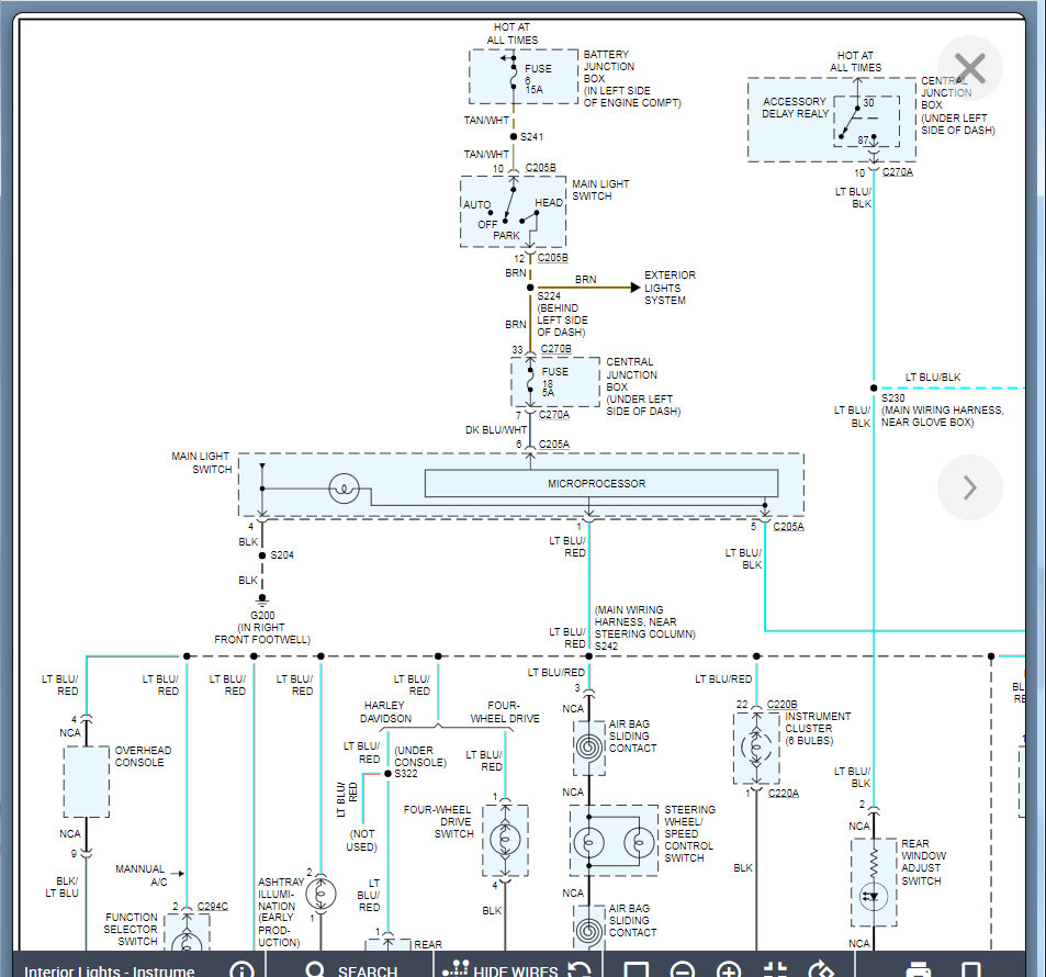
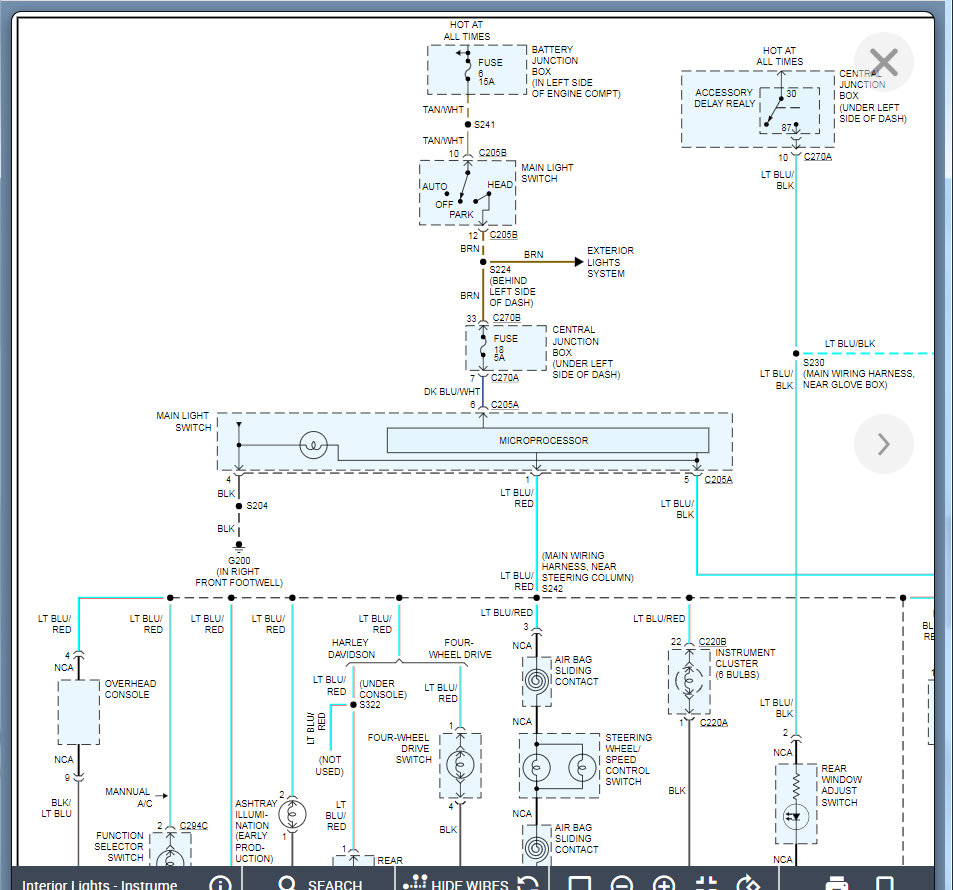
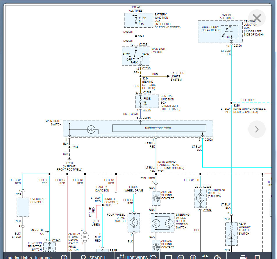
I suspect this is the main light switch as the issue because it has a microprocessor in it that controls the back lighting circuit which is what these lights are part of. I attached the wiring diagrams for us to start testing for voltage to trace it back to the switch. If we have no voltage coming out on the light blue/red wire then we should go ahead and replace the switch.

Let me know what you find and we can go from there. Thanks
Was this
answer
helpful?
Yes
No
Monday, August 3rd, 2020 AT 8:14 AM
Tiny
BREEZEFFA
  • MEMBER
  • 20 POSTS
Also, I should note that my headlights still do work, and before this all happened, my dash lights would flicker for a few minutes.
Was this
answer
helpful?
Yes
No
Monday, August 3rd, 2020 AT 9:20 AM
Tiny
KASEKENNY
  • MECHANIC
  • 18,907 POSTS
Okay. This microprocessor could still be the issue due to the fact that the circuits coming out of it are different. So the headlights circuits are unaffected and the flicker is an indication of a connection issue.

Clearly this could be another issue but this would make the most sense. Let me know if you have other questions. Thanks
Was this
answer
helpful?
Yes
No
Monday, August 3rd, 2020 AT 7:13 PM
Tiny
BREEZEFFA
  • MEMBER
  • 20 POSTS
So, how exactly do I test the light switch? What would I need to do so?
Was this
answer
helpful?
Yes
No
Monday, August 3rd, 2020 AT 7:52 PM
Tiny
KASEKENNY
  • MECHANIC
  • 18,907 POSTS
I would start with going to one of the lights that is not working. Remove the connector and you should see an light blue and red wire. When the light should be on, you should have voltage on that wire. If not, jump up to the switch and find the light blue and red wire and check for voltage with the lights on the same way. If you don't have it coming out of the switch then the switch is the issue.

I am telling you to go to one of the lights first because they would be easier to remove then the switch so if you have power on that circuit then the switch is not the issue. However, I doubt that because I don't see anything else in common with all these.

https://www.2carpros.com/articles/how-to-check-wiring
Was this
answer
helpful?
Yes
No
Tuesday, August 4th, 2020 AT 4:32 PM
Tiny
BREEZEFFA
  • MEMBER
  • 20 POSTS
I don’t have a multi-meter yet, so I’m currently unable to test it.
Was this
answer
helpful?
Yes
No
Wednesday, August 12th, 2020 AT 12:05 PM
Tiny
KASEKENNY
  • MECHANIC
  • 18,907 POSTS
Okay. They sell these for less than a hundred dollars. I would not recommend getting one for $20.00 because they are not accurate but you don't need the $300.00 meters unless you are going to do a lot of this testing.

Let me know if you need more info or what you find.

Also, you may ask around to your friends as I am sure someone has one in your circle of friends.
Was this
answer
helpful?
Yes
No
Wednesday, August 12th, 2020 AT 6:19 PM
Tiny
BREEZEFFA
  • MEMBER
  • 20 POSTS
Sorry this is so late. It was the headlight switch. Thank you.
Was this
answer
helpful?
Yes
No
Monday, December 14th, 2020 AT 5:54 PM
Tiny
KASEKENNY
  • MECHANIC
  • 18,907 POSTS
Well that makes sense. Glad you got it taken care of. Thanks for taking the time to update us. Thanks again for using 2CarPros.
Was this
answer
helpful?
Yes
No
Tuesday, December 15th, 2020 AT 6:26 PM

Please login or register to post a reply.