Dash lights not working

Tiny
RENISHA MCCLAIN
  • MEMBER
  • 1998 BUICK LESABRE
  • AUTOMATIC
  • 100,000 MILES
Dash light will not come on and work. Already checked fuses and wiring.
Friday, May 28th, 2021 AT 10:50 PM

1 Reply

Tiny
KASEKENNY
  • MECHANIC
  • 18,907 POSTS
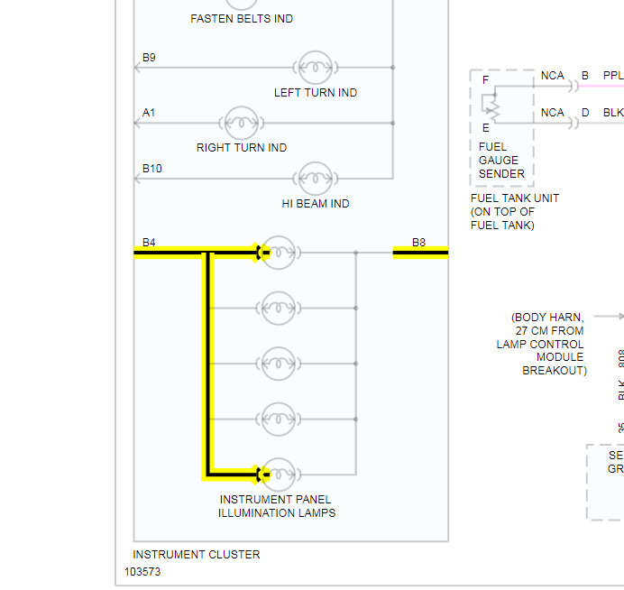
If none of the dash lights work then it is unlikely to be a bulb. So we need to actually check power at the B4 terminal of the cluster and find out if you have power at the cluster when the lights are on.

https://www.2carpros.com/articles/how-to-check-wiring

Below is the wiring diagram that will help with this as well. Please let us know what you find with this because if you have no voltage then it may be a ground issue or a greater issue with the interior lighting system.

Also, we need to make sure we check the Steering column fuse. It is a 2 amp fuse that is in the base of the steering column.

Please let us know if you have questions on this. Thanks
Was this
answer
helpful?
Yes
No
Saturday, May 29th, 2021 AT 6:22 PM

Please login or register to post a reply.