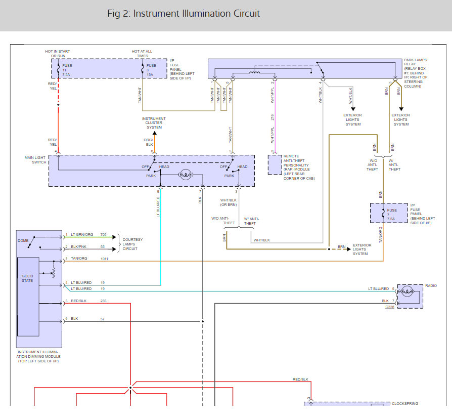
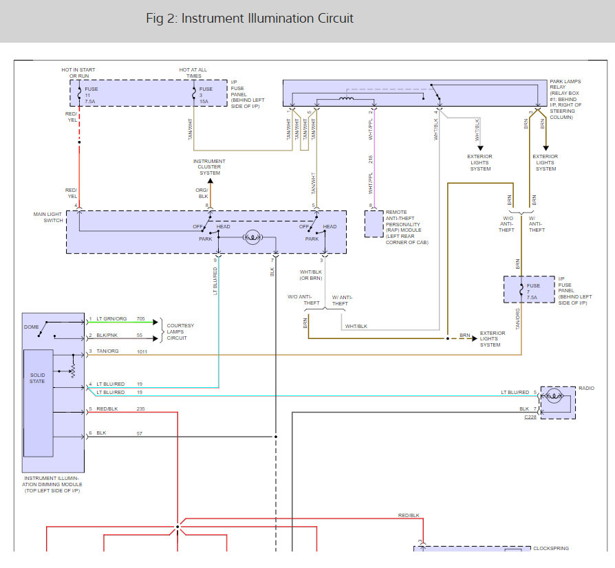
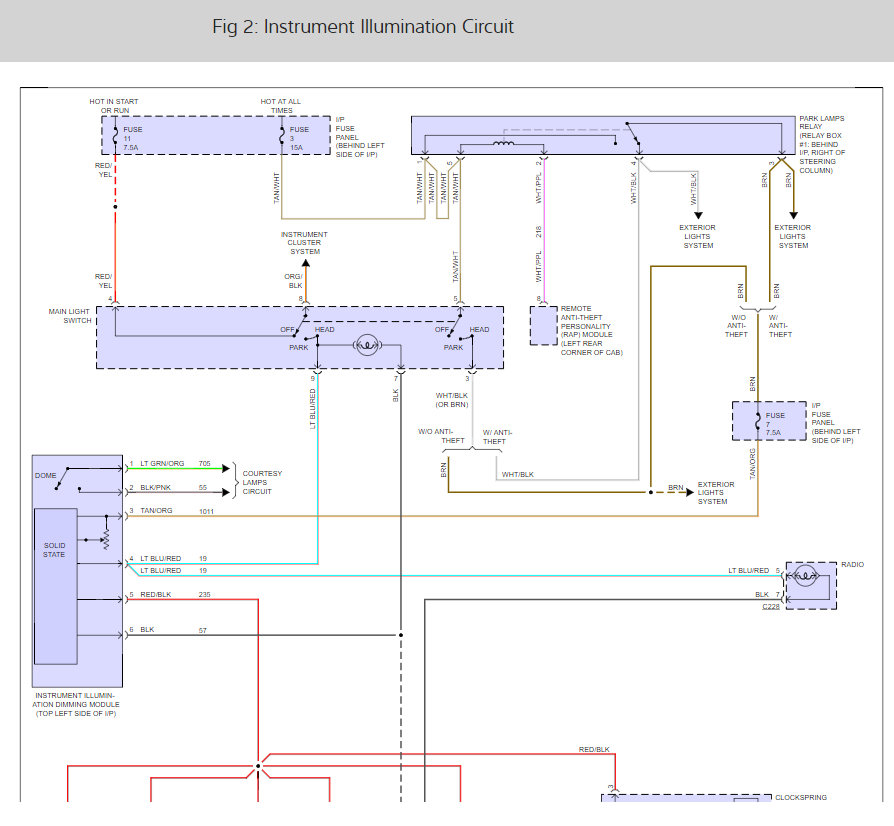
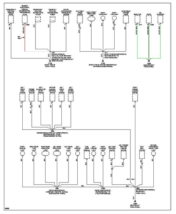
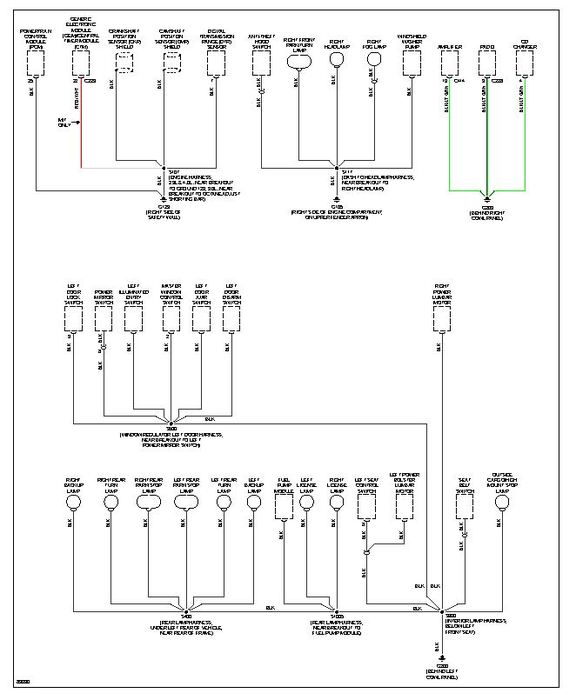
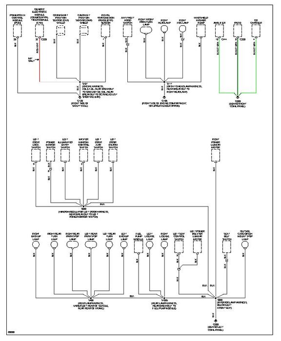
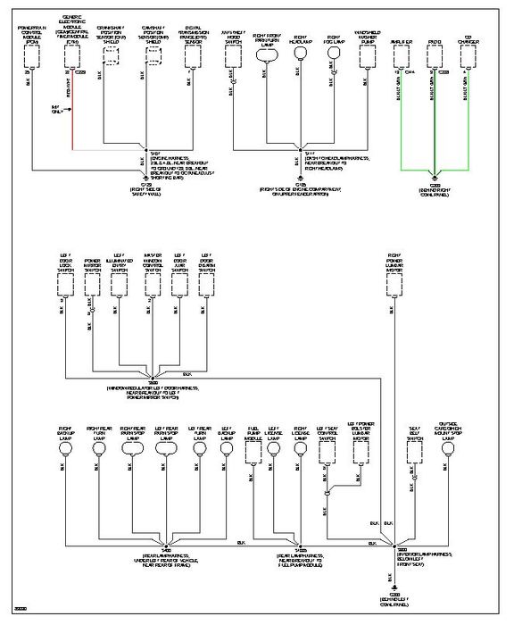
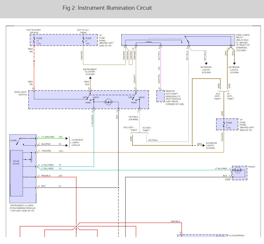
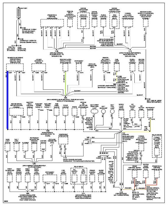
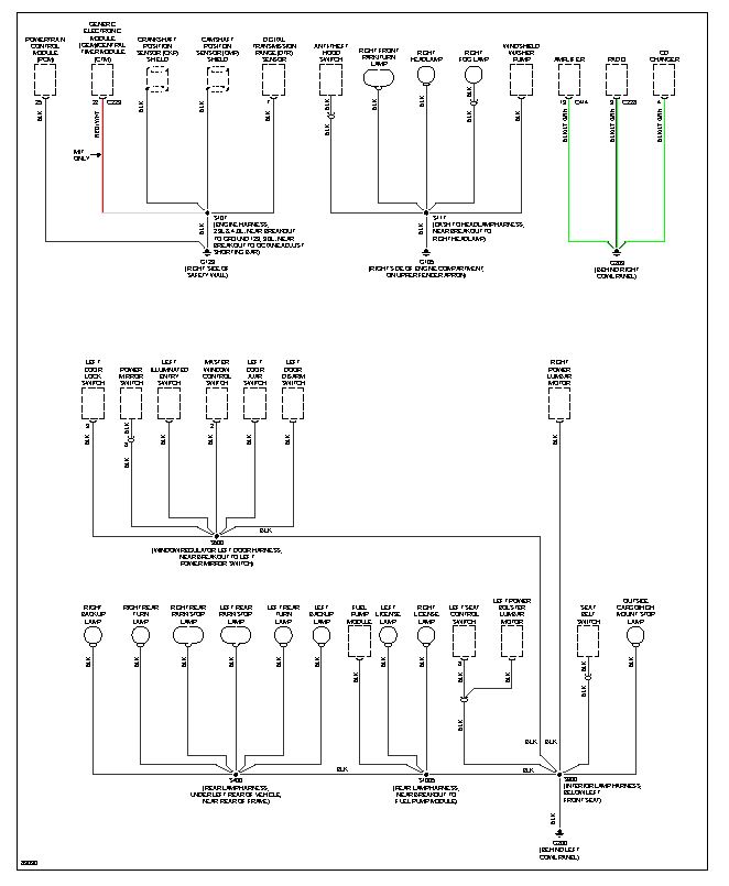
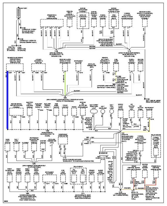
Wednesday, August 22nd, 2018 AT 11:07 AM
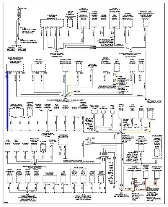
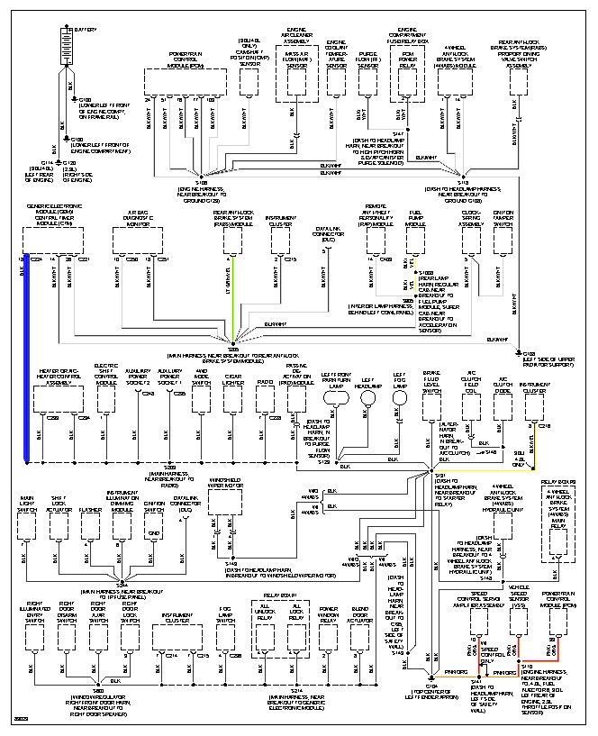
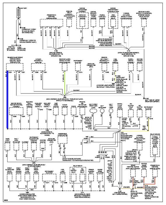
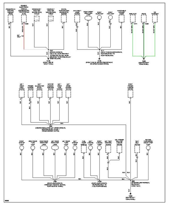
At night when I turn on my lights, I turn the switch and the head lights come on but the dash lights and radio cluster lights will not turn on. This just happened last night and I need some answers.









