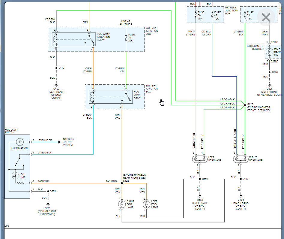
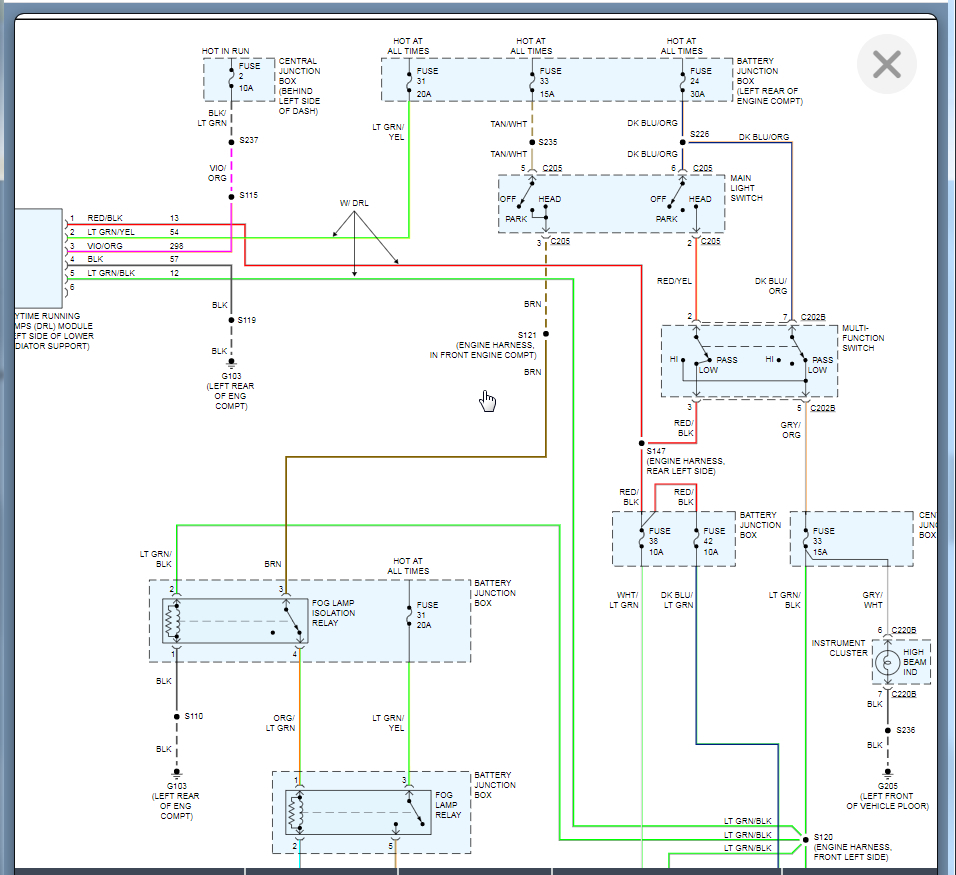
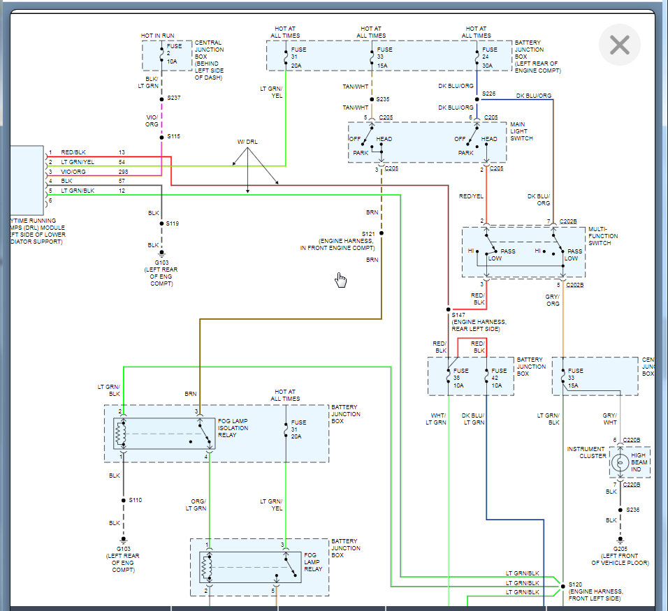
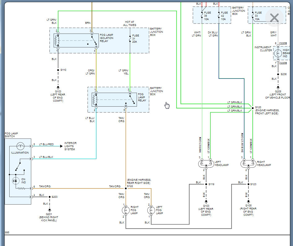
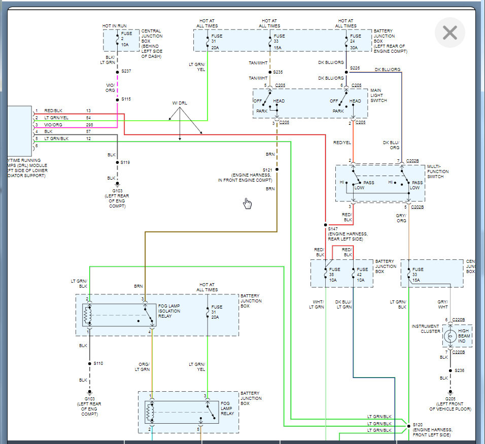
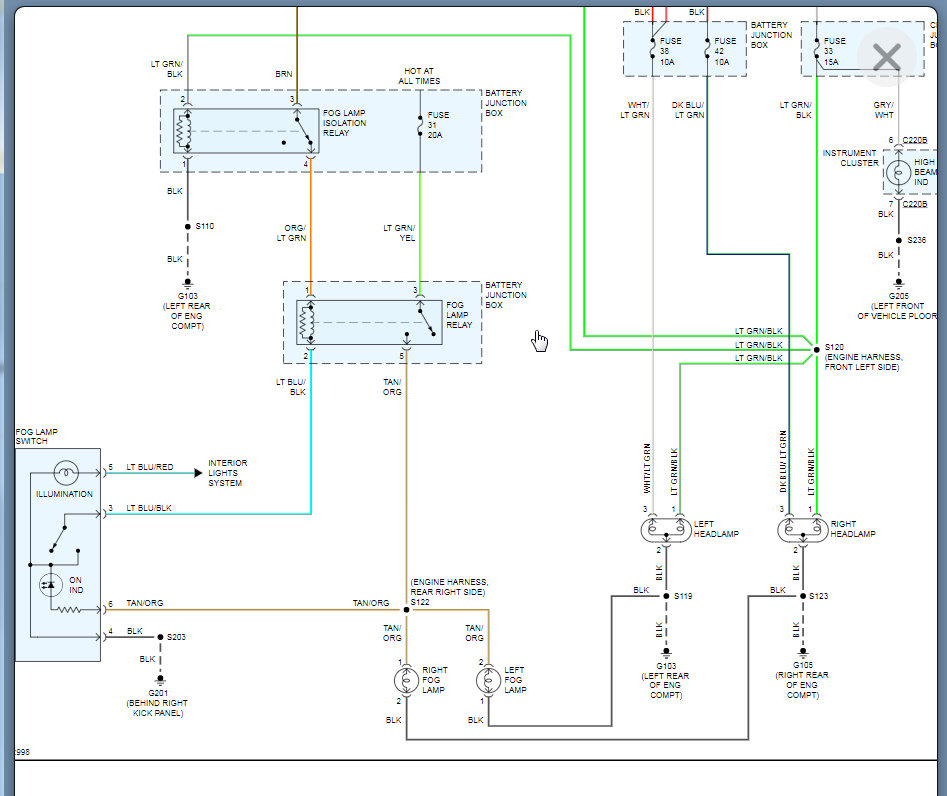
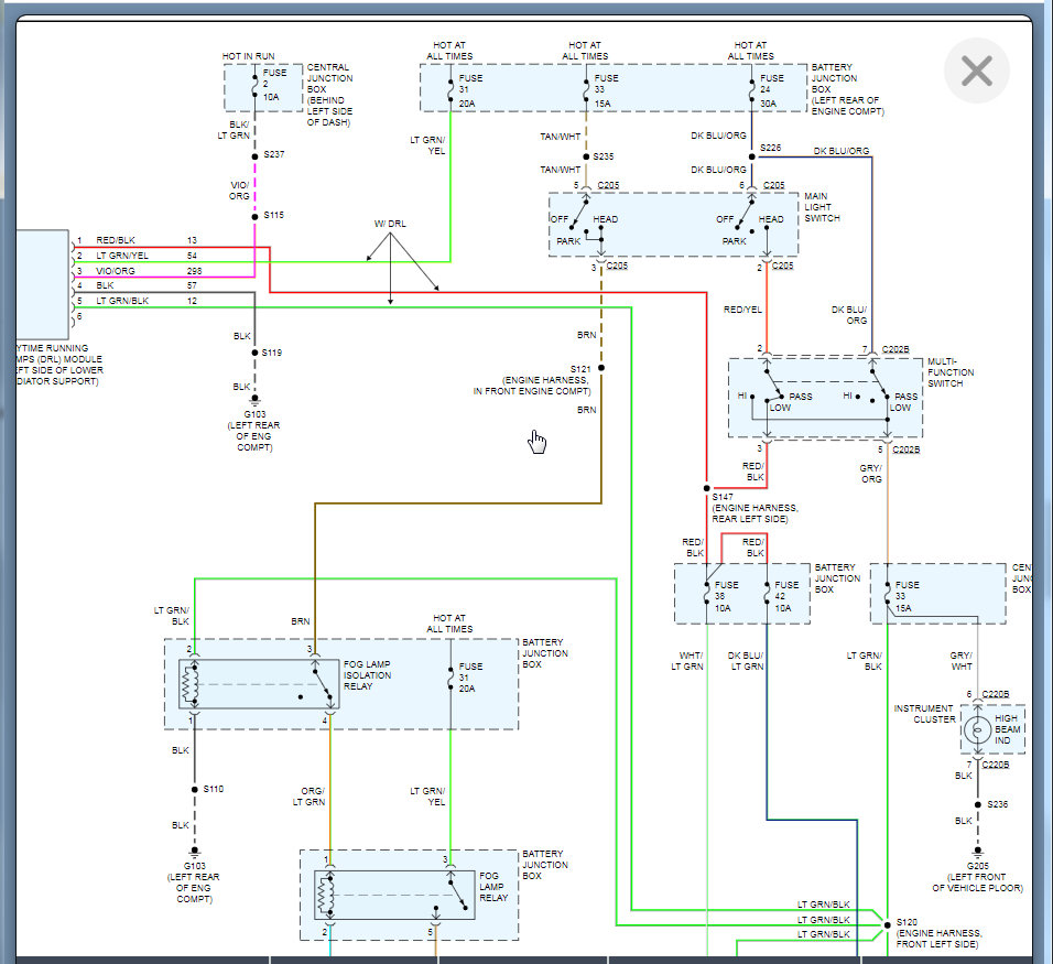
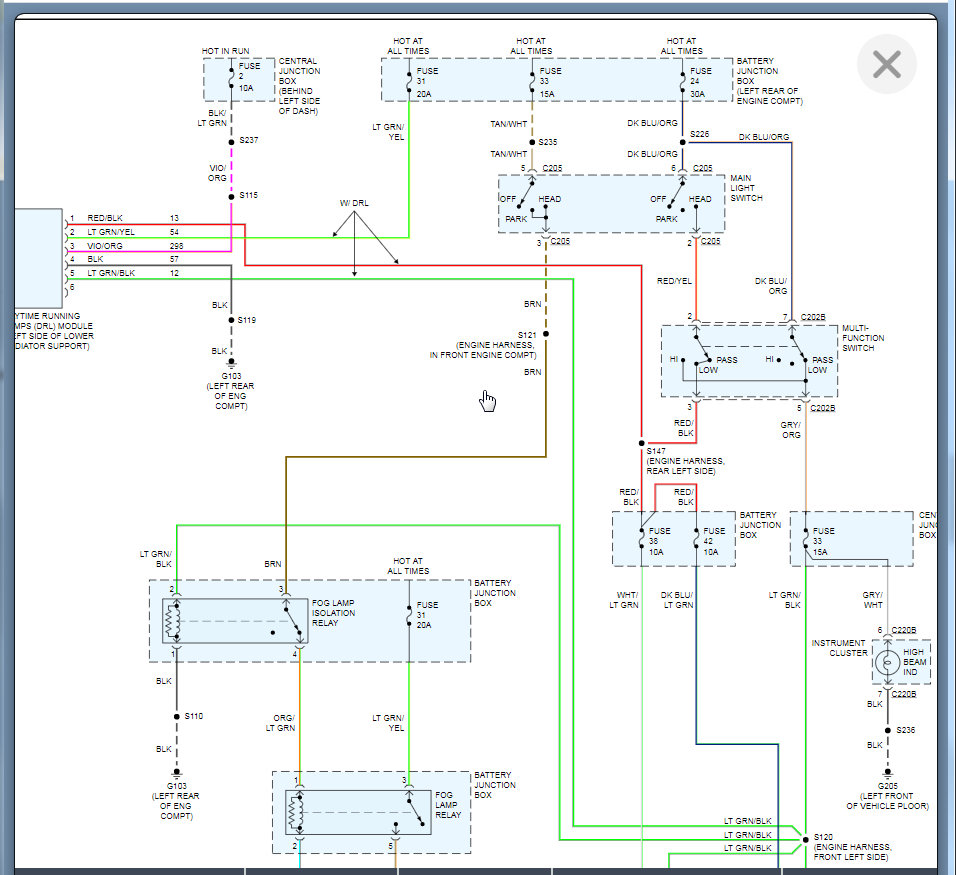
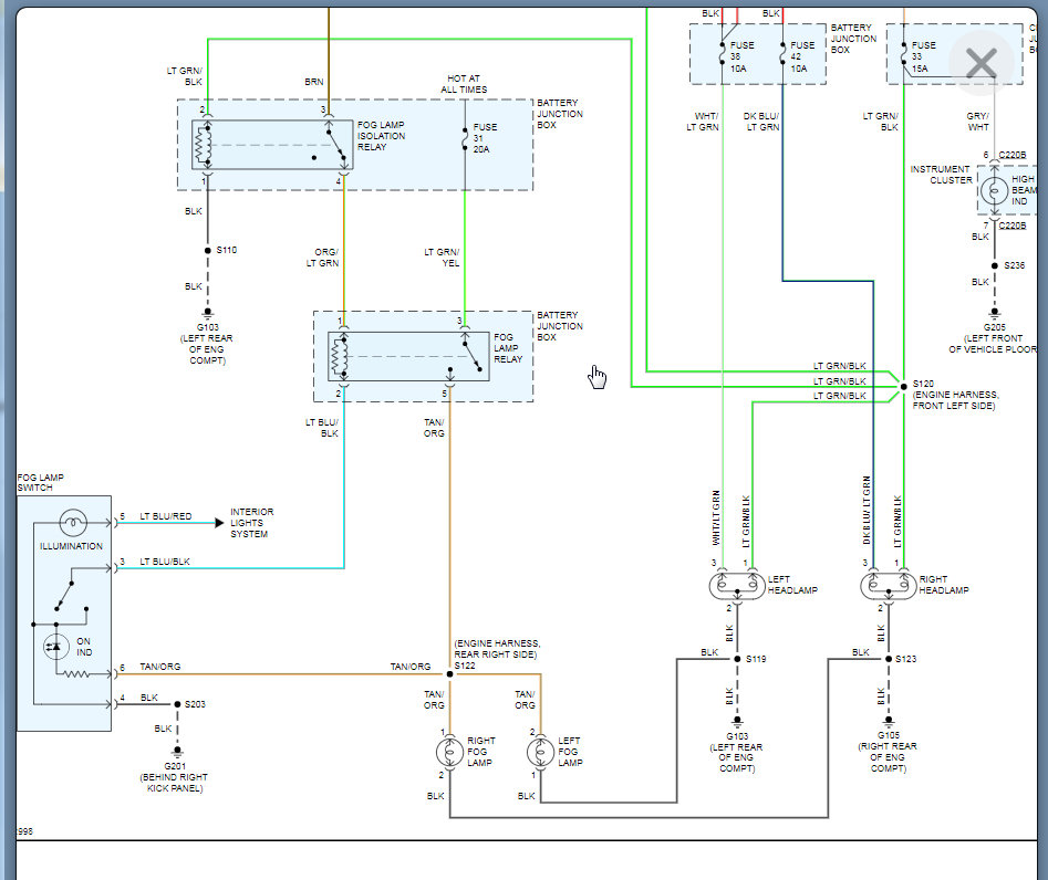
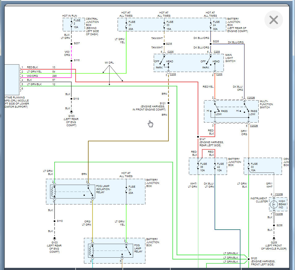
took dash apart to get to dimmer switch. dome lights work of switch but NO dash lights. tested all 4 wire to dimmer and 3 have no voltage and one has 12+. do not know if if is suppose to be like that. i need to figure if its the switch or the wiring.
thanks,Scott
thanks,Scott
Mar 21, 2017 at 2:34 PM




