Dash gauges completely not working

Tiny
MUDDMANTAYLOR
  • MEMBER
  • 1996 FORD EXPLORER
  • 6 CYL
  • 2WD
  • AUTOMATIC
  • 250,000 MILES
The gauges stopped working. The dome lights, radio, and headlights all work. Just no gauges.
Saturday, December 26th, 2020 AT 8:51 PM

1 Reply

Tiny
ASEMASTER6371
  • MECHANIC
  • 52,796 POSTS
Good morning,

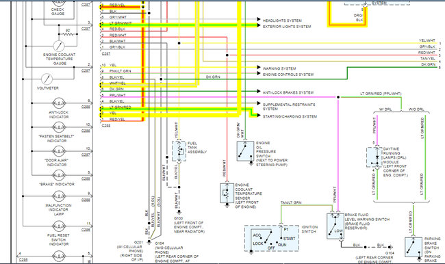
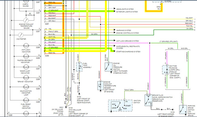
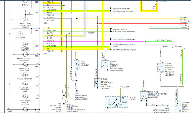
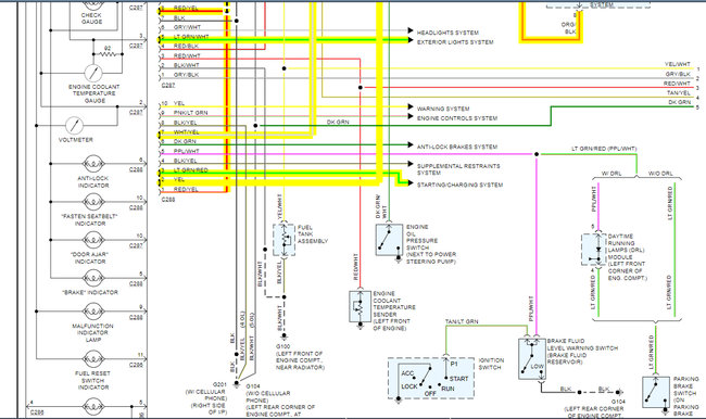
I attached a video for you below to remove the gauge cluster. You need to verify powers to the cluster. From the sounds of it, the cluster is the issue.

https://www.youtube.com/watch?v=dFn5SrV-5EU

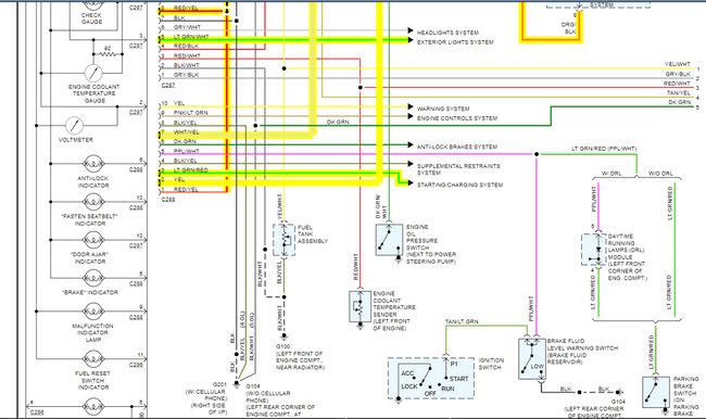
I also attached a wiring diagram for you to view as well. It shows the fuses that control power to the gauges.

https://www.2carpros.com/articles/how-to-check-wiring

https://www.2carpros.com/articles/how-to-check-a-car-fuse

Roy
Was this
answer
helpful?
Yes
No
Sunday, December 27th, 2020 AT 5:52 AM

Please login or register to post a reply.