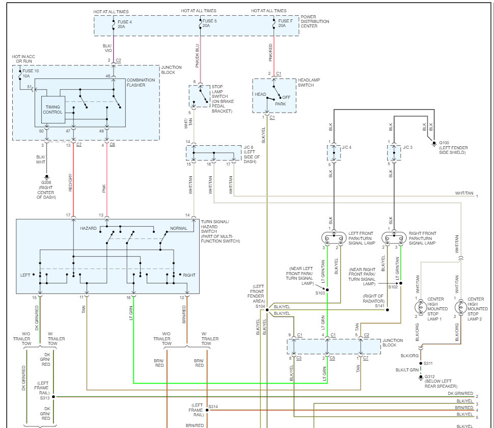
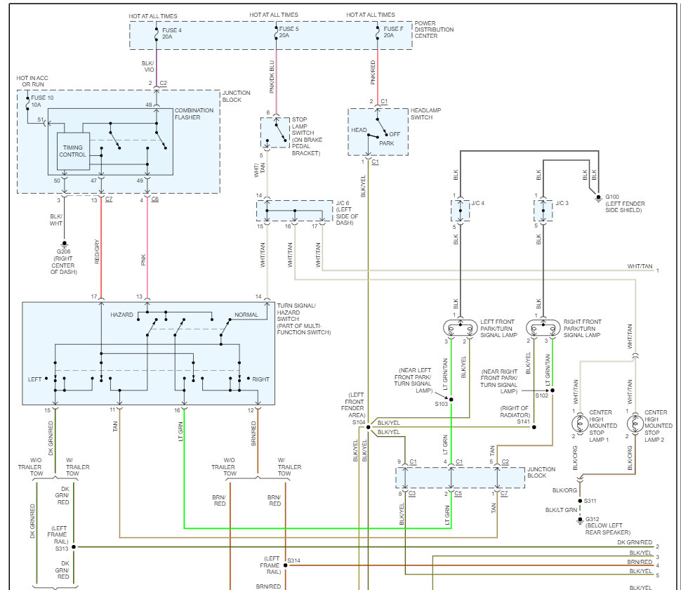
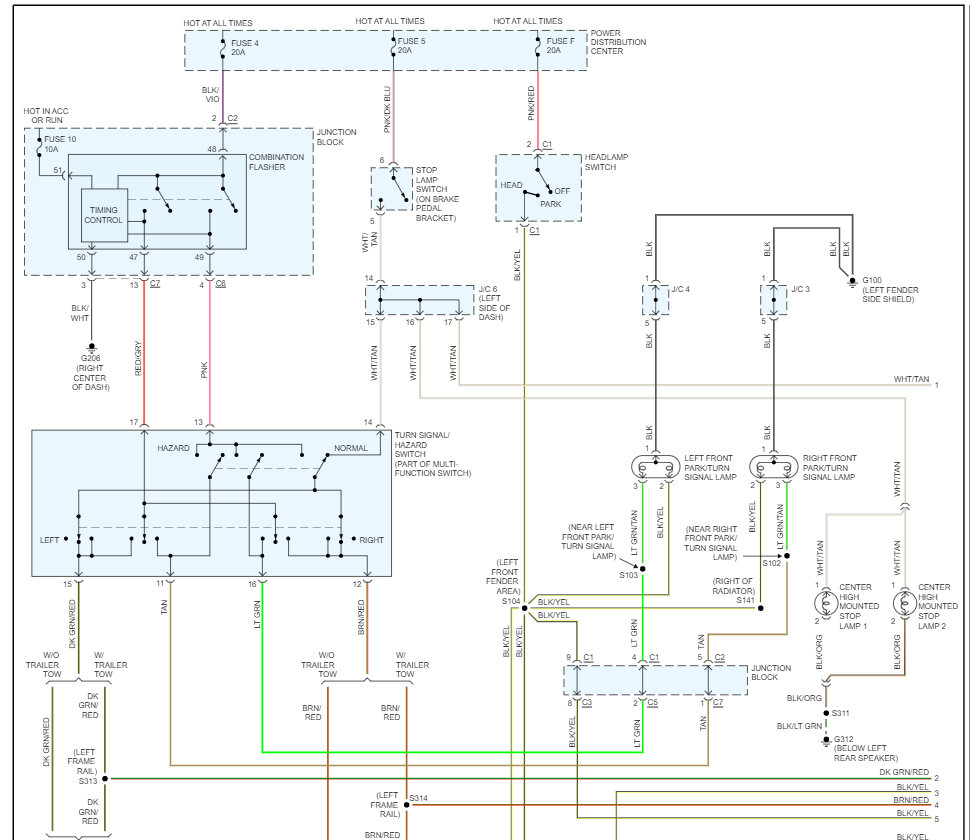
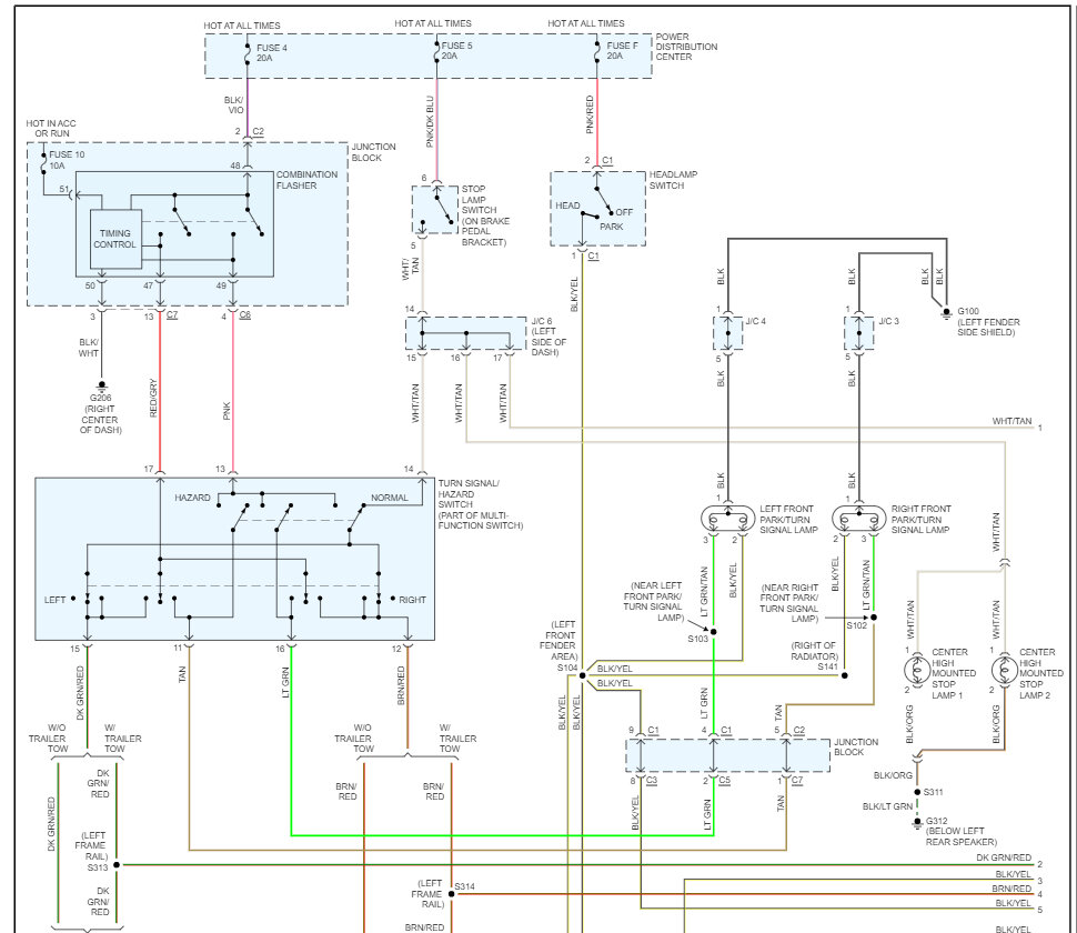
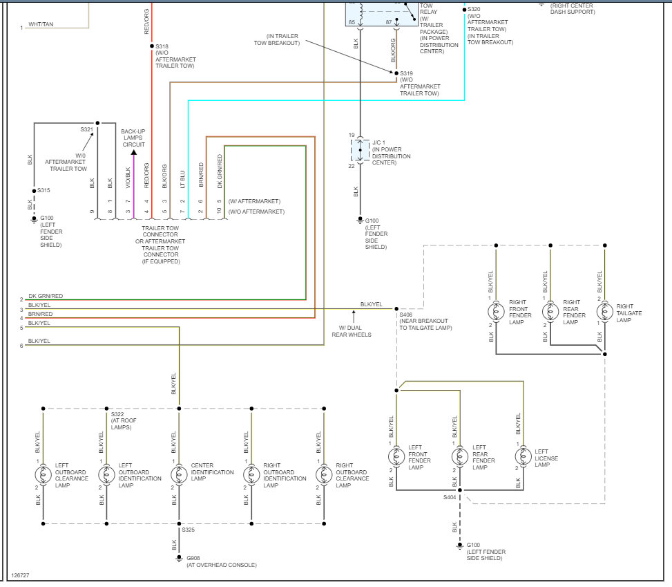
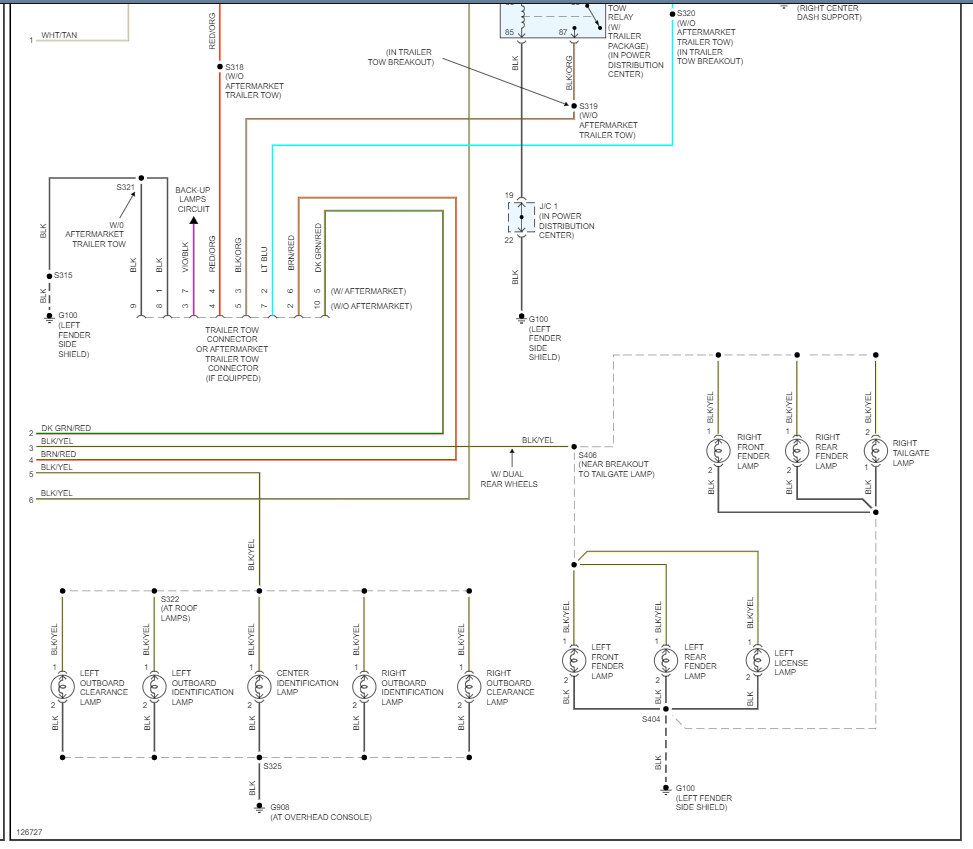
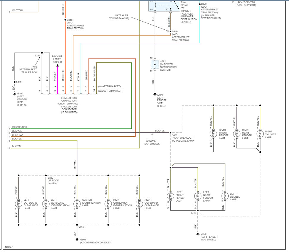
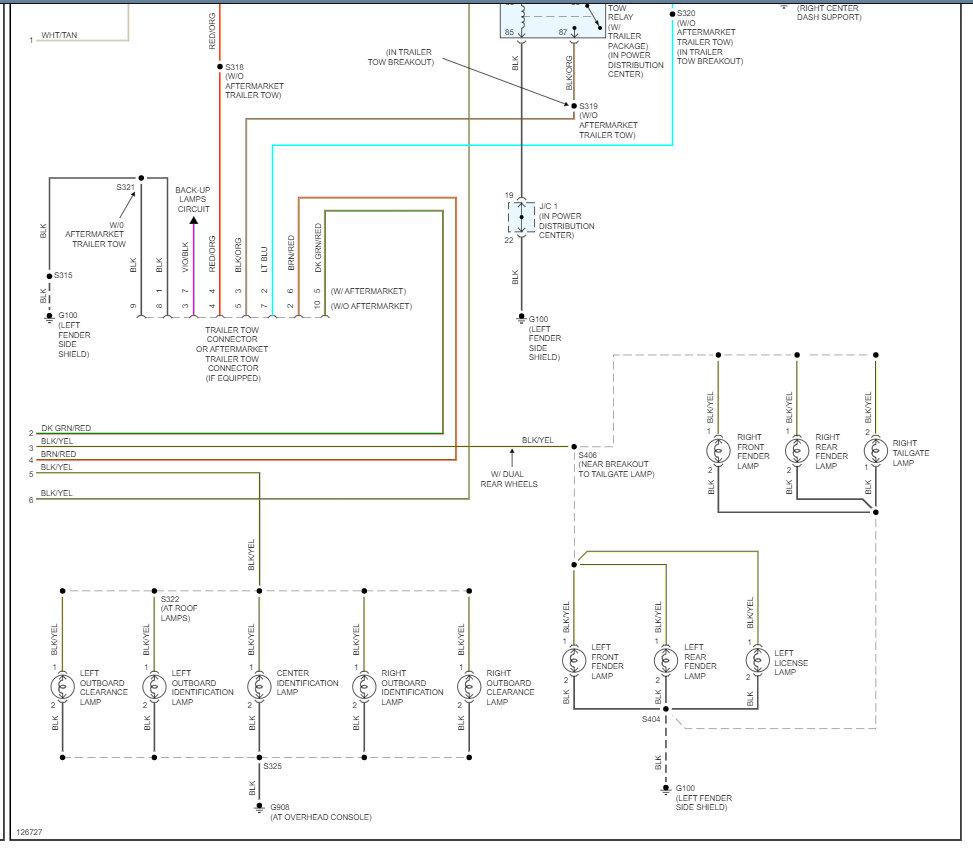
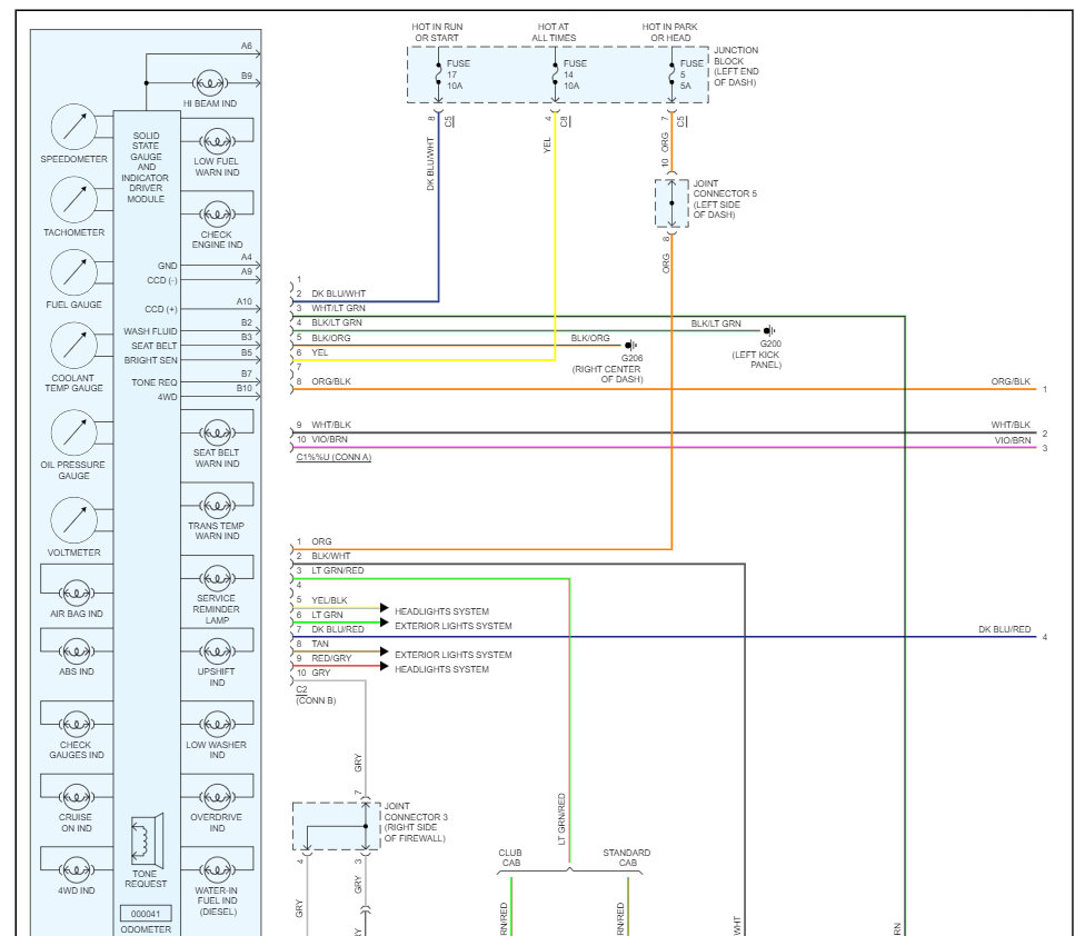
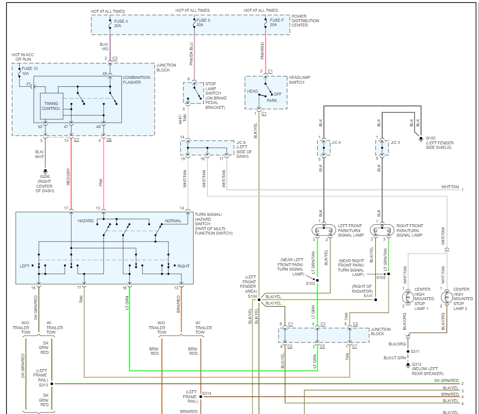
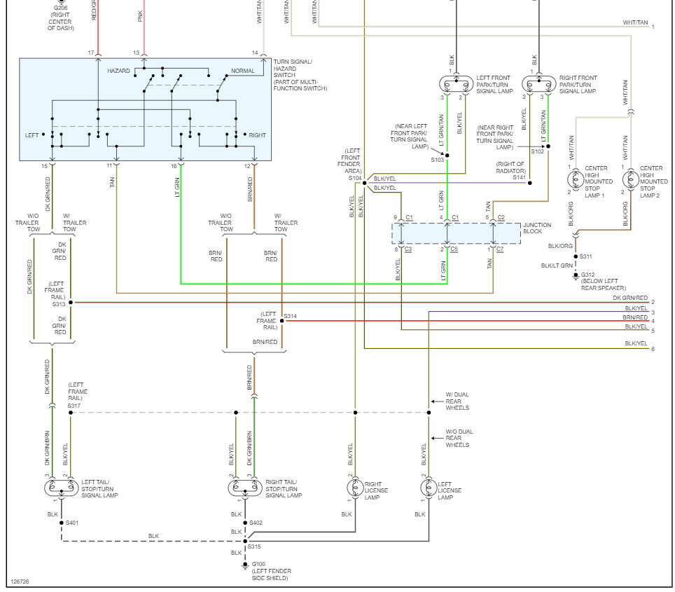
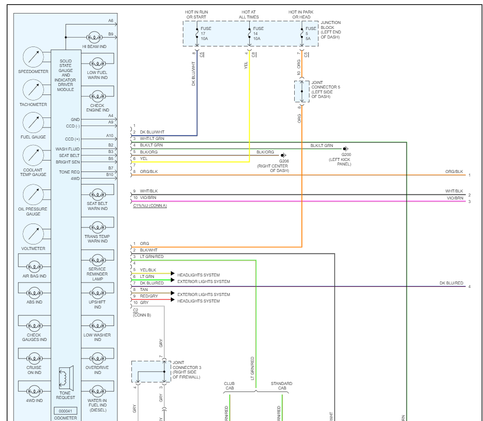
Sunday, June 4th, 2023 AT 2:47 PM
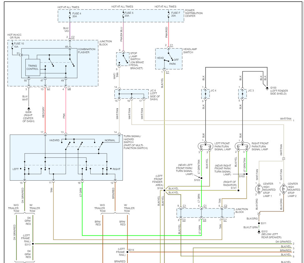
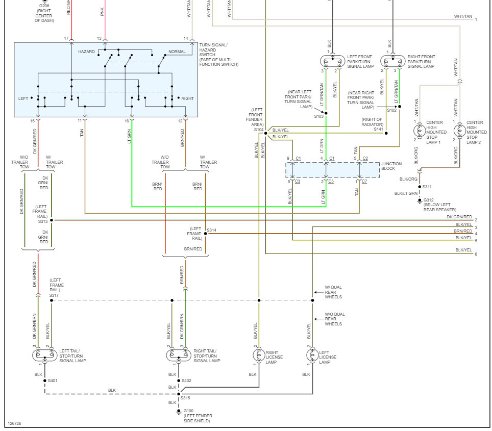
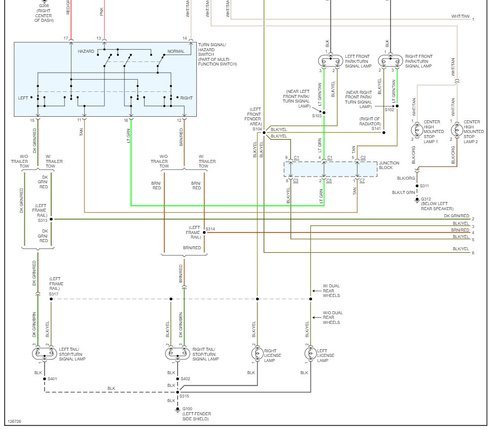
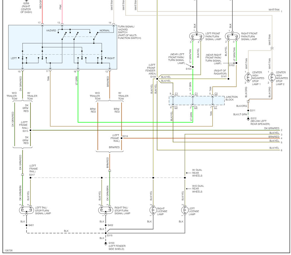
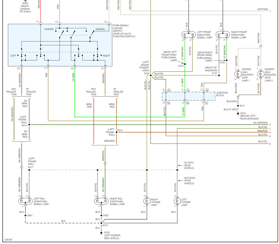
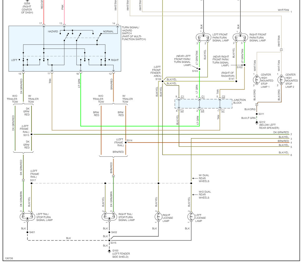
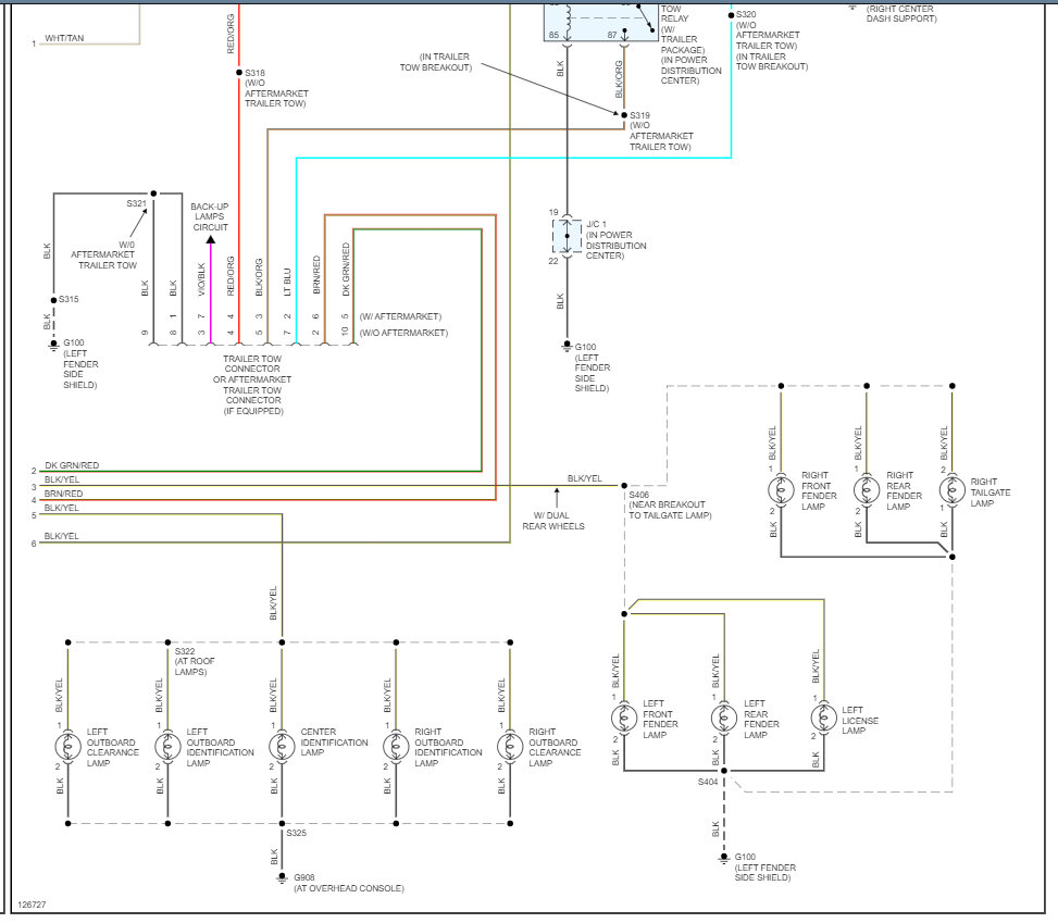
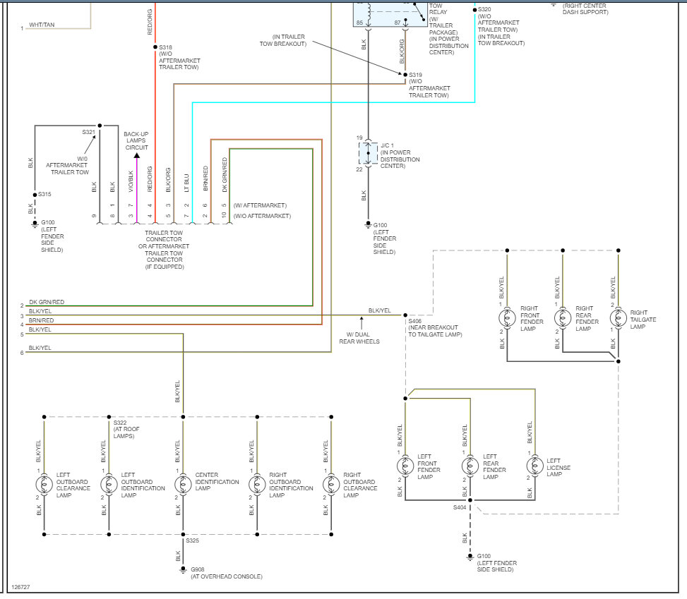
The dash lights won't come on and the blinkers and hazards won't work. I have check fuses relays and grounds, but I cannot find anything wrong.









