Friday, April 24th, 2020 AT 12:35 PM
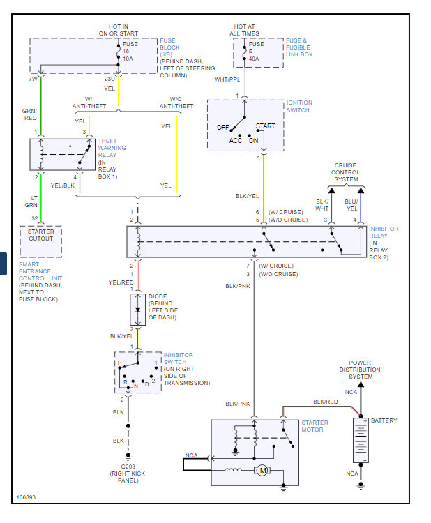
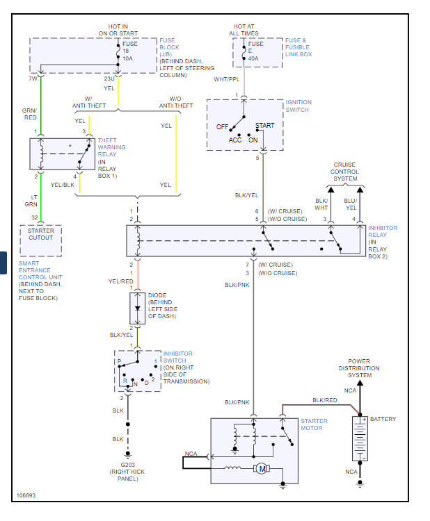
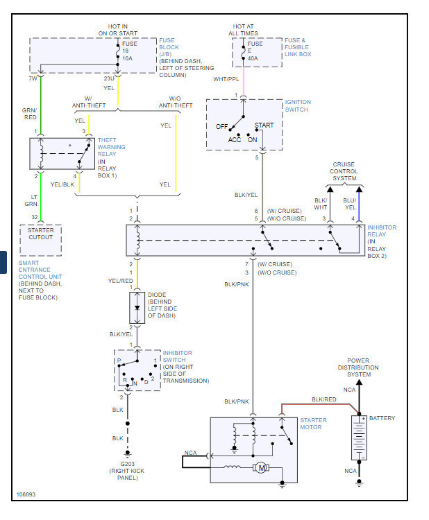
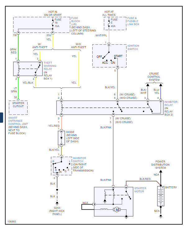
Okay, my boyfriend broke the key off in the ignition of my vehicle listed above SE model. It was running just fine start every time with the broken key still in the ignition and then my dad went and took a pic to pick up the key piece and got it stuck. Now it won't start in the meantime a friend of mine. I cut all the wires to the ignition and the starter in hook the two starter wires together with the ignition wire to put a toggle switch in a push button. Help I don't have a spare key and I don't have the other piece of the key and I have no job and the security alarm system is programmed to the computer of the vehicle. I just want to drive my car please help me.



