Friday, December 22nd, 2017 AT 12:21 PM
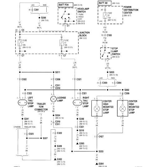
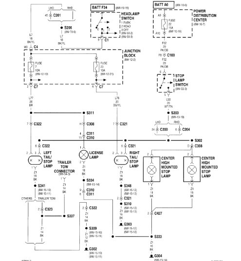
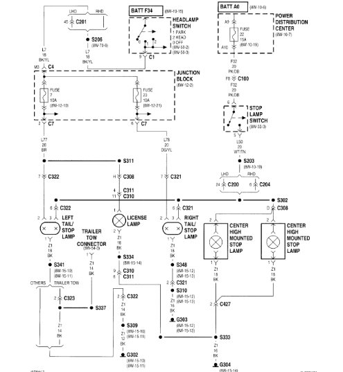
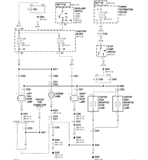
My headlight switch will turn on the running lights and dash lights if I pull it out a very small amount. If I pull it out to turn on the headlights the dash and running lights do not work. I have looked over everything and cannot figure this out. I have replaced my headlight switch three times. I have inspected grounds, fuses, connections. Still lost. Any help will be accepted. I seen someone posted on here in 2008 with the same problem. No answers in the comments of the issue. All the lights work just not together. Either I have running lights and dash lights or I have headlights.


