Cruise control stopped working

Tiny
U7616BOB
  • MEMBER
  • 2008 CADILLAC STS
  • 6 CYL
  • 2WD
  • AUTOMATIC
  • 71,300 MILES
Today, my cruse control stop working. What can I do to solve this problem other than taking it in for an expensive fix at the Cadillac dealership?
Thursday, April 15th, 2021 AT 4:49 PM

3 Replies

Tiny
JACOBANDNICKOLAS
  • MECHANIC
  • 110,194 POSTS
Hi,

The first thing I want to recommend is to have the can-bus system scanned. CAN stands for controller area network. Basically, all modules and computers are tied together via a few wires. This vehicle has a cruise control module. This type of scan will indicate if there are codes stored in it. Here is a video showing how it is done:

https://youtu.be/InIlnsjOVFA

If you want to try a few checks at home, first confirm the brake lights are working properly. A faulty brake light switch can prevent the CC from working.

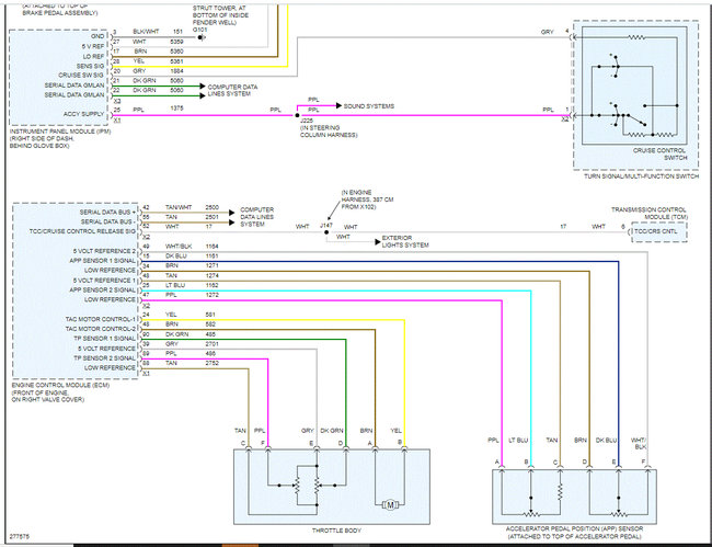
Next, check the ccp fuse in the underhood fuse box. If you look at pics 1 and 2 below, I included the entire wiring schematic related to the CC. I highlighted the fuse to check and showed where it sends power.

When checking the fuse, confirm there is power to and from it. Here is a link to help with that process:

https://www.2carpros.com/articles/how-to-check-a-car-fuse

Here is one to help with checking wiring:

https://www.2carpros.com/articles/how-to-check-wiring

The last pic below shows the fuse location in the fuse box. This is the underhood fuse box.

Let me know what you find or if you have other questions.

Take care,

Joe

See pics below.
Was this
answer
helpful?
Yes
No
Friday, April 16th, 2021 AT 9:01 PM
Tiny
U7616BOB
  • MEMBER
  • 35 POSTS
Thanks Joe for your quick reply. Don't know what has happen. My cruse control has start back working. If it stop one time, I'm sure it will probable start back..

Thanks again for your support
Was this
answer
helpful?
Yes
No
Saturday, April 17th, 2021 AT 10:17 AM
Tiny
JACOBANDNICKOLAS
  • MECHANIC
  • 110,194 POSTS
Hi,

That's an interesting one, but a good one. LOL
If you run into trouble with it again, let me know. I'll try my best to help you.

Take care,

Joe
Was this
answer
helpful?
Yes
No
Saturday, April 17th, 2021 AT 6:26 PM

Please login or register to post a reply.