Cruise control will not work

Tiny
MO-SAN
  • MEMBER
  • 2007 CHEVROLET TAHOE
  • 5.3L
  • V8
  • 4WD
  • AUTOMATIC
  • 108,000 MILES
Couple of weeks ago, while using my cruise control, suddenly a burning smell occurred in my truck for a brief moment like a burning coil and after that, the cruise control stopped working. There is no light on the dash showing on. I later read online to see what the cause is and in general is all about brake light switch replacement. Even though my brake lights are not burnt out and just to my curiosity, I replaced the brake switch with a spare on hand to see if the will be any luck and there was not. Scan reader did not picked out any codes. This brings me back to one of your pro mechanics (HMAC 300) who wrote below as coat "(Have a pro scan for codes it may be the coil in steering wheel is bad or a body module problem. Could also be a lan problem). Uncoat""So, how do I get to this coil? What does it look like? Is it replaceable as a DIY?What is the official part name of this coil? A solution to this issue will highly be appreciated.

Thanks,
Mo-san
Monday, August 21st, 2017 AT 7:52 PM

7 Replies

Tiny
KEN L
  • MASTER CERTIFIED MECHANIC
  • 55,417 POSTS
Yes the clock spring as it is called can be replaced by removing the steering wheel. This is a high failure part. Here is a guide and some diagram (Below) so you can look at the job to see if its something you want to do. These guides give you an idea you car will be a little different and the steering wheel will need a puller.

https://www.2carpros.com/articles/air-bag-removal-steering-wheel

and

https://www.2carpros.com/articles/steering-wheel-clock-spring-removal with video

Please let us know what happens.

Cheers, Ken
Was this
answer
helpful?
Yes
No
Tuesday, August 22nd, 2017 AT 3:09 PM
Tiny
MO-SAN
  • MEMBER
  • 31 POSTS
Thanks Ken, I have just ordered my parts and will keep all updated on how things went.
Was this
answer
helpful?
Yes
No
Friday, August 25th, 2017 AT 3:25 PM
Tiny
MO-SAN
  • MEMBER
  • 31 POSTS
Hello to all,
I have replaced the clock spring from Dorman type 525-032 & I still have no cruise control working. I'm 100% sure a burning smell came around underneath the steering column wiring harness. This could be another waste of bucks, but before getting another clock spring from the dealership which comes with the whole wiring harness and not like the one from Dorman, what next should I be looking at? Some answers will highly be appreciated. Thanks
Was this
answer
helpful?
Yes
No
Sunday, September 10th, 2017 AT 6:44 AM
Tiny
KEN L
  • MASTER CERTIFIED MECHANIC
  • 55,417 POSTS
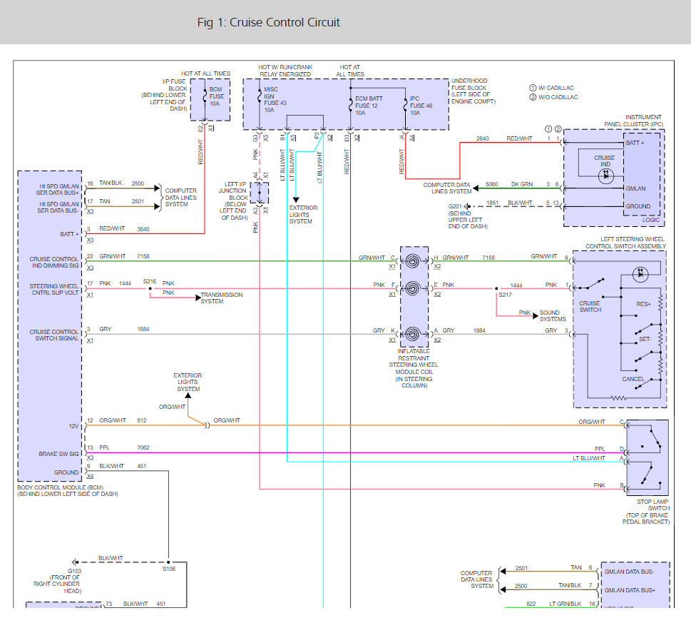
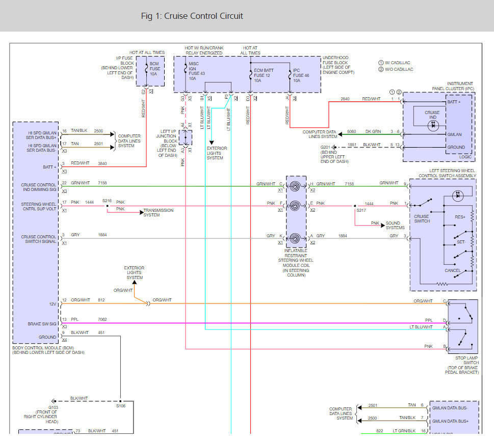
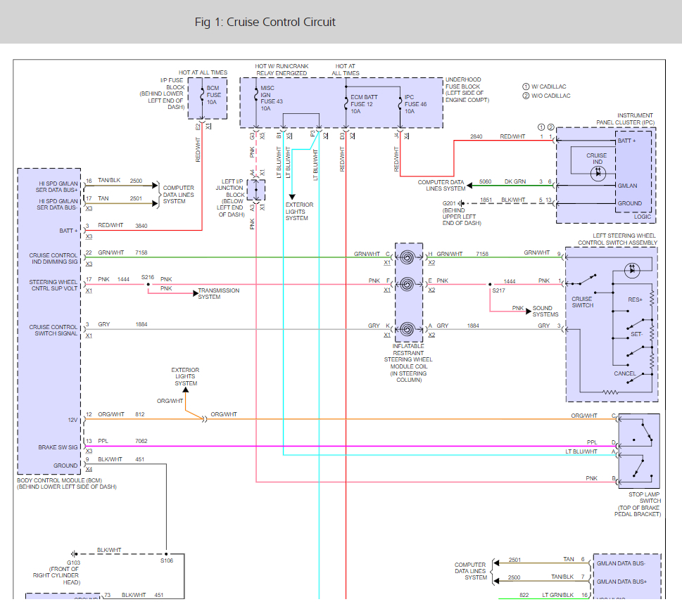
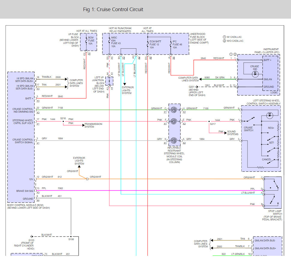
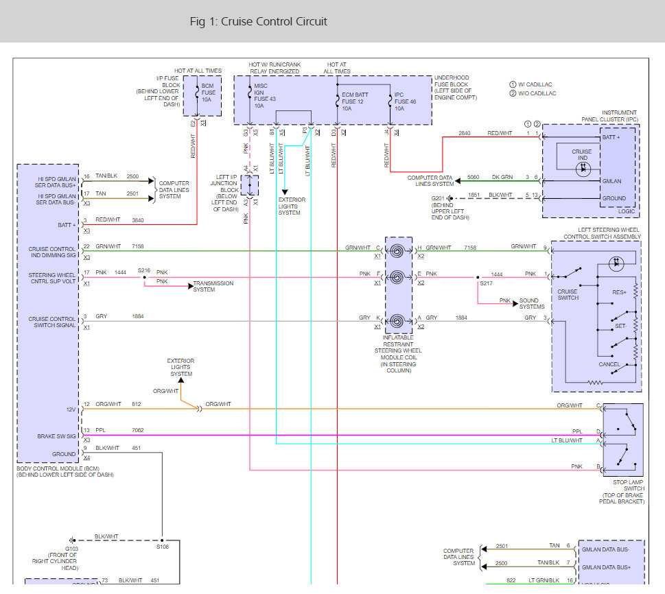
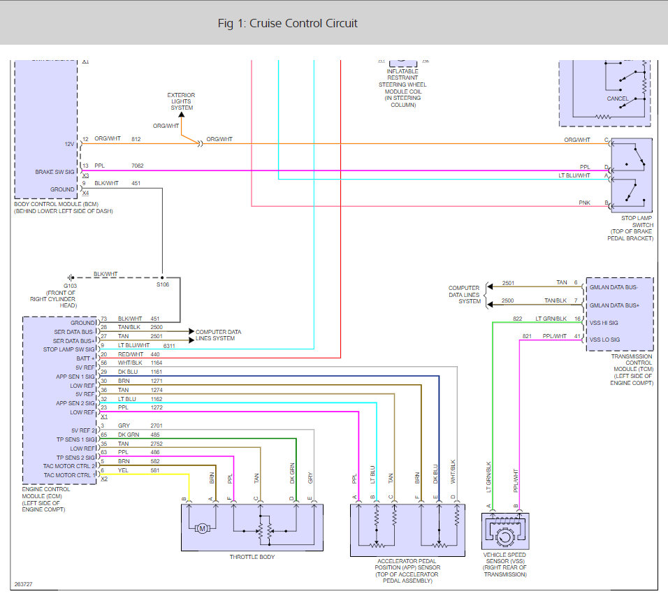
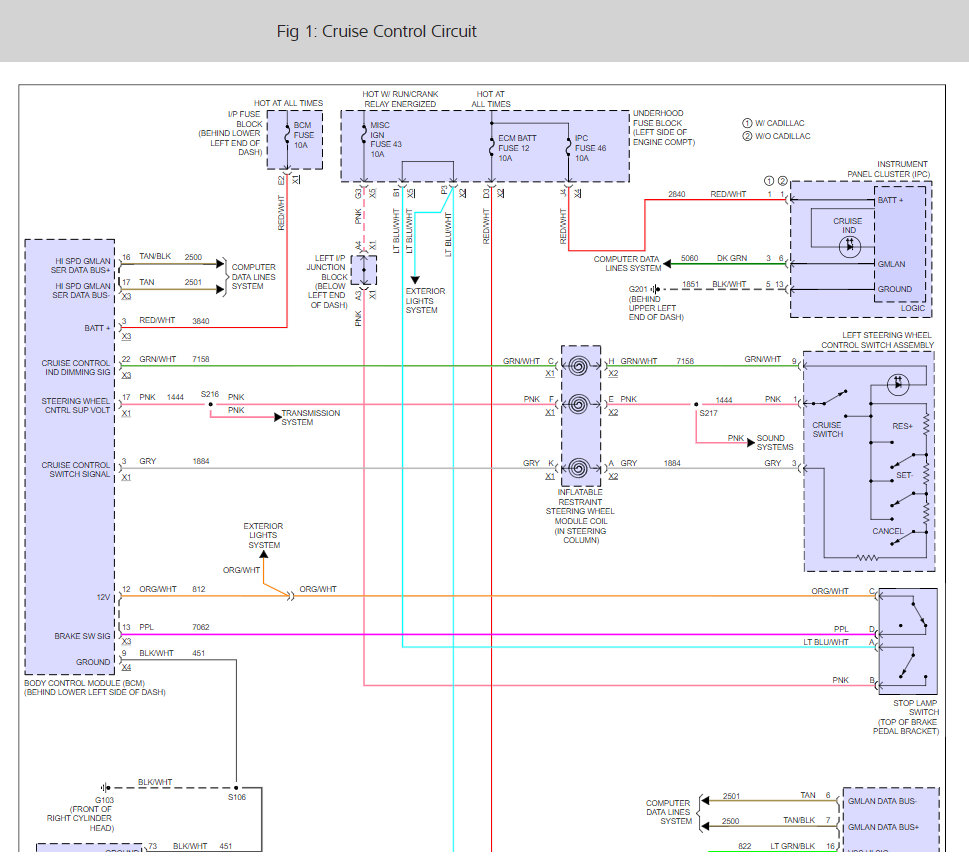
It may have rubbed some wires through or something, you will need to inspect the wiring, here is a wiring diagram and the fuse locations so you can keep testing.

https://www.2carpros.com/articles/how-to-check-wiring

and

https://www.2carpros.com/articles/how-to-check-a-car-fuse

Please let us know what you find.

Cheers, Ken
Was this
answer
helpful?
Yes
No
Monday, September 11th, 2017 AT 9:50 AM
Tiny
MO-SAN
  • MEMBER
  • 31 POSTS
Thanks Ken, will keep all updated when I get my hands on.
Was this
answer
helpful?
Yes
No
Wednesday, September 20th, 2017 AT 5:52 AM
Tiny
MO-SAN
  • MEMBER
  • 31 POSTS
Hello Ken, is been awhile. I had a shop used their scan tool to check for further problems and nothing has been found after checking the wiring diagram my self. Miraculous, the cruise control has started working again after the professional scan tool was used. Could this be the scan tool has changed something. But overall, I’m happy to see it working. Thanks
Was this
answer
helpful?
Yes
No
Monday, November 13th, 2017 AT 6:37 AM
Tiny
KEN L
  • MASTER CERTIFIED MECHANIC
  • 55,417 POSTS
You gotta love a car that fixes itself :) Thanks for getting back to us

Please use 2CarPros anytime, we are here to help. Please tell a friend.

Cheers, Ken
Was this
answer
helpful?
Yes
No
Monday, November 13th, 2017 AT 10:57 AM

Please login or register to post a reply.