Cruise control

Tiny
SANDYANDCHRIS01
  • MEMBER
  • 1999 HONDA CIVIC
  • 4 CYL
  • FWD
  • AUTOMATIC
  • 158,000 MILES
When I press the button on my dash to turn my cruise control on. The light on the dash will come on but it does not work. I checked the fuse under the dash and its good but still nothing. Also the light does not come on where the speedometer is.
Wednesday, March 22nd, 2017 AT 12:19 AM

1 Reply

Tiny
KASEKENNY
  • MECHANIC
  • 18,907 POSTS
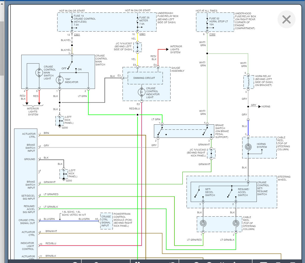
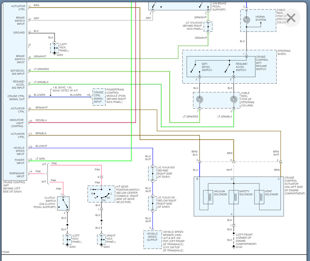
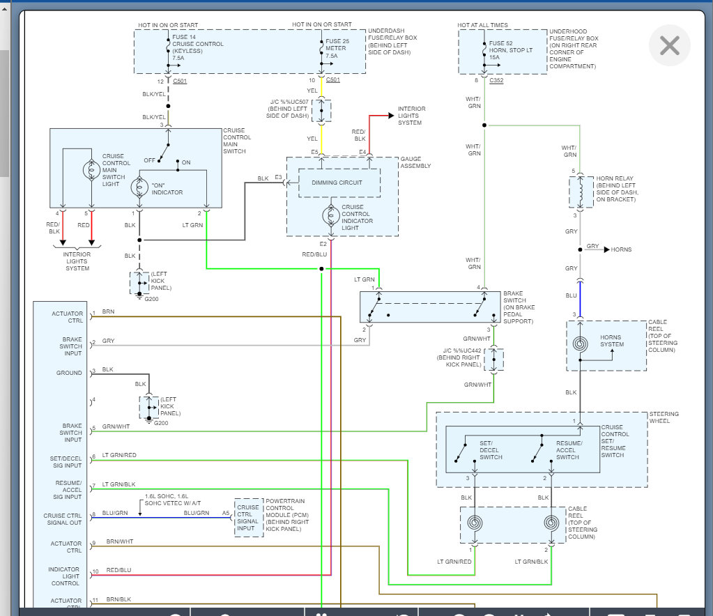
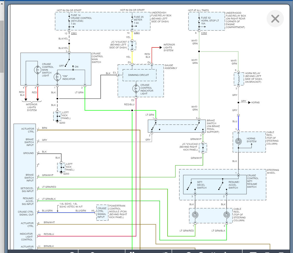
If the light on the dash comes on, then this means the system is working to actuate the cruise, but the system is being disabled or the actuator is failing.

So, we need to start with suspecting the brake switch is staying slightly applied which happens as they start fail.

If you have a scan tool, then you can monitor the switch but if not then try unplugging the switch and see if it works. Keep in mind your brake lights will not work so do this in a safe location.

After this we need to check the voltage going to the actuator when it is applied to find out if it is being commanded on. If it is, then the actuator has failed.

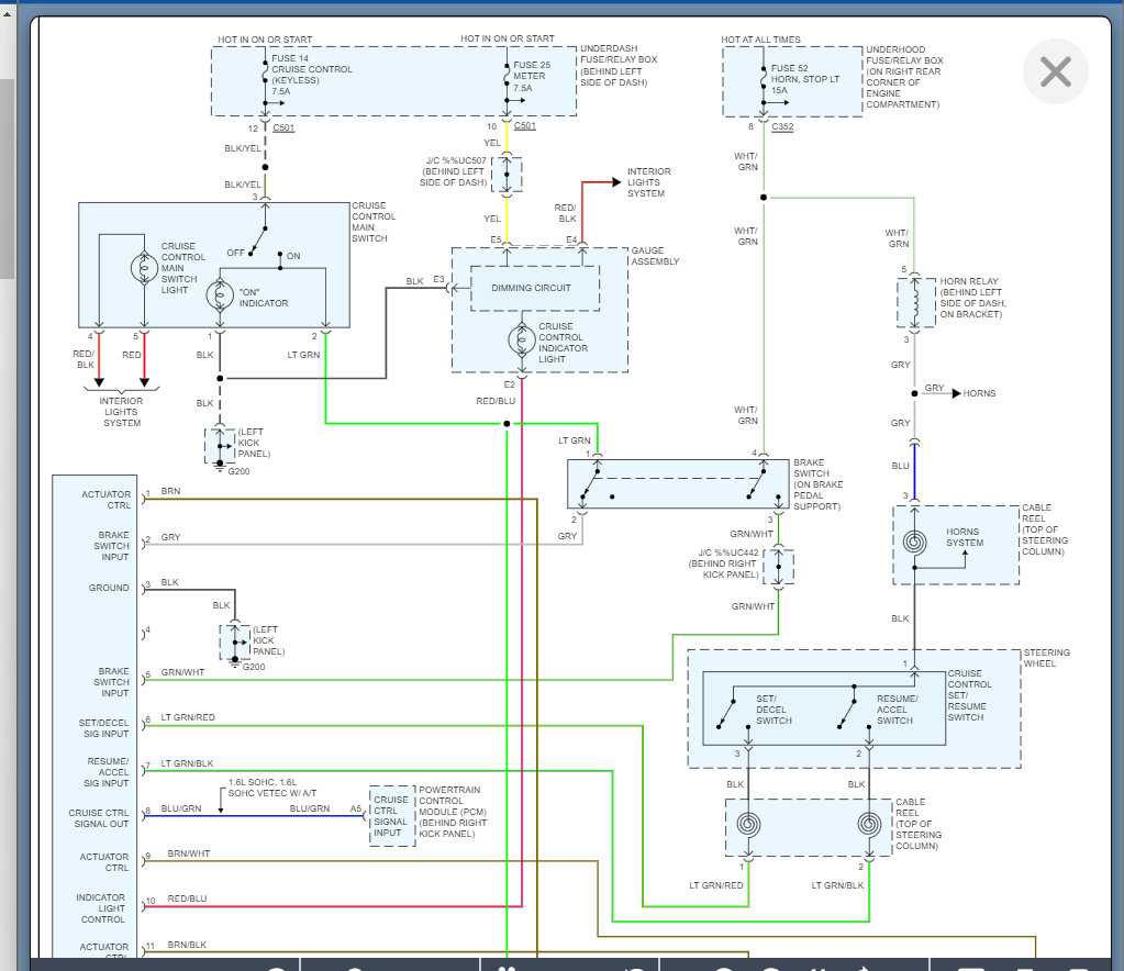
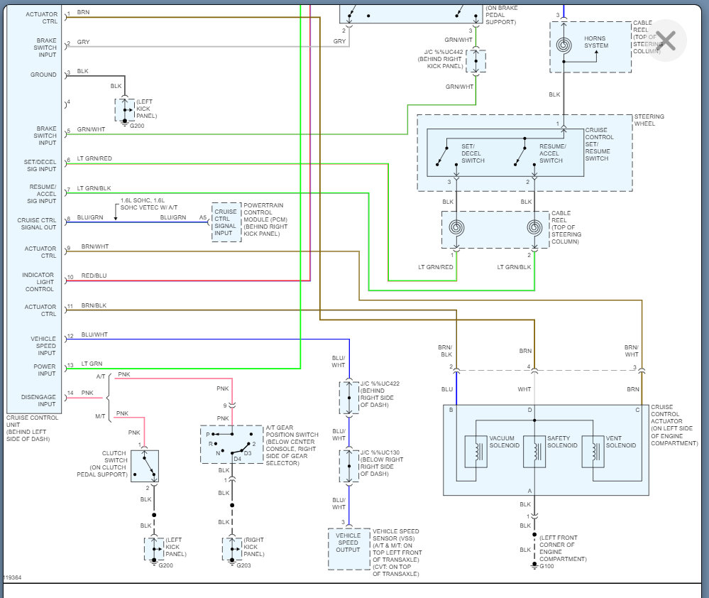
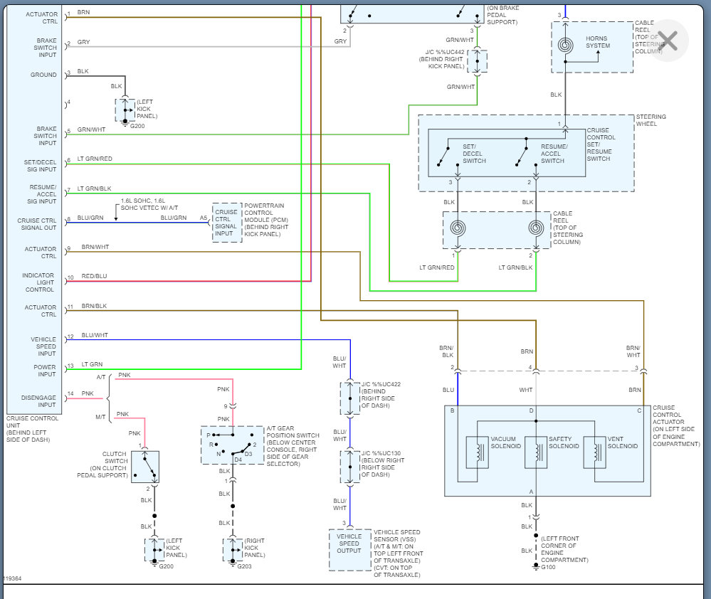
https://www.2carpros.com/articles/how-to-check-wiring

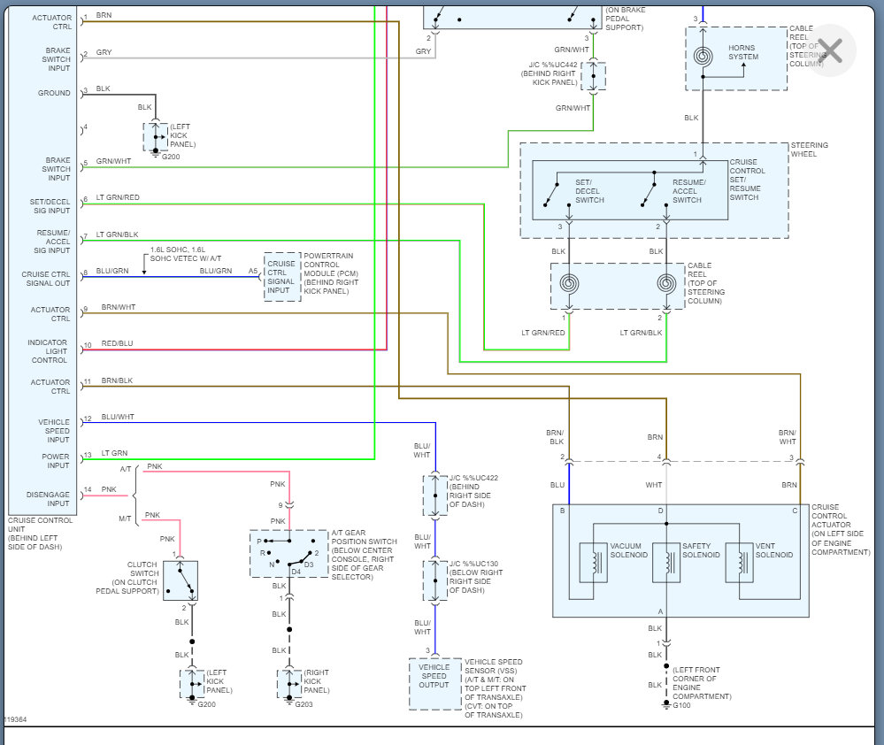
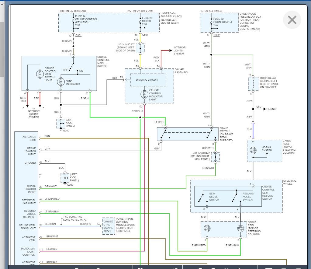
I attached the wiring diagrams below so please run through this material and let me know what questions you have.

Thanks
Was this
answer
helpful?
Yes
No
Sunday, March 27th, 2022 AT 7:38 PM

Please login or register to post a reply.