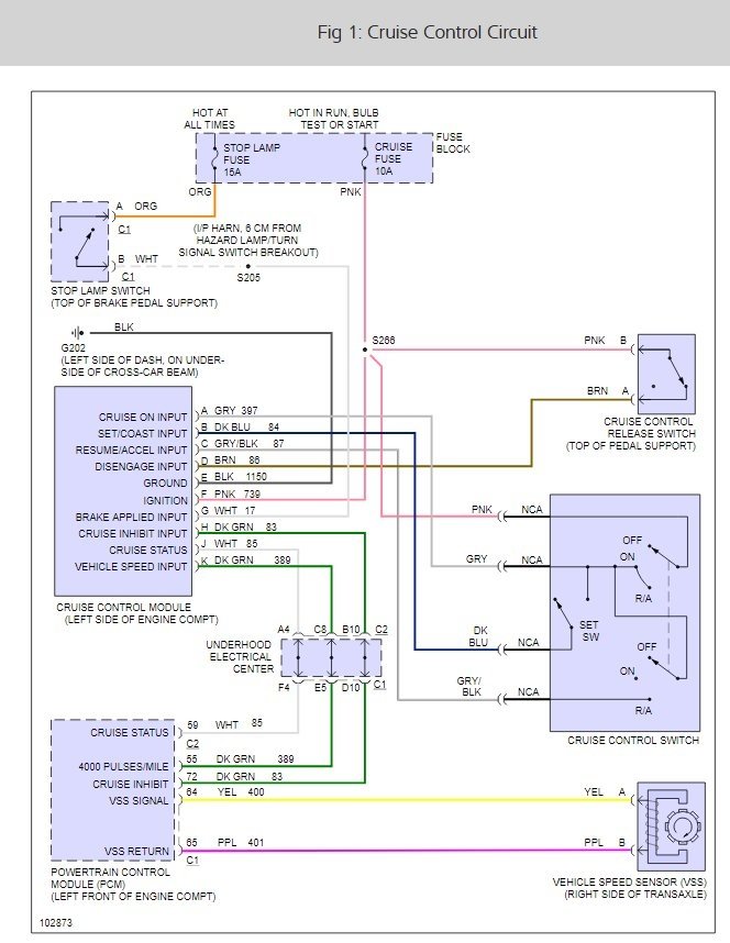
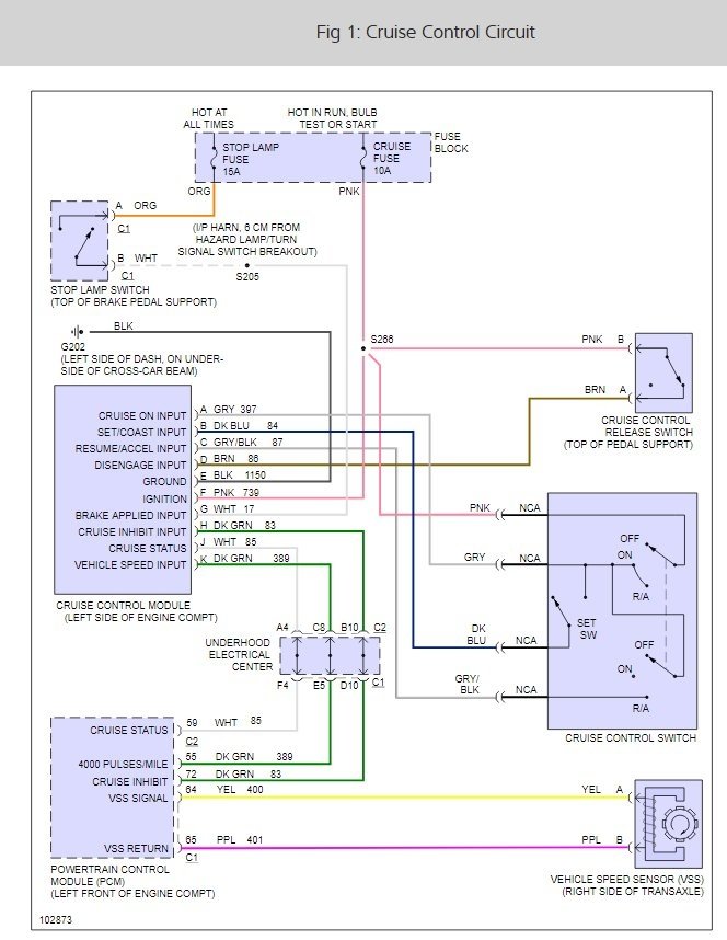
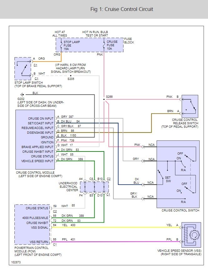
Thursday, June 22nd, 2017 AT 6:53 PM
Cruise control shuts off while driving but only when it is hot out. It will work after it cools back down for a little while than will shut off again. In cooler weather it never shuts off. Only if it gets around sixty five degrees or hotter.

