Friday, September 15th, 2017 AT 4:43 AM
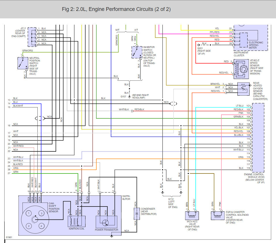
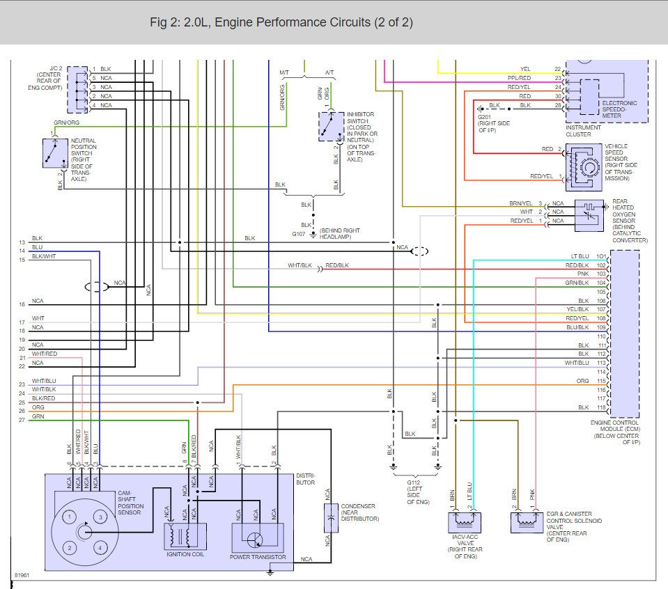
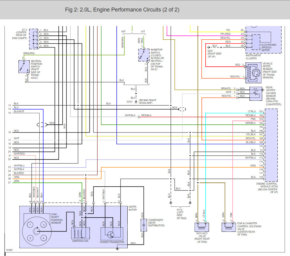
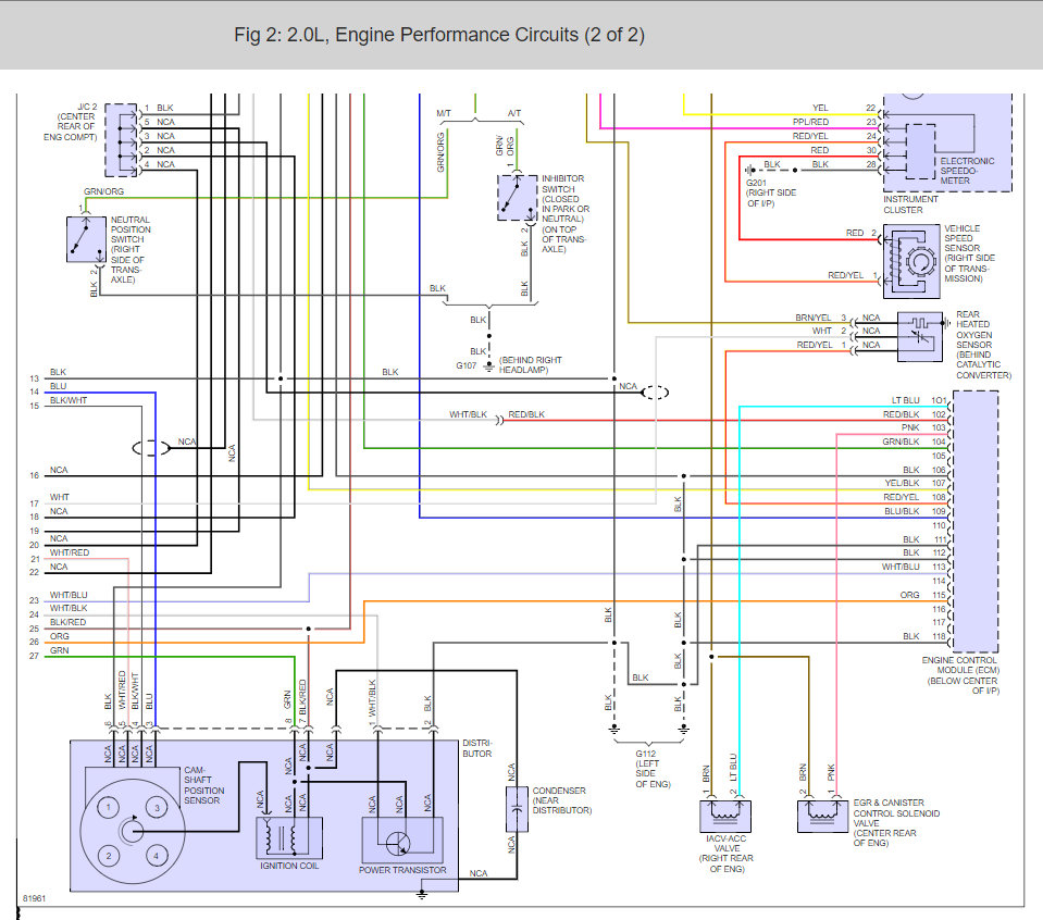
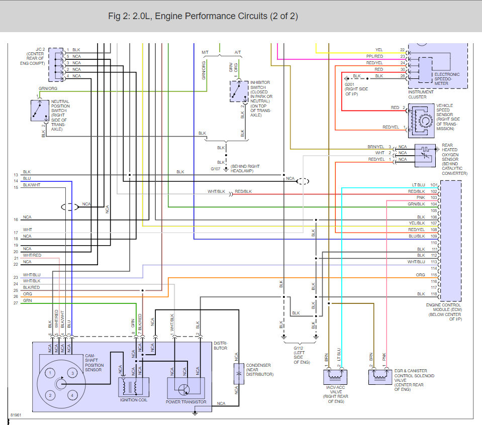
Crankshaft position sensor. Can you tell me if I am supposed to have a 5 V reference signal on the black wire at the crankshaft position sensor? Also, what should my resistance be when the engine is running? And how should I test the voltage on the crankshaft position sensor when the engine is running? Any assistance would be greatly appreciated. Thank you so much for your time.




