Wednesday, September 4th, 2019 AT 9:34 AM
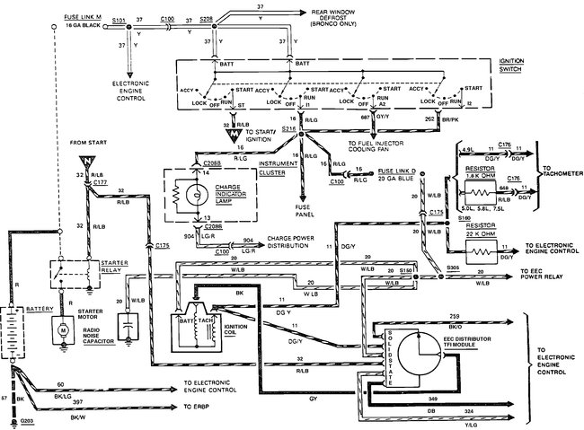
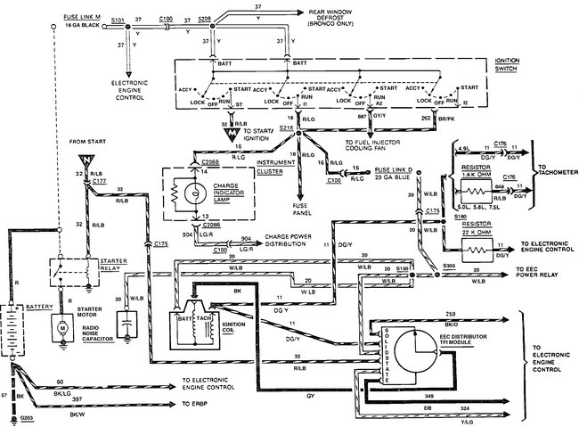
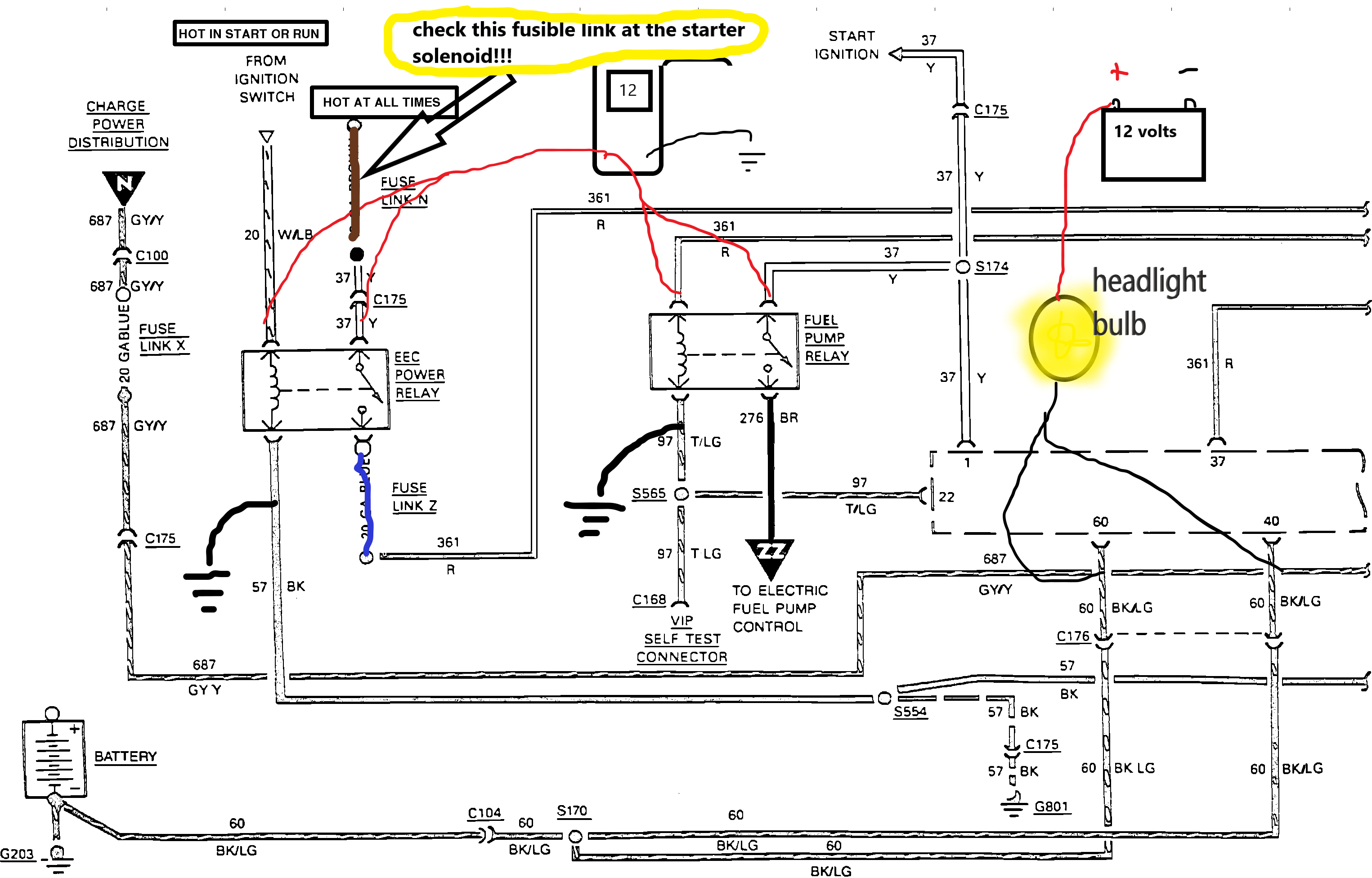
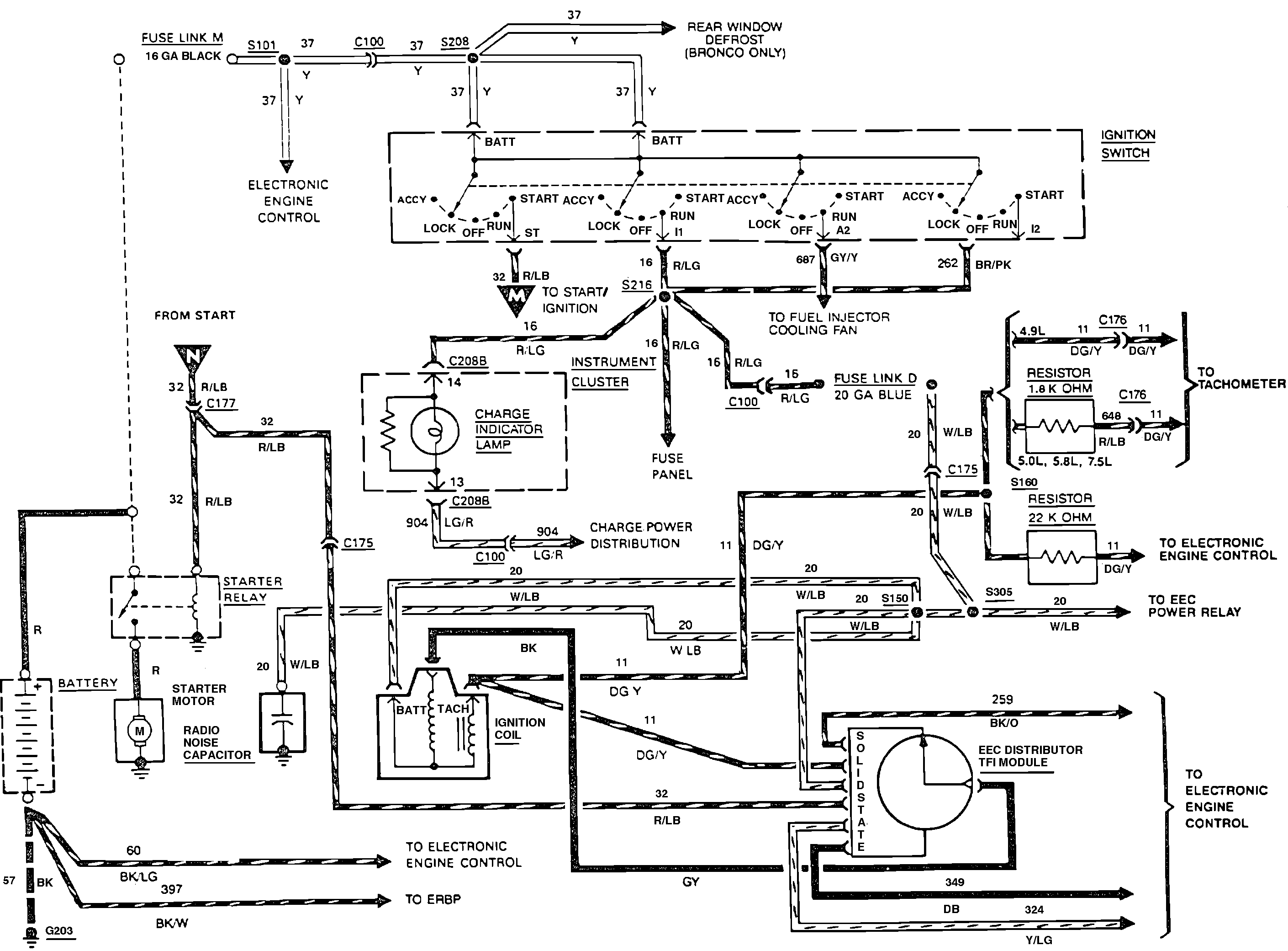
This truck was hard to start when cold and had an erratic idle. I decided to give it a little tune up. After changing a solenoid relay and plugs and wires distributor cap and rotor it now will not start. I checked several times to make sure all wires were in place and on the distributor cap like they should be. It acts like timing is way off. Don't know how that would happen I did not turn it over when I had distributor cap off. The truck did have some strange electrical issues like if the radio was on and you turn the headlights on the radio would go off. I am wondering if in the process if I did not short something out and it fried the EEC. Have you heard of a engine jumping timing like that? I have spark and I have fuel pressure.



