Cranks but no start

Tiny
DANIEL ZAMPIERI
  • MEMBER
  • 1995 JAGUAR VANDEN PLAS
  • 4.0L
  • 6 CYL
  • 2WD
  • AUTOMATIC
  • 100,000 MILES
Volt gauge not working, fuel gauge not working, tachometer does not move when cranking. No spark, no fuel pump when turning key on or when cranking. All the indicators in cluster are not working. All the fuses are okay.
Friday, March 26th, 2021 AT 12:57 PM

8 Replies

Tiny
JACOBANDNICKOLAS
  • MECHANIC
  • 110,194 POSTS
Hi,

Is there anything electrical on the vehicle that works? For example, do the headlamps work or the brake lights?

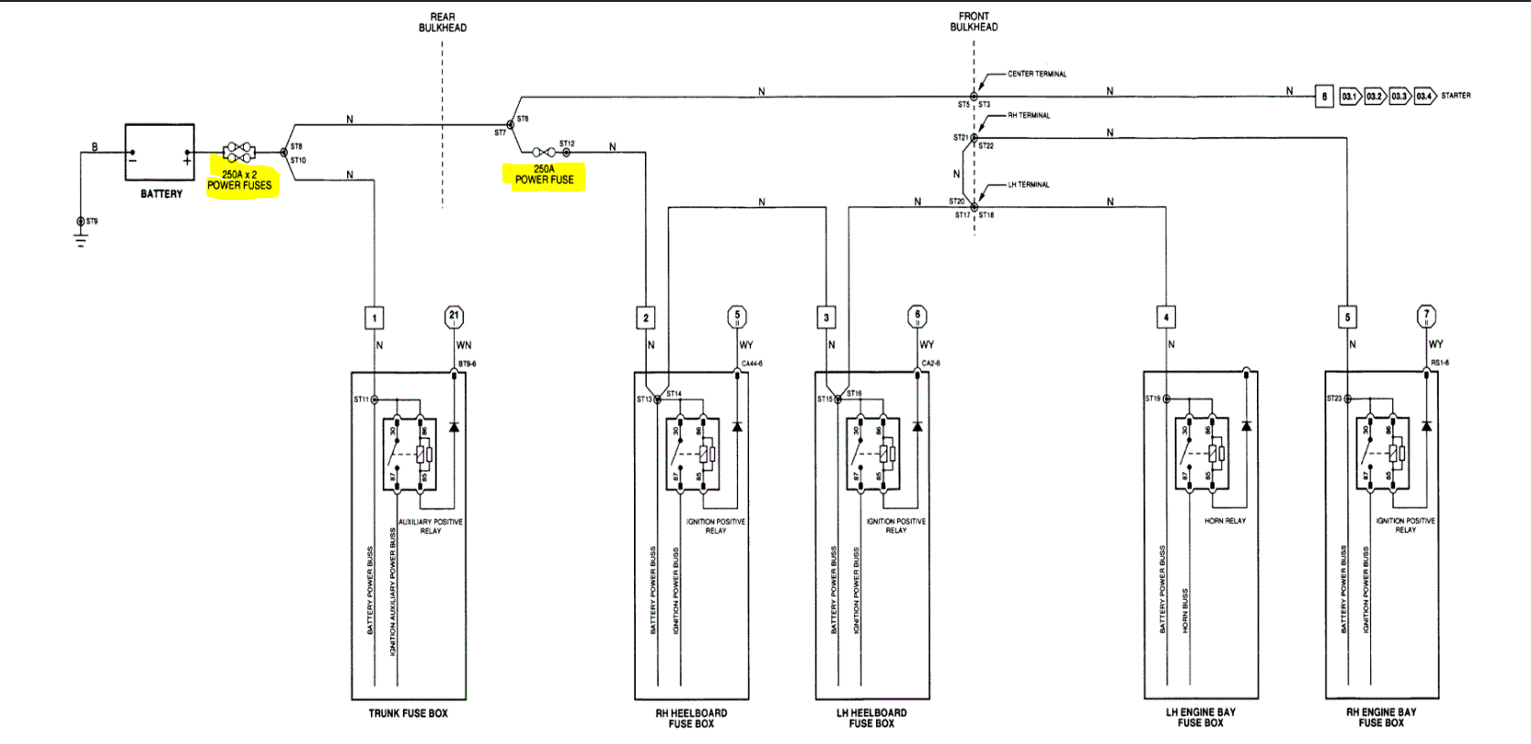
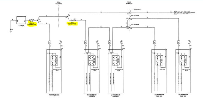
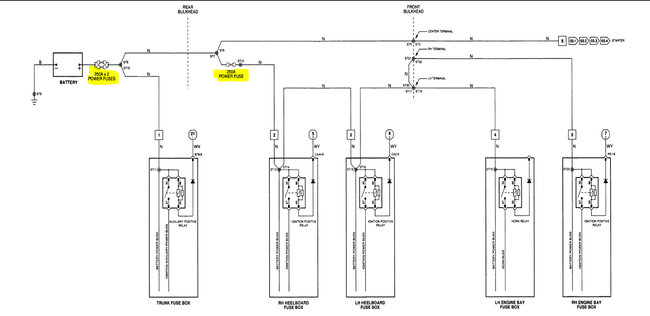
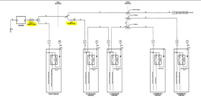
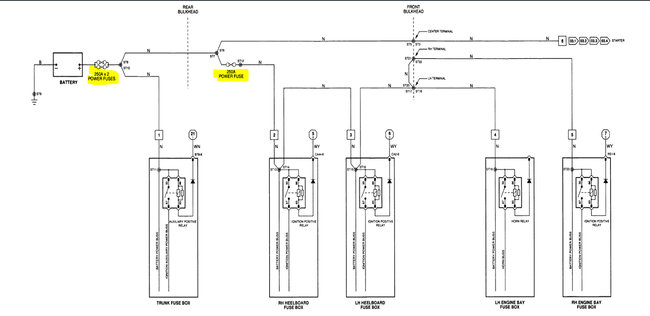
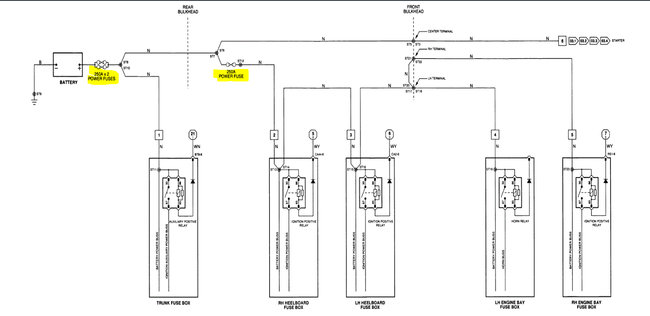
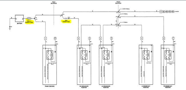
I attached a pic below showing there are two main (250 amp) fuses between the battery and the fuse boxes. Have you checked them? Also, are you certain the battery is good and the terminals are clean and tight?

Do me a favor. First, check the battery terminals first. Always start at the power supply (the battery). Here is a link showing what to look for:

https://www.2carpros.com/articles/everything-goes-dead-when-engine-is-cranked

If the battery is good, then move to the two main fuses I mentioned. In addition to checking if the fuse is good, confirm there is power to and from the fuse. Here is a link to help:

https://www.2carpros.com/articles/how-to-check-a-car-fuse

Try this and let me know the results.

Joe
Was this
answer
helpful?
Yes
No
Saturday, March 27th, 2021 AT 7:57 PM
Tiny
DANIEL ZAMPIERI
  • MEMBER
  • 5 POSTS
Head lights work high and low. No high beam indicator heater and radio power up crank good but cluster completely out no spark. All 5 fuse boxes have power at the fuses. Wipers work no fuel pump cycle on key up or cranking none of the gauges function. ECM act like not powered up.
Don't know where any mega fuse is on this, tried to check ignition switch but wires are small and don't have large wires like a normal vehicle. Does ECM and cluster have the same relay to power up system?
Was this
answer
helpful?
Yes
No
Monday, March 29th, 2021 AT 8:57 AM
Tiny
DANIEL ZAMPIERI
  • MEMBER
  • 5 POSTS
Fuse okay. I have power to all five fuse boxes. Looking for ignition relay or ECM relay location and wire diagram may help.
Was this
answer
helpful?
Yes
No
Monday, March 29th, 2021 AT 10:52 AM
Tiny
JACOBANDNICKOLAS
  • MECHANIC
  • 110,194 POSTS
Hi,

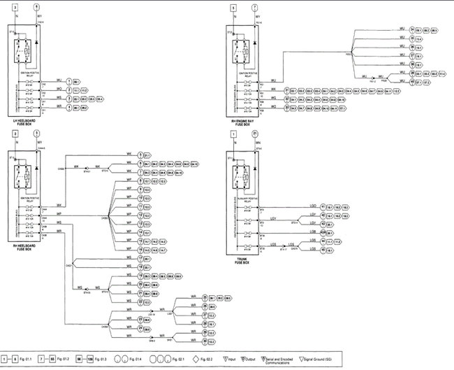
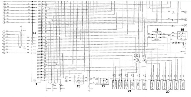
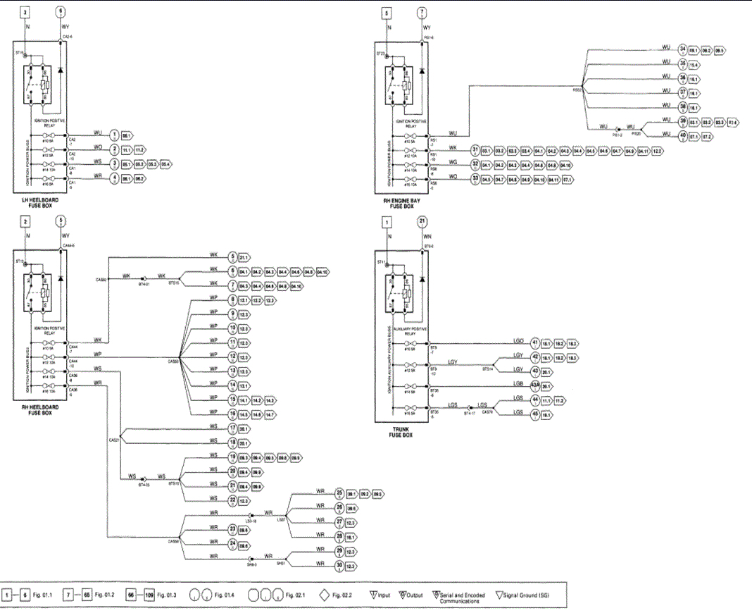
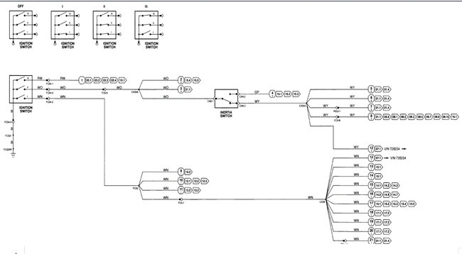
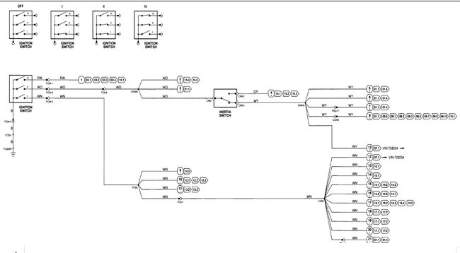
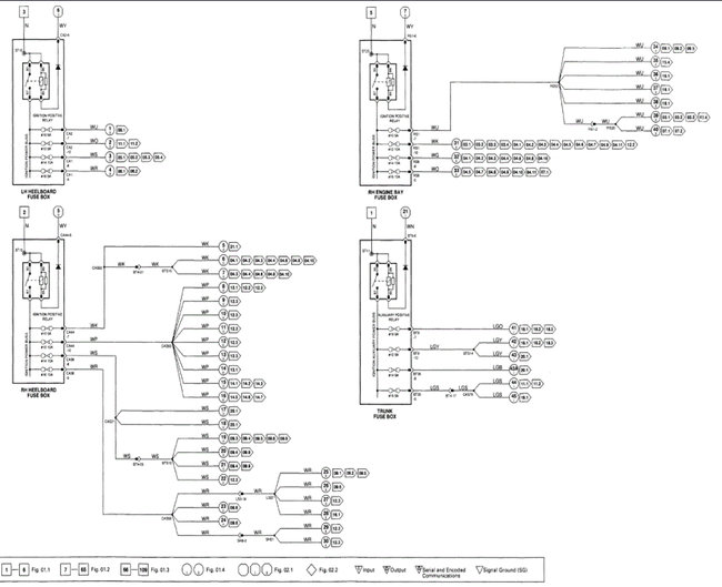
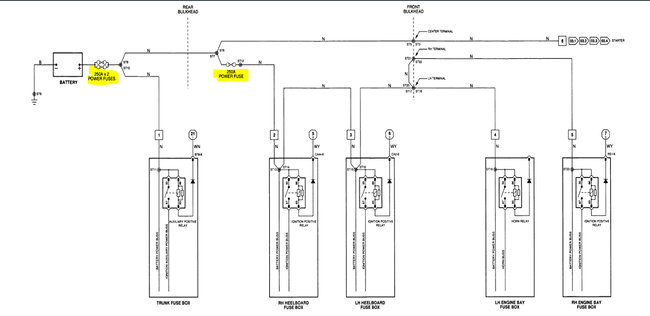
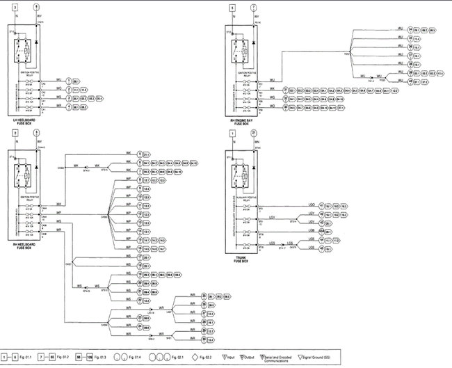
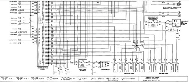
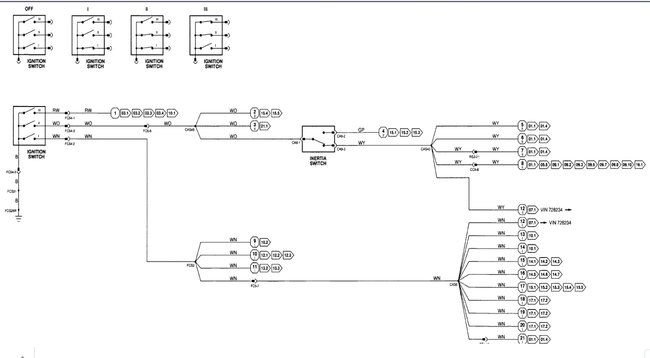
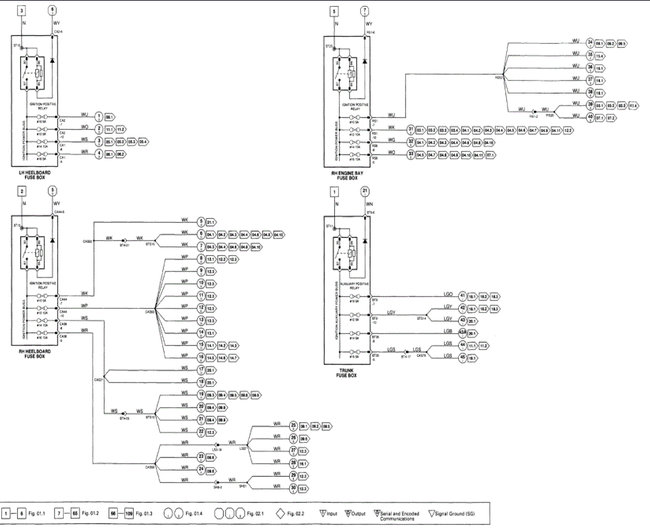
I attached the powertrain management wiring schematics and legends. This is from the manufacturer and is a bit difficult to follow. If you have any questions, let me know.

Joe

See pics below.
Was this
answer
helpful?
Yes
No
Monday, March 29th, 2021 AT 7:20 PM
Tiny
DANIEL ZAMPIERI
  • MEMBER
  • 5 POSTS
Need number of components id. Looking for ignition switch, cannot locate.
Was this
answer
helpful?
Yes
No
Tuesday, March 30th, 2021 AT 5:28 AM
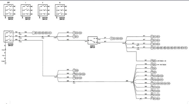
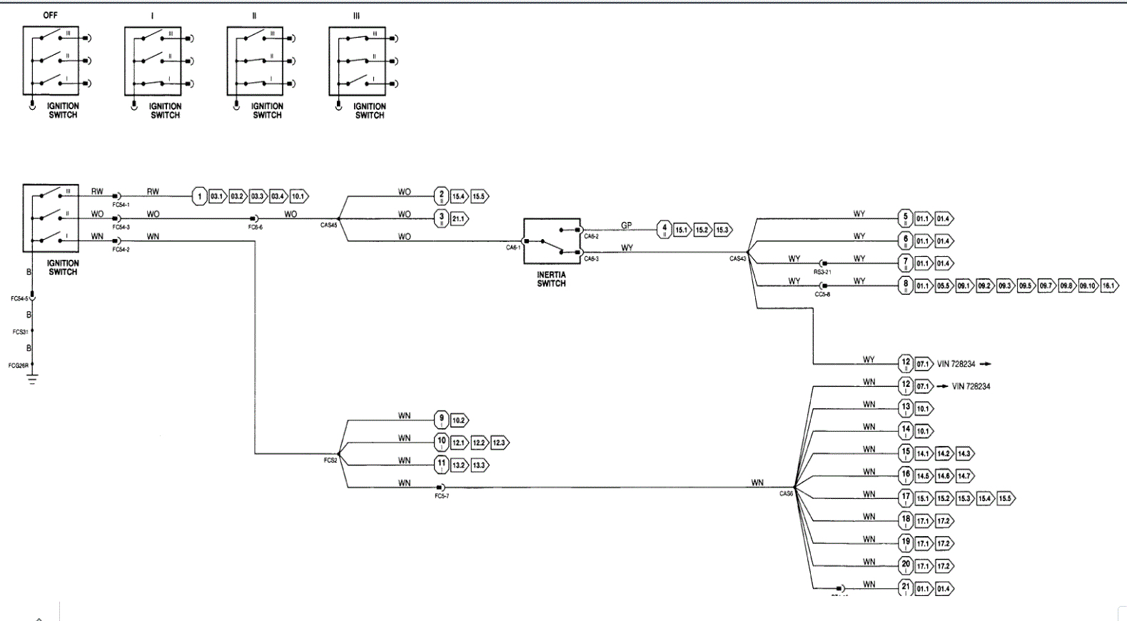
Tiny
JACOBANDNICKOLAS
  • MECHANIC
  • 110,194 POSTS
Hi,

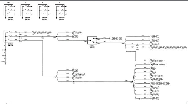
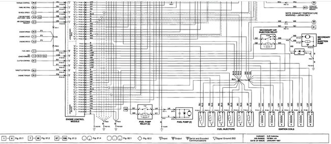
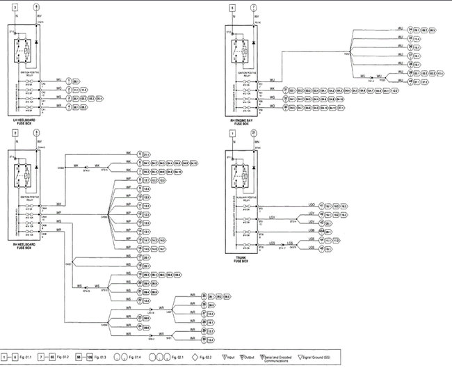
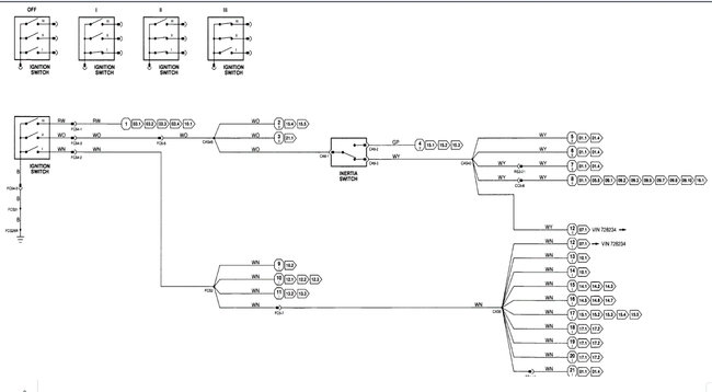
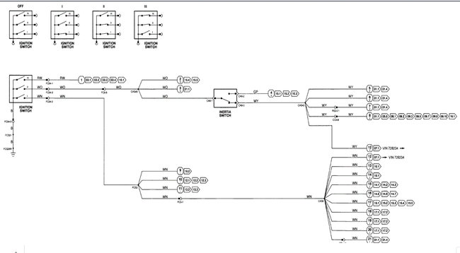
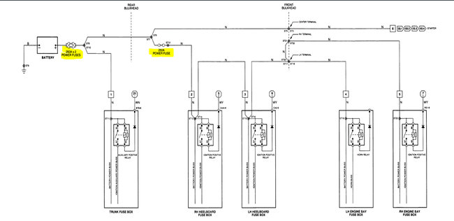
I attached two pics below. The first one is the ignition switch ground circuit. The second is the ignition power circuit.

Let me know if this helps.

Joe
Was this
answer
helpful?
Yes
No
Tuesday, March 30th, 2021 AT 6:05 PM
Tiny
DANIEL ZAMPIERI
  • MEMBER
  • 5 POSTS
Was able to check ignition switch and it is okay. Customer does not have money so further testing is needed. I will talk to her and find out what she wants to do.
Was this
answer
helpful?
Yes
No
Wednesday, March 31st, 2021 AT 2:07 PM
Tiny
JACOBANDNICKOLAS
  • MECHANIC
  • 110,194 POSTS
Hi,

Let me know what is decided or if you have other questions.

Take care,
Joe
Was this
answer
helpful?
Yes
No
Wednesday, March 31st, 2021 AT 6:15 PM

Please login or register to post a reply.