Wednesday, March 17th, 2010 AT 8:21 PM
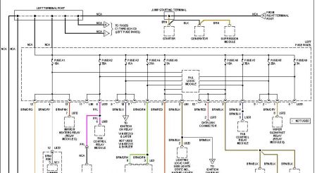
I had an issue with a sticking fuel door latch on a 1994 Jaguar XJ6. I lifted a white lever in the inside left of the trunk up by the fuel door. Don't know if it's related, but the car would not start, the dash lights would not come on, and the brak/shifter link would not work. It was running fine up to that time. Battery is fine, even tried connecting jumpers to another car. No luck. Tried removing, checking and replacing fuses, no luck. Any thoughts?





