Monday, March 27th, 2017 AT 4:50 PM
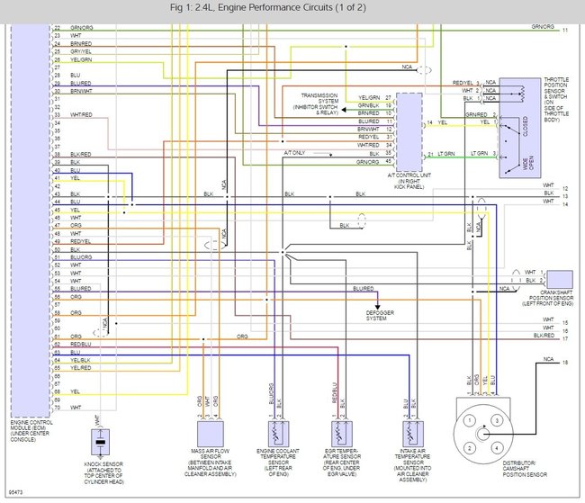
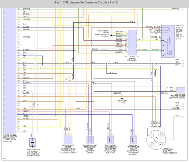
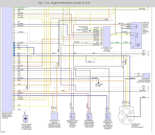
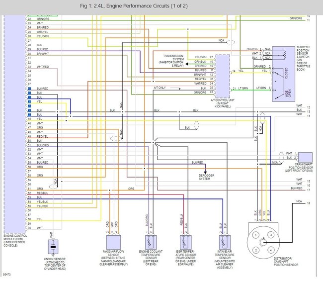
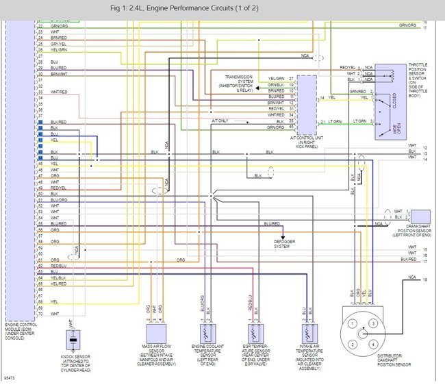
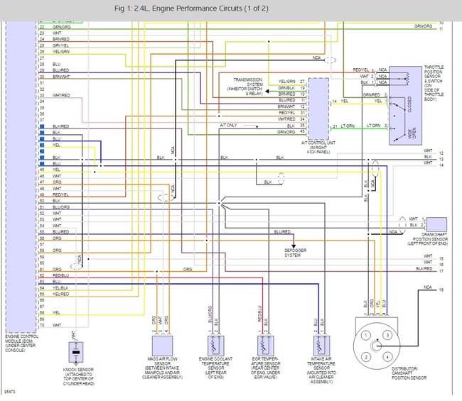
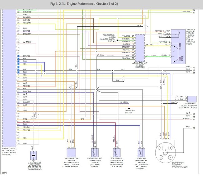
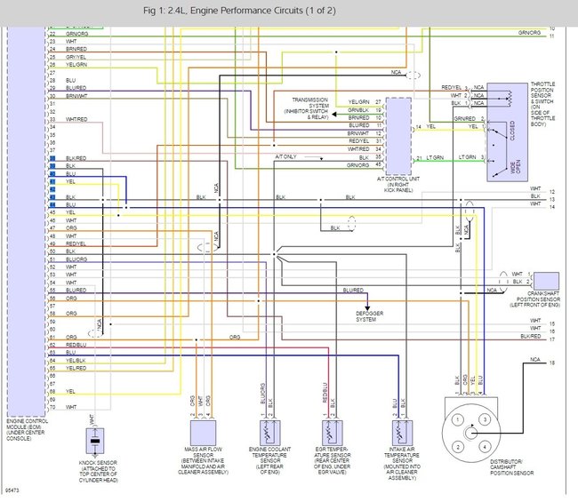
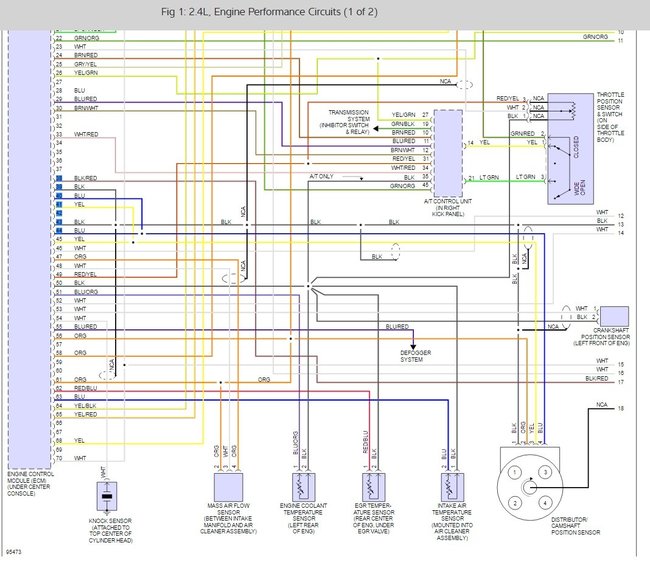
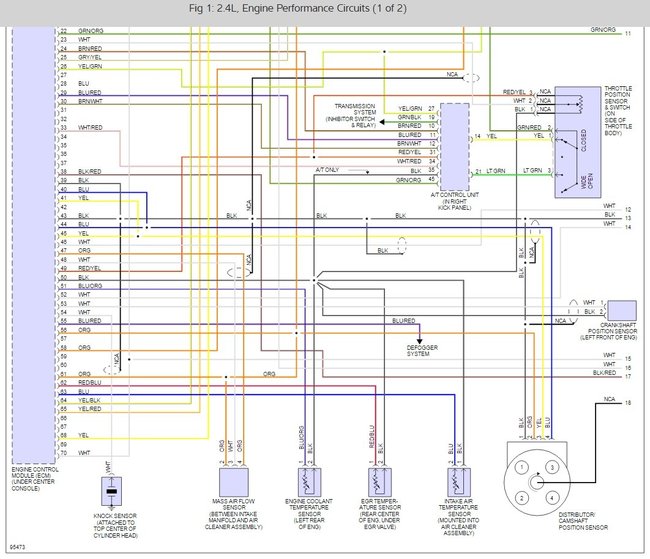
Engine will not fire. It ran perfect the day before. Went out the next day and all it did was crank. I have already replaced the distributor, plugs, wires, rotor cap and cover, crank sensor, mass airflow sensor, egr, knock sensor. It's getting fuel but won't fire. If it's completely cold I can get it to stuffer just briefly but after that I get nothing. Changing the position of the gas pedal does nothing as well. I am stumped because I didn't have so much as a backfire from it the day before it stopped starting and it always fired right up without hardly making a full rotation. Am I maybe missing some sort of sensor on the clutch? I did recently get it replaced.









