Crank, but no start

Tiny
LUPO787
  • MEMBER
  • 1999 NISSAN SENTRA
  • 1.6L
  • 4 CYL
  • 2WD
  • MANUAL
  • 274,000 MILES
Shot starting fluid to it. Will run briefly, then cut off. Replaced distributor, crankshaft position sensor, neutral safety switch, still won't start. Checked all fuses, fuses okay. Anything else I'm missing? Please advise. Thanks!
Monday, November 18th, 2019 AT 5:34 PM

1 Reply

Tiny
JACOBANDNICKOLAS
  • MECHANIC
  • 110,194 POSTS
Hi:

If it starts briefly with starting fluid, the engine isn't getting fuel. First, check fuel pump pressure. Here is a link that shows how that is done:

https://www.2carpros.com/articles/how-to-check-fuel-system-pressure-and-regulator

Also, there is a fuel pump relay that is located behind the instrument panel. Check that. Here is a link that shows how to test one:

https://www.2carpros.com/articles/how-to-check-an-electrical-relay-and-wiring-control-circuit

Also, check fuse 17 in the under hood fuse box. See picture 1

__________________________________

If the fuse is good, the relay is good, and there is no fuel pressure or it is very low, my first suspect is the pump. Here are the directions for replacement. The remaining pics correlate with the directions:

_________________________________

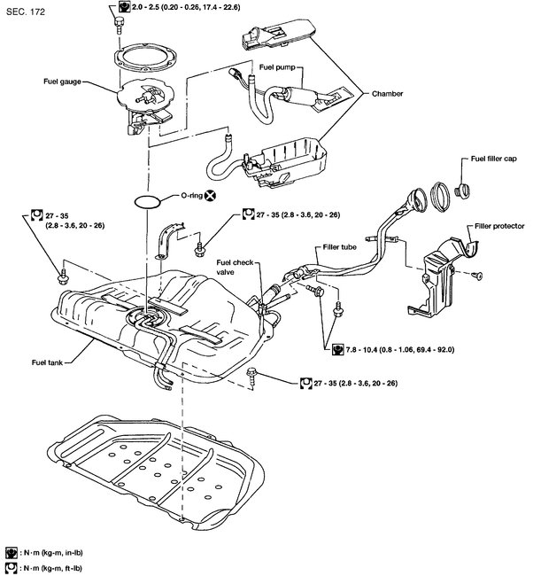
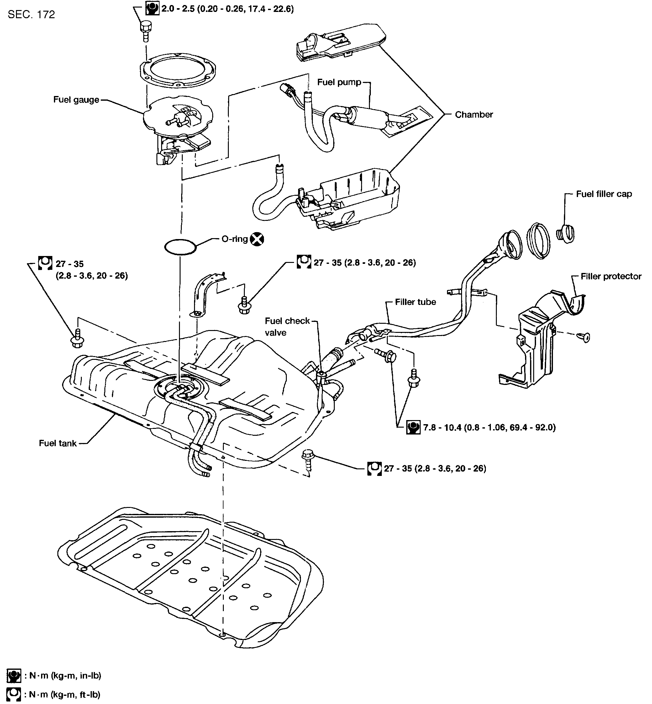
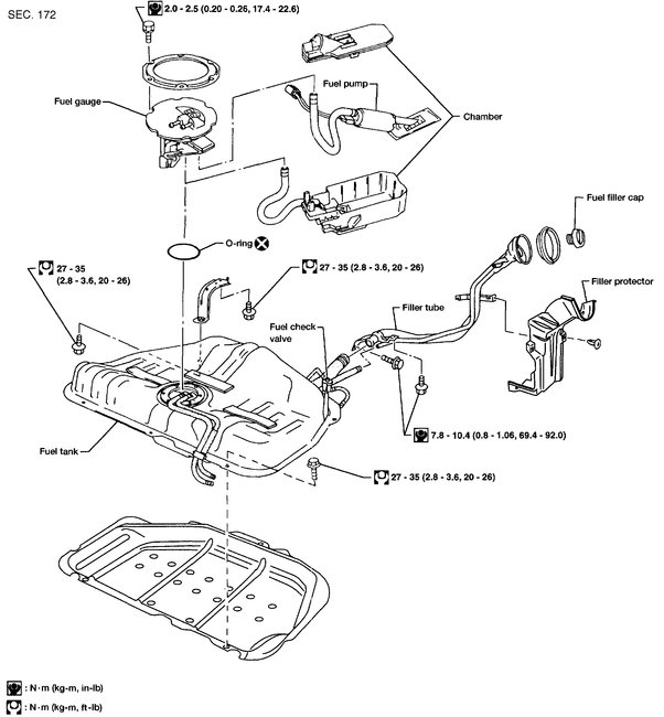
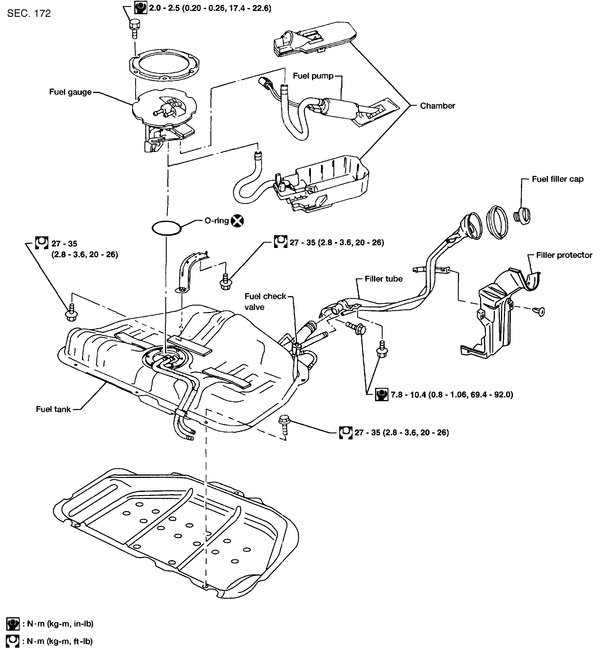
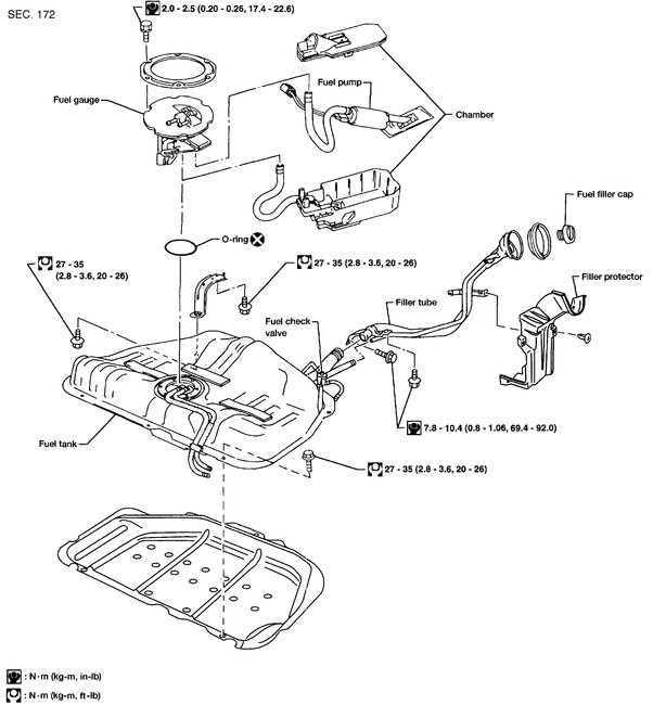
1999 Nissan-Datsun Sentra GXE L4-1597cc 1.6L DOHC MFI (GA16DE)
Removal and Installation
Vehicle Powertrain Management Fuel Delivery and Air Induction Fuel Pump Service and Repair Procedures Removal and Installation
REMOVAL AND INSTALLATION
REMOVAL

pic 2

pic 3

1. Release fuel pressure.
Refer to "Fuel Pressure Release", "BASIC SERVICE PROCEDURE".
2. Remove rear seat back and bottom.
3. Remove inspection hole cover located under the rear seat.

pic 4

4. Disconnect fuel tubes and electrical connectors.
5. Remove the six screws.

pic 5

6. Disconnect fuel tubes and connector, then remove fuel gauge assembly.

pic 6

7. Remove fuel pump with chamber.
a. Pull up the front of the chamber.
b. Slide chamber forward.
8. Remove fuel pump from chamber.

INSTALLATION
To install, reverse the removal procedure.

CAUTION:
- Tighten bolts to specified torque.
With Tightening Torque: 2.0 - 2.5 Nm (0.20- 0.26 kgm, 17.4 - 22.6 in.lb)
- Always replace O-ring with a new one.

____________________________

Let me know what you find or if you have other questions.

Take care,
Joe
Was this
answer
helpful?
Yes
No
Monday, November 18th, 2019 AT 8:34 PM

Please login or register to post a reply.