Crank no start, code U1000, no communication with ECM?

Tiny
DOONES
  • MEMBER
  • 2008 NISSAN PATHFINDER
  • 4.0L
  • V6
  • 4WD
  • AUTOMATIC
  • 188,000 MILES
Can h/l resistance 60 Ohms. Radiator fans on hi koeo no fuel pump running. Fuses all good. Has comm with other modules. U1000 present in TCM and BCM. Car was running poorly, occasionally hard to start. Suspect bad ECM or IPDMN. ECM relay activates. Trying to help a friend diagnose before buying expensive parts he may not need. Have BOB, XTOOL 8D, VOM, and 1 channel oscilloscope with waveform generator.

What is the simplest procedure to rule out the IPDM and/or ECM?

Thanks in advance!
Sunday, December 18th, 2022 AT 8:30 AM

10 Replies

Tiny
AL514
  • MECHANIC
  • 5,595 POSTS
Hello, if you have no communication with the ECM you need to verify its even powering up to begin with. Does the Check engine light come on when you go just key on? If not, then the ECM is not powering up, another quick thing to check is a 5-volt Reference at a sensor. If it's missing that's another indication there's no power to the ECM. I'll pull up the powers and grounds for the ECM so you can check that it's even awake.

Here are the powers and grounds for the ECM, as well as the pinout locations in the ECM connectors:

https://www.2carpros.com/articles/how-a-car-computer-works-pcm-ecm-bcm
Was this
answer
helpful?
Yes
No
+1
Sunday, December 18th, 2022 AT 9:46 AM
Tiny
DOONES
  • MEMBER
  • 6 POSTS
No check engine light. Grounds tested good. 121 had 12v but 109, 119 & 120 had no voltage. Fuse 1 in glove box panel 12v with koeo. Had 5v at MAF and throttle body.
Was this
answer
helpful?
Yes
No
-1
Tuesday, December 20th, 2022 AT 3:38 PM
Tiny
AL514
  • MECHANIC
  • 5,595 POSTS
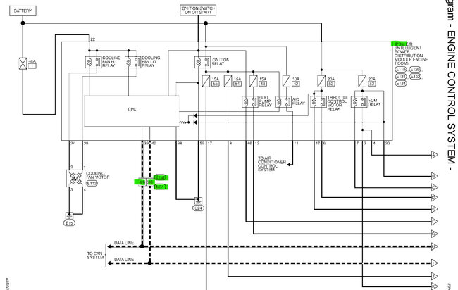
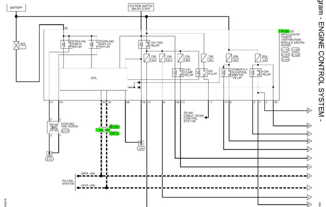
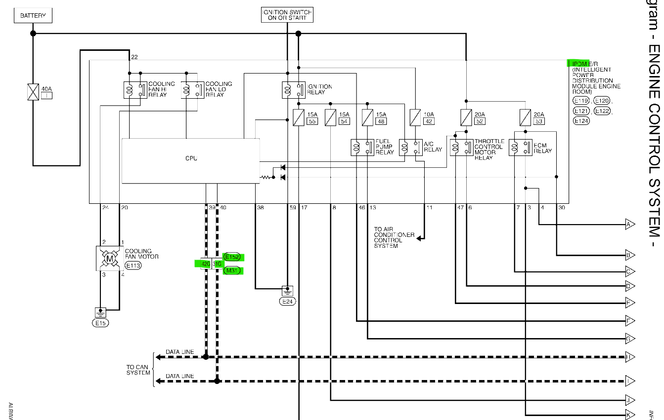
Okay, it sounds like half of the ECM is awake, your terminating resistors sound alright, that's the correct resistance. So, we need to find which connectors those power supplies run through. That should reestablish communications and wake up the rest of the ECM. I'll go through some more diagrams and post the findings. Is Fuse 1 10amp correct? If you pull this ECM Relay, do you have 2 relay pins that are hot at all times? This feeds ECM pins 119 and 120. Out of pin 4 of the IDPM, a pink wire. The OEM diagrams for Nissan are not the easiest to read.
Okay, I think the power issue from Fuse 1 to ECM pin 109 is the main issue, it's an Ignition switch feed and without it, the ECM relay is most likely not able to power up, therefore powering up 119 and 120. The 2nd diagram below is the connector coming out of the inside fuse panel. I'm having a very difficult time finding any inline connectors from there to the ECM. So, tracking down that White/Red wire may not be easy, that is if you find that there is power actually coming out of the inside fuse panel.

Diagrams 5 and 6 show how bad these diagrams are, The E119 connector coming from the IPDM is barely visible, but pin 4 (Pink wire) from that connector is the power coming through the ECM relay once it's powered up. And the only real way to know if the fuse 1 power is the main issue here is to power it up and see if everything else comes to life, But doing this is risky, and I would probably use and incandescent test light hooked to battery positive to do it, but only if you are confident in doing so, you don't want to make a mistake and fry the ECM.
The ECM is responsible for controlling the ECM relay, so really one half of the computer powers up the other half. But as for finding any other connectors, there's just nothing that's a clear picture to identify components. I'm going to look in another location for diagrams as well though.
I assume Fuse 53 20amp has power?
Looking back at your original post, you have the ECM relay activated, so if you're still missing power on those 3 ECM pins, then you'll need to trace those wires out and see where they go. There have to be corroded connections or fuse panels. Pull up that fuse/relay box in the engine compartment and check underneath for any issues. I can't find anymore connector info. But with the ECM, IDPM and the fuse panel all being in that one location, tracking down the issue shouldn't be too bad. Nissan service info is terrible.
Was this
answer
helpful?
Yes
No
Wednesday, December 21st, 2022 AT 9:42 AM
Tiny
DOONES
  • MEMBER
  • 6 POSTS
Sorry it's taking so long to get back to you. The holidays are making it hard to get time to troubleshoot this, as well as the fact that the vehicle is nearly an hour drive from me. I did notice that the ground terminal and cable had some corrosion so I replaced the terminal and cleaned the contact points on the chassis and engine block.
After doing that, the car is now a no crank and the security light is lit! Is there a way to reset the security light without a scan tool after a battery disconnect?

I did some of the checks you suggested and the results are below.

Is Fuse 1 10amp correct?

Yes, it is 10 A on the bottom left hand side of the fuse panel/junction box inside the glove compartment. I pulled the connector, no corrosion or bad pins. Also back probed and 12 V is present with the koeo.

If you pull this ECM Relay, do you have 2 relay pins that are hot at all times?

The ECM relayhas 12 v on the supply to the coil and the supply to the normally open pin of the contacts.

Okay, I think the power issue from Fuse 1 to ECM pin 109 is the main issue,

I probed the E119 connector pin #8 White w/ red stripe (found diagram on Alldata IPDM E_R (Intelligent Power Distribution Module Engine Room) no 12V!
I think there is a break in the wire from fuse 1 but it is very difficult to get to the harness to sort through all the wires and isolate that one. Should I try temporarily replacing it with a jumper wire? I could tap onto the output of the fuse #1 and the wire at the base of connector E119 so there would be protection and less chance of making an error.

I ran out of time at this point so I didn't get to checking fuse 53 but I'm pretty sure I checked it last time and it was good. I will reverify at the earliest opportunity.

Nissan service info is terrible.

I have to agree with you there! I can't find any rhyme or reason. Let alone logic, to it!
Was this
answer
helpful?
Yes
No
Friday, December 30th, 2022 AT 3:50 PM
Tiny
AL514
  • MECHANIC
  • 5,595 POSTS
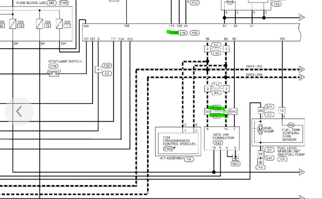
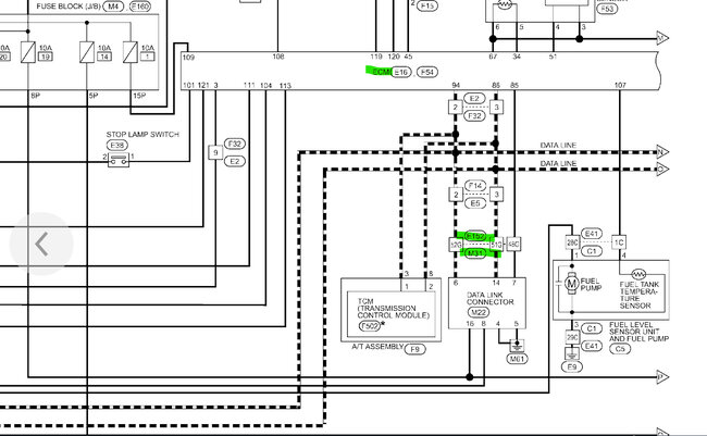
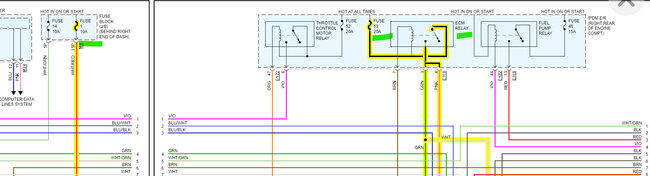
Okay, I had to review your folder again, I've had the craziest vehicles this month. So, you were missing power on ECM pins 109, 119 and 120 which all come from the Ignition switch. I wouldn't recommend running a new wire just because if there is a damaged wire, there is almost always other damaged wires at that location. We need to refresh the service info here. I see the E119 pin8 White/red wire from fuse 54 (hot in run or start). If you have power at the fuse 54 and nothing coming out that pin 8, then that issue alone is isolated to that location.
But let's concentrate on Fuse 1 first, it is coming out of the M4 connector of that interior fuse panel. The 15P wire White/Red. The M4 connector is a white connector. Being that the ECM is in the engine compartment, that wire must run through the firewall, I see you had power on that wire at the fuse panel. Being that it's behind the glove box it looks, the harness must run directly back towards the firewall. Going over those 109, 119, 120 they're all Ignition switch powers. But there is just no reference as to where the harness actually runs in this vehicle. It can be really frustrating.
Looking at the security system, there are multiple options depending on whether it has the "Intelligent Key System". Do you have a solid security light on or is it flashing a pattern? Being On for 30sec is the system being in its Pre-Armed phase. And this service information is just all over the place, but there is nothing about having to disconnect the battery. It just states remove negative cable first and install in reverse order. I posted below what I could find. Technically after replacing a battery the security system shouldn't need any reprogramming. The BCM is responsible for the security system.
At this point I think just getting the ECM to power up fully should be the first priority, and deal with the rest of the systems later.

The fuse 53 is the feed for the ECM pin 121 Batt. You said you had power on that ECM pin.
ECM pins 119 and 120 are on the same feed that come from the ECM Relay and that most likely won't power up until the 109 pin is hot. I've spent the last couple hours going through diagrams and can't find any path that the M4 connector (fuse 1) runs through.
The last diagram is what they give for the harness locations.
Was this
answer
helpful?
Yes
No
Friday, December 30th, 2022 AT 6:22 PM
Tiny
DOONES
  • MEMBER
  • 6 POSTS
Okay. Back to basics. Going to review and reverify circuits tomorrow.

" I've spent the last couple hours going through diagrams and can't find any path that the M4 connector (fuse 1) runs through."

I think I found it, on Alldata at least. Started at the "Ignition Signal" (see snippet below)

Going to look for connector M31.( Path is fuse 1 J/B connectors (M4 >M31>E152) pin 109 ) and check fuse 53.

Wish me luck!
Was this
answer
helpful?
Yes
No
Tuesday, January 10th, 2023 AT 2:19 PM
Tiny
DOONES
  • MEMBER
  • 6 POSTS
Found location of M31. Now if I can find it on the car!
Was this
answer
helpful?
Yes
No
Tuesday, January 10th, 2023 AT 2:52 PM
Tiny
AL514
  • MECHANIC
  • 5,595 POSTS
Okay I just found E152.
I guess this is looking at the dashboard from inside, you can see the APP sensor is located on the left side about where the gas pedal would be.
Power has to be missing at one of these connectors, it looks like M31 and E152 are almost the same location, just labelled under different harness names, its right in the blower motor location, just lower right kick panel.
Which pin on the M31 connector is it?
These are all white connectors and they're labelled as Super Multiple Junction (smj)
The M4 15p goes directly to the ECM 109.
This is crazy, I think E152 and M31 are just 2 different sides of the same connector. They are the same connector, look at the pinout, so weird they would hide them so much.
Was this
answer
helpful?
Yes
No
Tuesday, January 10th, 2023 AT 3:03 PM
Tiny
DOONES
  • MEMBER
  • 6 POSTS
Sorry, I didn't see your reply until I returned home.
Things just went from bad to worse. I intalled a new battery because the old one wasn't holding a charge, heard the fuel pump run for a few second after connecting the new battery. Checked negative cable and had 2 Amps of draw with the key off! Next I tried to start the car. No crank no start. Then I noticed some wisps of smoke near the floorboards! I turned the key off and disconnected the battery. Couldnt see anything obvious so reconnected the battery and now have no comms to ANY modules at all! No door chime when inserting key like I had before. Tried to get service data from my phone but too hard to follow on the small screen. Location of smoke makes me think the problem may be with the BCM! Could it be causing the issue with the ECU or do you think are there may be 2 (or more) separate problems? Owner said it was a no crank no start when he parked it but it did crank and tried to start when I first tried it last month.
Checked DLC with breakout box and battery voltage, grounds and CAN H/L lights were lit. Disconnected battery negative and checked resistance between CAN H/L still at 60 Ohms.
That's where I left it.

Wish I could get the car closer so I could spend more time troubleshooting than driving.

Thanks for your help on this, I really appreciate your efforts!
Was this
answer
helpful?
Yes
No
Wednesday, January 11th, 2023 AT 3:52 PM
Tiny
AL514
  • MECHANIC
  • 5,595 POSTS
What section of floor did you notice the smoke at? Was it on the passenger side front, or where specifically was it, because if there is a main bulk connector that is corroded due to water intrusion or moisture it might be shorting out. What I noticed when endlessly searching for those couple of connectors was the M31 E152 connector had can bus network wires running through it. I know the network leds are lighting up on your break out box, pins 6 and 14 on the dlc are still the normal pins for can high and can low, but scan tool communication for diagnostics looks to be done through the k line network(DDL2) which is pin 7 of the dlc. So if pin 7 is flashing and you have no comms the scan tool is trying to communicate with the ecm, but the ecm is not responding. The k line on this vehicle runs to the ecm, abs, srs, tcm and the transfer control unit for the 4wd. Every module is on a couple different speed can bus networks. The bcm is on can high and low and is what communicates with the Immobilizer. Even though youre reading the correct 60ohms, who knows what the can network waveform really looks like. And seeing smoke to me points to a short in the harness, and when its down low like you saw that usually means water. Down under the floors or behind lower kick panels where the connectors are lower, those are the areas where the water or moisture is going to end up. And I dont know if youve had rain since you have last been at the vehicle, but we have. The smoke is a new thing now.
This vehicle seems to have multiple issues, when I see something like that I try to look for something in common, what could cause all these things, missing power to the ecm, crank no start, now no comms at all and no crank. There has to be a main bulk connector that is corroded and is now shorting out.
It might be shorting the can bus too.
The 1st diagram is the diagnostic network topology, and the 2nd is those connectors that we know the power for 109 runs through, but it also connects the ecm with pins 6, 14, and 7 of the data link connector, M31 is one side of it and E152 is the other side of the same connector. Look at the 2 pinouts for them both, theyre exactly opposite of each other. We need to find that connector and check the pins. And its down low on the passenger side, looks like its behind the passenger side lower kick panel. I think you should start there and see if thats where the ecm 109 lost its power. Its difficult to say if thats going to the fuse panel or coming from it because the diagrams are so terrible and impossible to find anything. I had another Nissan today, same thing, impossible to find just a connector for the map sensor. Im hoping all the issues are confined to one location. This vehicle might have water leaking in on the passenger side somewhere and you wouldnt know until you find corrosion. Its a drag you have to drive so far to look at it, I get those too when doing mobile diags. An hour drive one way, but start there and where ever you so smoke, theres definitely a short where theres smoke.
Was this
answer
helpful?
Yes
No
-1
Wednesday, January 11th, 2023 AT 6:48 PM

Please login or register to post a reply.