Wednesday, November 11th, 2020 AT 10:49 AM
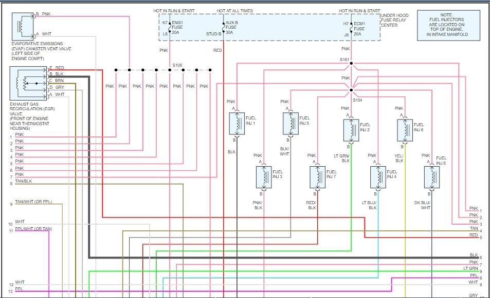
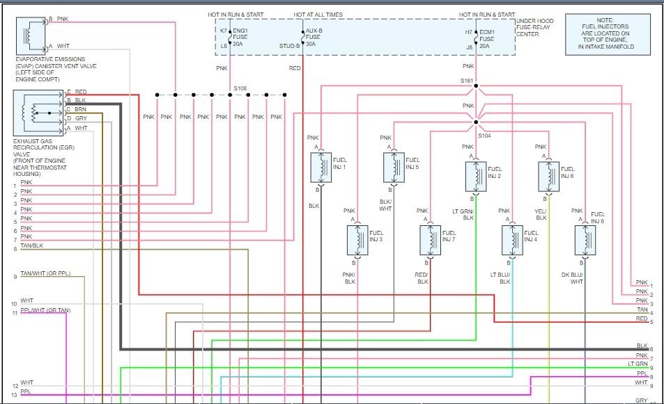
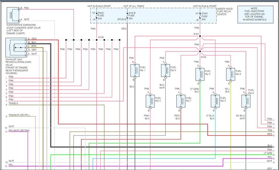
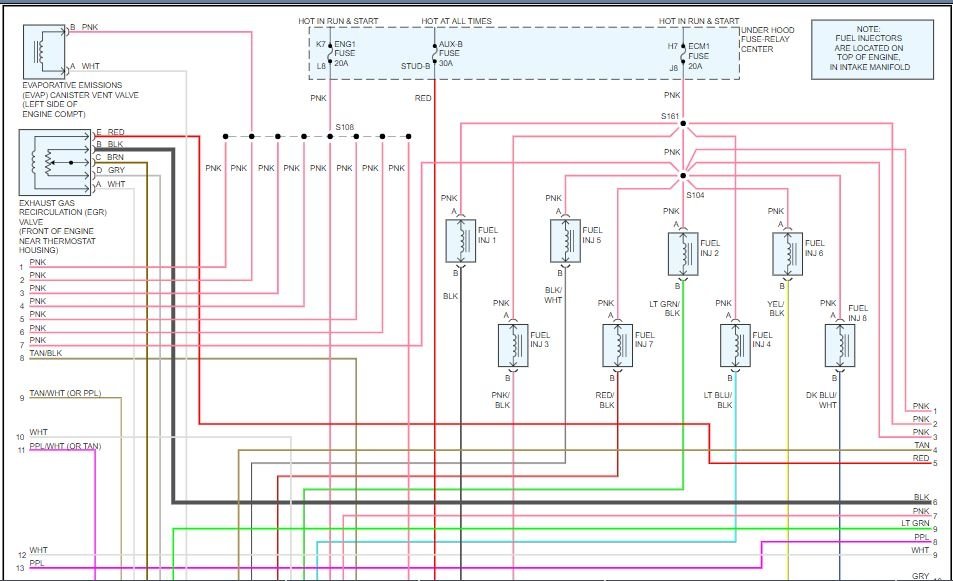
Okay, I plugged a computer to the truck and it tells me the crank sensor. So I buy a new one. Put it on an I be darn, same thing. What else do I need to do? Change the camshaft sensor too? Someone help me out. This just happen out the blue nothing else is wrong with the truck. Help









