Tuesday, December 13th, 2022 AT 11:35 PM
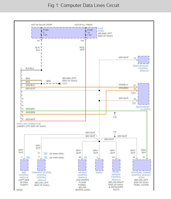
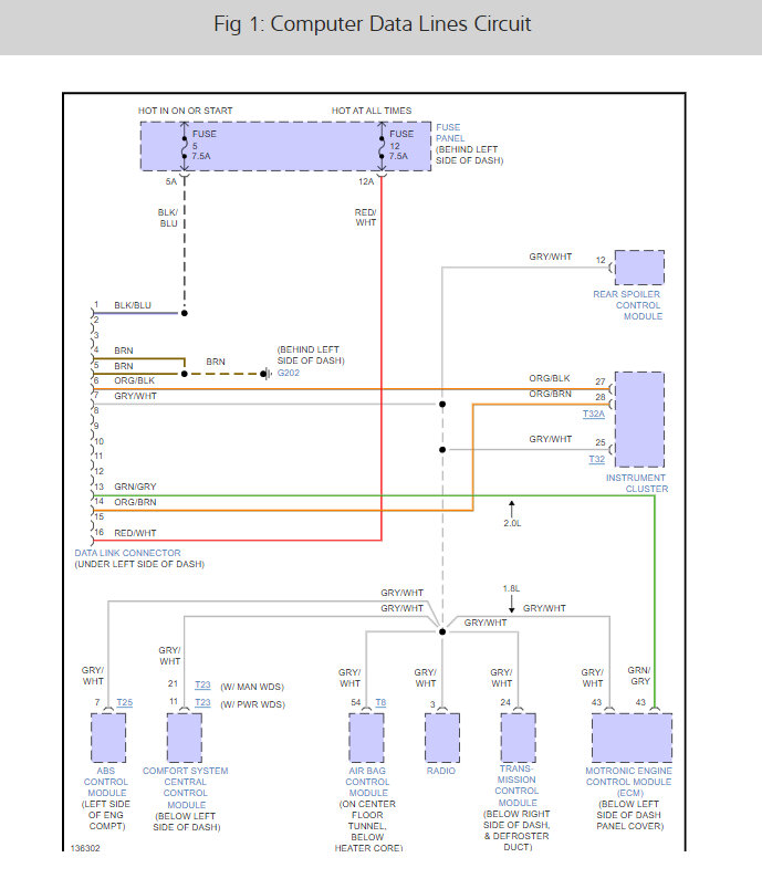
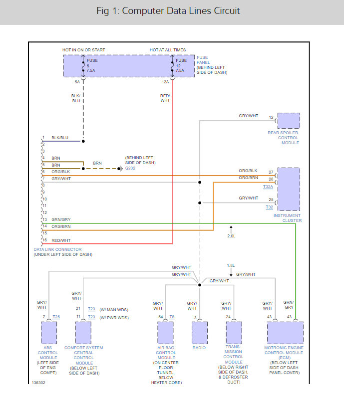
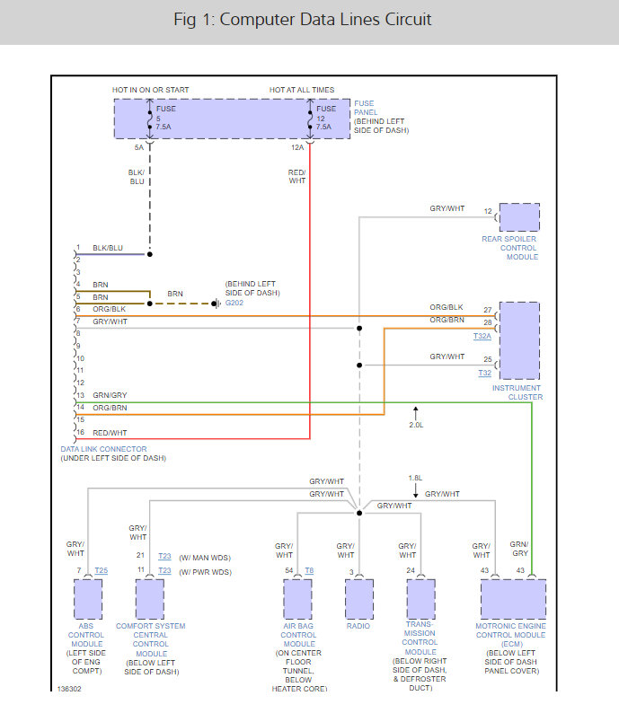
Cranks won't start. OBD 2 does not link with a code scanner. It's diesel. Has been an intermittent problem, but now its permanent.


