Crank no start

Tiny
2005 TB
  • MEMBER
  • 2005 CHEVROLET TRAILBLAZER
  • 4.2L
  • 6 CYL
  • 4WD
  • AUTOMATIC
  • 123,000 MILES
Truck will crank over fine, but is not getting signal from ECM at green wire for fuel pump relay. I have checked all that I can think of. I need help before I lose my mind. Yes pump comes on when jumped at underhood fuse block and I just installed a refurbished ecm from flagship online, I believe it was called. Did not help, still cranks just fine but no pump. I also replaced the ignition switch, delco fuel pump and new fuel lines on the tank The truck was driving great, until I went to go to work about a month ago and it wouldnt start, so I assumed it was the fuel pump.
Tuesday, February 2nd, 2021 AT 5:00 PM

8 Replies

Tiny
JACOBANDNICKOLAS
  • MECHANIC
  • 110,194 POSTS
Hi,

If you are not getting a signal from the PCM, it sounds like the PCM is the problem. Chances are one of the solder joints failed internally.

Here are the directions for replacing the PCM. The attached pics correlate with the directions. Also, if you get a new one, it will need to be programmed to your vehicle.

____________________________________________________

2005 Chevy Truck TrailBlazer 4WD L6-4.2L VIN S
Powertrain Control Module (PCM) Replacement
Vehicle Powertrain Management Relays and Modules - Powertrain Management Relays and Modules - Computers and Control Systems Engine Control Module Service and Repair Procedures Powertrain Control Module (PCM) Replacement
POWERTRAIN CONTROL MODULE (PCM) REPLACEMENT
POWERTRAIN CONTROL MODULE (PCM) REPLACEMENT

Service of the powertrain control module (PCM) should normally consist of either replacement of the PCM or electrically erasable programmable read only memory (EEPROM) programming. If the diagnostic procedures call for the PCM to be replaced, the PCM should be inspected first to see if the correct part is being used. If the correct part is being used, remove the faulty PCM and install the new service PCM.

IMPORTANT:
- To prevent internal PCM damage, the ignition must be OFF when disconnecting or reconnecting power to the PCM. For example, when working with a battery cable, PCM pigtail, PCM fuse, or jumper cables.
- Remove any debris from the PCM connector surfaces before servicing the PCM. Inspect the PCM module connector gaskets when diagnosing or replacing the PCM. Ensure that the gaskets are installed correctly. The gaskets prevent contaminant intrusion into the PCM.

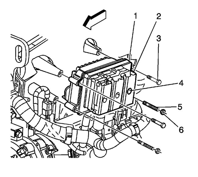
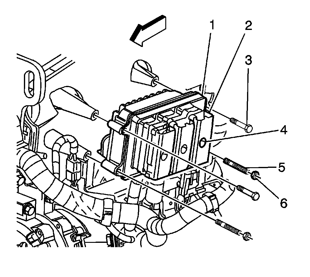
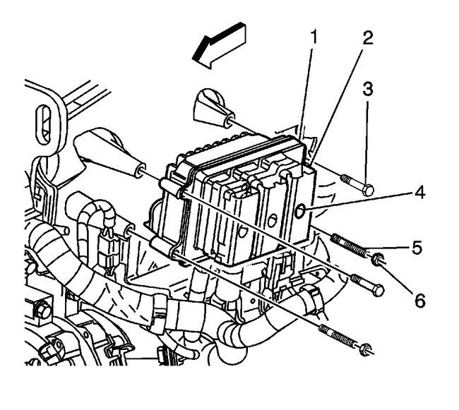
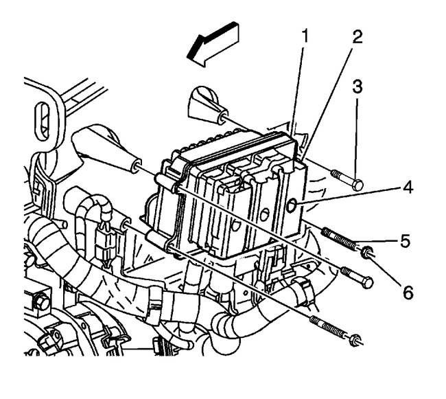
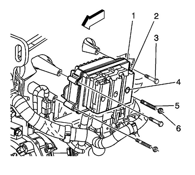
Removal Procedure
1. Using a scan tool, retrieve the percentage of remaining engine oil. Record the remaining engine oil life.

IMPORTANT: It is necessary to record the remaining engine oil life. If the replacement module is not programed with the remaining engine oil life, the engine oil life will default to 100 percent. If the replacement module is not programmed with the remaining engine oil life, the engine oil will need to be changed at 5000 km (3,000 mi) from the last engine oil change.

Pic 1

2. Loosen the PCM harness connector bolts (4) from the center of the PCM harness connectors.
3. Remove the PCM harness connectors (2) from the PCM (1).

NOTE: In order to prevent internal damage to the PCM, the ignition must be OFF when disconnecting or reconnecting the PCM connector.

4. Remove the PCM retaining bolts (3) and nuts (6).
5. Slide the PCM (1) away from the intake manifold past the mounting studs (5) and remove PCM from the vehicle.

NOTE: Refer to PCM and ESD Notice in Service Precautions.

6. Remove the PCM mounting studs (5) from the intake manifold only if replacing the studs.

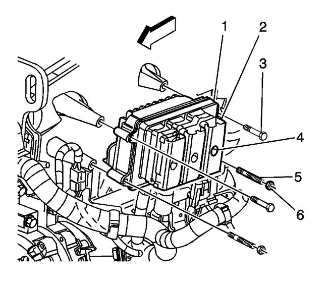
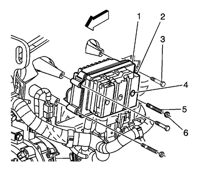
Installation Procedure

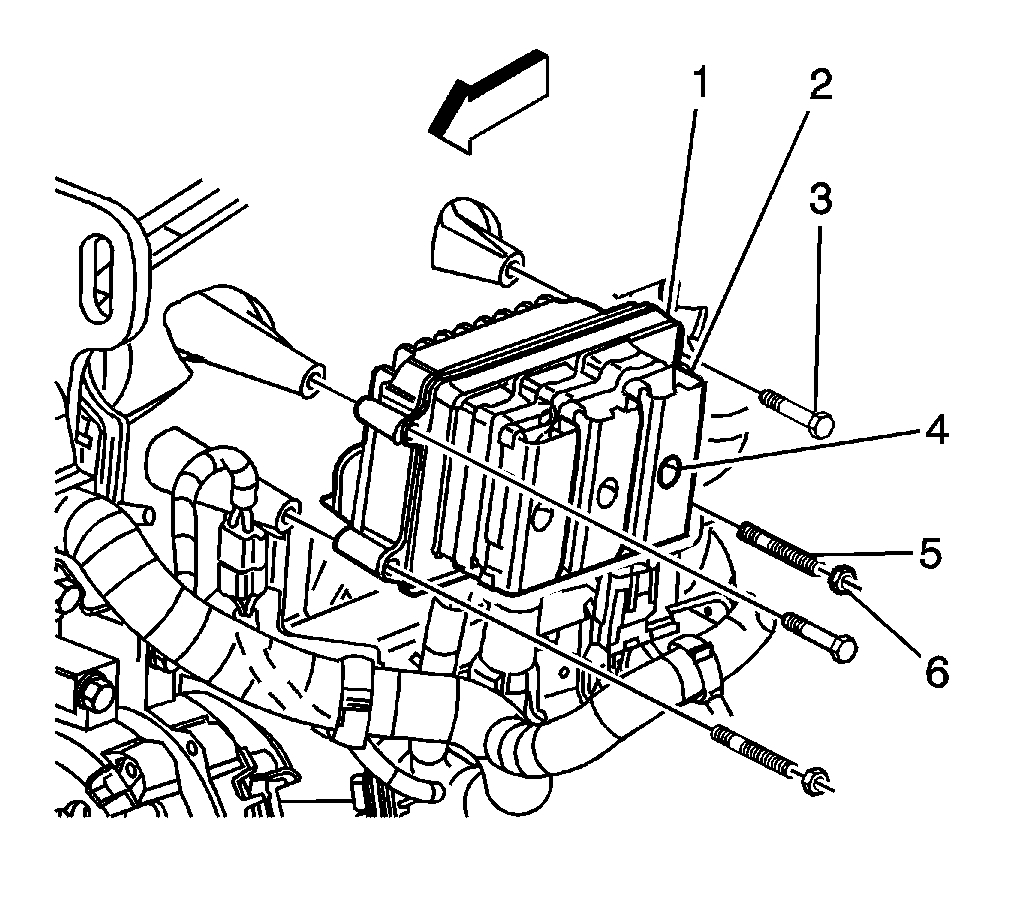
pic 2

1. Install the PCM mounting studs (5) to the intake manifold, if removed.

NOTE: Refer to Fastener Notice in Service Precautions.

Tighten the studs to 6 N.M (53 lb in).

2. Install the PCM (1) onto the studs (5).
3. Install the PCM retaining bolts (3).

Tighten the bolts to 8 N.M (71 lb in).

4. Install the PCM retaining nuts (6).

Tighten the nuts to 8 N.M (71 lb in).

5. Install the PCM harness connectors (2) to the PCM body.
6. Tighten the PCM harness connector retaining bolts (4).

Tighten the bolts to 8 N.M (71 lb in).

7. If a new PCM is being installed, the PCM must be programmed. See: Vehicle > Programming and Relearning

_______________________________________

I hope this helps. Let me know if you have the questions or need help.

Take care and God Bless.

Joe
Was this
answer
helpful?
Yes
No
Tuesday, February 2nd, 2021 AT 7:13 PM
Tiny
DANNY L
  • MECHANIC
  • 5,648 POSTS
Hello, I'm Danny.

Here are a few tutorials for you to view first for testing relays and electrical wiring:

https://www.2carpros.com/articles/how-to-check-an-electrical-relay-and-wiring-control-circuit

https://www.2carpros.com/articles/how-to-check-an-electrical-relay-and-wiring-control-circuit

I've attached picture diagnosis steps below on how to test the fuel pump circuit. Let us know what you find and we'll go from there. Hope this helps and thanks for using 2CarPros.

Was this
answer
helpful?
Yes
No
Tuesday, February 2nd, 2021 AT 7:23 PM
Tiny
2005 TB
  • MEMBER
  • 4 POSTS
Danny, I have checked all wiring and found nothing so far. Also I do not have access to a scan tool at the moment, I am going to try to rent one from an auto parts store tonight.
Was this
answer
helpful?
Yes
No
Wednesday, February 3rd, 2021 AT 3:18 AM
Tiny
2005 TB
  • MEMBER
  • 4 POSTS
Jacobandnickolas, I just replaced the ECM and still have this issue. I mentioned that in my original post I thought?
Was this
answer
helpful?
Yes
No
Wednesday, February 3rd, 2021 AT 4:56 AM
Tiny
JACOBANDNICKOLAS
  • MECHANIC
  • 110,194 POSTS
If there is power to it and all wiring is good, the only thing I can think of would be the PCM. Did the original one do the same thing?

Joe
Was this
answer
helpful?
Yes
No
Wednesday, February 3rd, 2021 AT 3:58 PM
Tiny
DANNY L
  • MECHANIC
  • 5,648 POSTS
Hello again.

I've attached a wiring diagram of the green-white wire you spoke of from the fuel pump relay to the PCM. Let us know if you need any other diagrams we're here to help. I've blown up the diagram to view larger and circled the wire in red. Keep us updated and let us know if you've made any progress. Hope this helps and thanks again for using 2CarPros.

Danny-
Was this
answer
helpful?
Yes
No
Sunday, February 7th, 2021 AT 12:20 AM
Tiny
2005 TB
  • MEMBER
  • 4 POSTS
I will have to get back out to the truck to do more diagnosing. Life has been hectic.
Was this
answer
helpful?
Yes
No
Sunday, February 7th, 2021 AT 6:07 AM
Tiny
DANNY L
  • MECHANIC
  • 5,648 POSTS
Hello again.

Yes, I hear you on that. Keep us updated and let us know if you need anymore information we're here to help. Thanks again for using 2CarPros.

Danny-
Was this
answer
helpful?
Yes
No
Sunday, February 7th, 2021 AT 4:58 PM

Please login or register to post a reply.

Related Engine Not Running Content

Car Cranking but Not Starting? Try This
VIDEO