Crank, but will not start

Tiny
JESSICA DOUGLAS
  • MEMBER
  • 1993 DODGE DAKOTA
  • 5.2L
  • V8
  • 2WD
  • AUTOMATIC
  • 184,000 MILES
Hey guys,

I'm at a loss, my vehicle listed above I recently purchased was running fine just needed a jump start then ran out of gas, after I put some gas in it, it wouldn’t even turn over with a jump. I replaced the battery and battery terminals, and gave it a good quarter tank of gas, now it will turn over but not start. I don’t hear any noise from the fuel tank from the fuel pump when switched to on, oil light turns on, but oil levels are good. Any ideas are appreciated.
Monday, March 14th, 2022 AT 1:51 PM

1 Reply

Tiny
CARADIODOC
  • MECHANIC
  • 34,489 POSTS
"Oil" light should be on when the engine isn't running. It sounds like the clue you're looking for is hearing the fuel pump running when the ignition switch is on. That is also not a valid clue. That would pose a fire hazard if a fuel line got ruptured in a crash. Instead, the fuel pump only runs two times. The first is for just one second when you turn on the ignition switch, then it turns off. That's to insure fuel pressure is up for starting. The second time the fuel pump runs is any time the engine is rotating, (cranking or running).

You might be able to hear the pump run for that first one second. If you can, there's no need to look further at the fuel supply system. If you can't hear it, you'll need to check fuel pressure at the test port on the fuel rail on the engine.

Before you go through that work, check for spark.

https://www.2carpros.com/articles/how-to-test-an-ignition-system

Loss of fuel supply accounts for less than about two percent of crank/no-starts. Loss of spark accounts for perhaps another three percent. By far the most common cause is a loss of both spark and fuel at the same time. That is usually due to a loss of signal from the crankshaft position sensor or the camshaft position sensor.

The first thing to do is read the diagnostic fault codes. Chrysler made doing that yourself much easier than any other manufacturer. Cycle the ignition switch from "off" to "run" three times within five seconds without cranking the engine. Leave it in "run", then count the flashes of the Check Engine light. These are two-digit codes. This article describes how to read them:

https://www.2carpros.com/articles/retrieve-trouble-codes-for-chrysler-dodge-plymouth-odb1-1995-and-earlier-car-mini-van-and-light-trucks

Don't assume sensors are okay just because there's no fault code set related to them. Often it takes some time for a defect to be detected, as in when a stalled engine is coasting to a stop. Simply cranking the engine may not be sufficient to set a code.

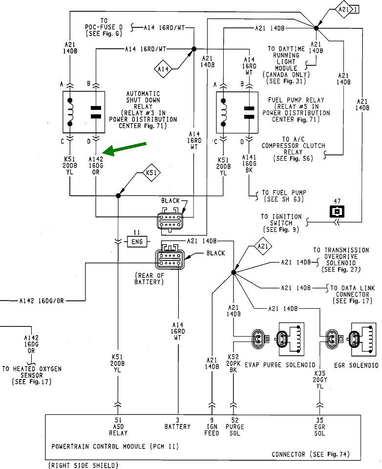
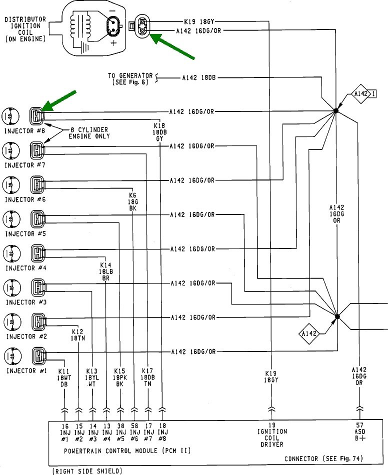
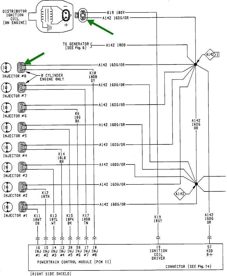
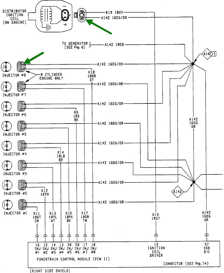
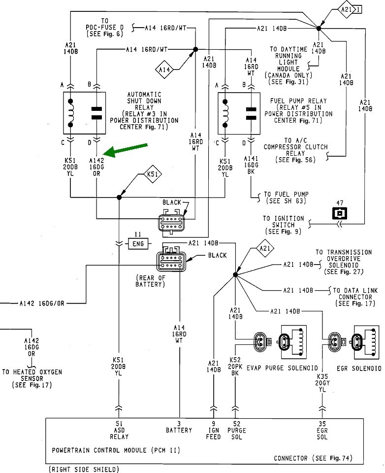
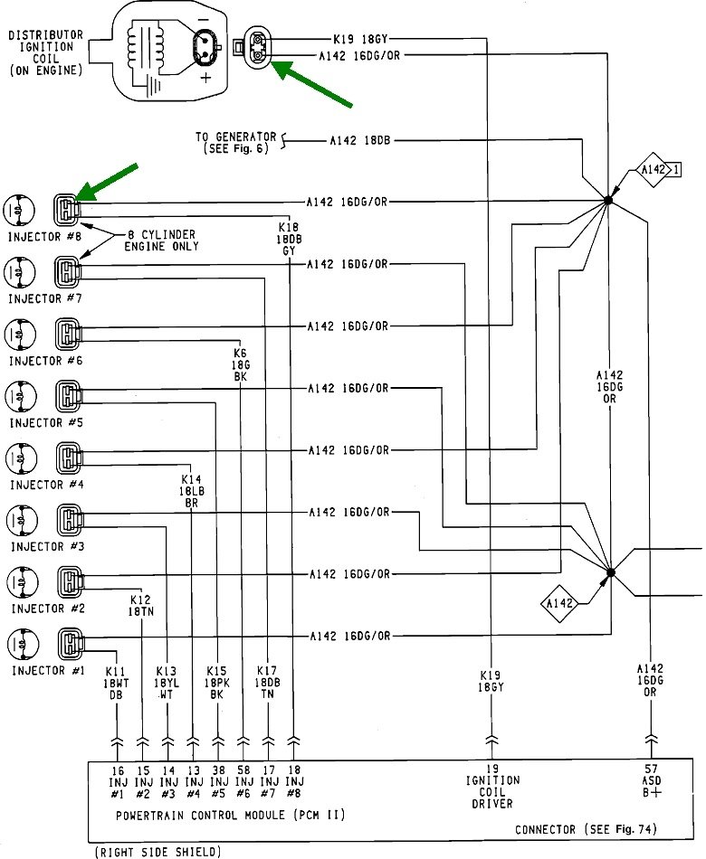
The next test it to check for 12 volts coming from the automatic shutdown, (ASD) relay. The easiest way to see if the circuit is working is to measure the voltage on the dark green / orange wire at the ignition coil or any injector. I prefer to use a test light so I can see it from inside the truck. Also, most digital voltmeters don't respond fast enough.

You should see the 12 volts appear for one second when you turn on the ignition switch, then it will go back to 0 volts. That proves the ASD relay is okay and the Engine Computer has control of it. You should also hear the hum of the fuel pump for that one second. What is important is if that 12 volts comes back during cranking. Most commonly for crank / no-starts, it will not, then you will have no injector pulses and no spark. About five percent of the time the 12 volts will come back during cranking. In that case you have a fuel supply or an ignition problem, but not both.

When the ASD relay doesn't turn back on during cranking, the two common suspects are the crankshaft position sensor and the camshaft position sensor. If one of those failed, you might have a diagnostic fault code to tell you which circuit to diagnose, but the absence of a fault code doesn't mean the sensors are working properly.

Let me know what you find with fault codes and the 12 volts from the ASD relay. That will tell us where to go next.
Was this
answer
helpful?
Yes
No
Monday, March 14th, 2022 AT 3:17 PM

Please login or register to post a reply.