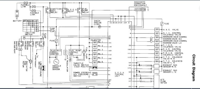
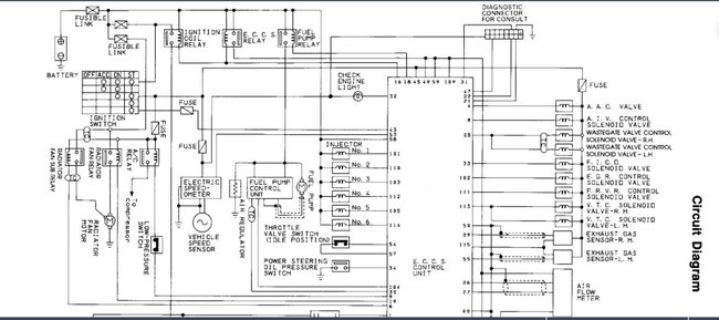
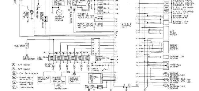
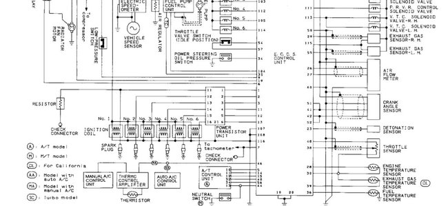
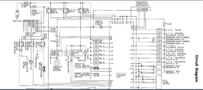
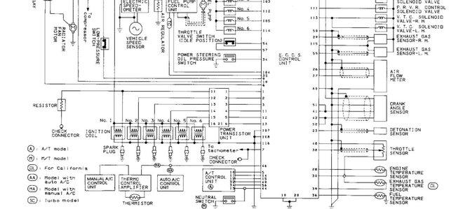
So, I have a z32 and I recently got this car. It wasn’t running when I got it, but the previous owner said the car ran before. He had the engine pulled out of the car and have gaskets redone. He deleted some things such as A/C and EGR, but unfortunate when they had the engine put back inside, the car just cracked and wouldn’t start. So, he went ahead and checked for power at the ignition coils, and there wasn’t any getting to them. So, he had no spark. He then went to the PTU and there wasn’t any power there either. We checked the fuse box under the hood and the only fuses not getting power was the “engine cont” and the A/C one. So, I’m not sure how I can approach this because I’ve never worked on a z32 before, and I hear they got lots of issues. I’m willing to do anything to fix it (except giving a leg and an arm for parts) I just don’t know where to start and figure out how to get spark. Please, any help is greatly appreciated.
Tuesday, October 19th, 2021 AT 11:59 PM



