Crank but no spark no run

Tiny
KEN L
  • MASTER CERTIFIED MECHANIC
  • 55,158 POSTS
Lets try disconnecting all 02 sensors, if the internal element has shorted to the heater circuit it will cause this problem as well.
Was this
answer
helpful?
Yes
No
Tuesday, April 26th, 2016 AT 6:24 AM
Tiny
STEVEM57
  • MEMBER
  • 18 POSTS
No Change
Was this
answer
helpful?
Yes
No
Tuesday, April 26th, 2016 AT 6:35 AM
Tiny
KEN L
  • MASTER CERTIFIED MECHANIC
  • 55,158 POSTS
If none of these things has helped I say the next step would be to try another computer it must have gotten shorted somehow and needs replacement.
Was this
answer
helpful?
Yes
No
Tuesday, April 26th, 2016 AT 8:27 AM
Tiny
STEVEM57
  • MEMBER
  • 18 POSTS
OK, I'll get it ordered and I think per my original Q I'm going to get the body computer too and go from there. Thanks for now.
Was this
answer
helpful?
Yes
No
Tuesday, April 26th, 2016 AT 8:39 AM
Tiny
STEVEM57
  • MEMBER
  • 18 POSTS
Ok. The new engine computer is on. Still no spark. I unplugged the 02 sensor and it popped only once. The fuel is a year old now so I have to drain it "but" with a spark tester in line there is no spark on any plug.
New question. "IF" the flywheel is on wrong "or" has been damaged as in a dent in the crank sensor ring. (Would this cause it not to spark)?
Was this
answer
helpful?
Yes
No
Tuesday, July 26th, 2016 AT 10:19 AM
Tiny
KEN L
  • MASTER CERTIFIED MECHANIC
  • 55,158 POSTS
Hey Steve,

Yes this would be a problem. Lets use a voltmeter set on millivolts and test the sensor while the engine is cranking over to see if you can get any voltage out of it.

Also have you tried the auto shutdown relay, they had big problems with thoses.

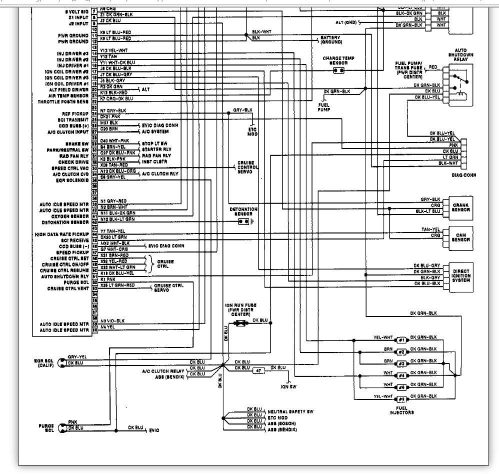
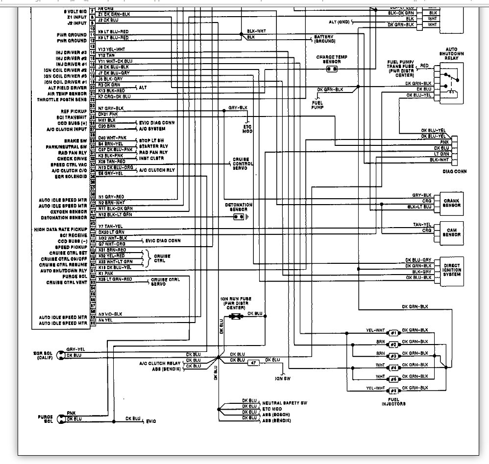
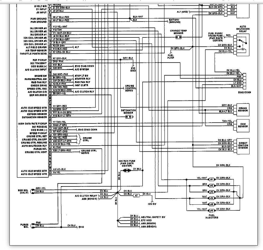
Here is a wiring guide to help out.

Sorry for the delay, the post must have fallen through the cracks. :(

Let me know if you got the problem fixed

Best, ken
Was this
answer
helpful?
Yes
No
Tuesday, December 20th, 2016 AT 10:03 PM

Please login or register to post a reply.