HOME
ASK A QUESTION
REPAIR GUIDES
BECOME A MEMBER
LOG IN
Login with Facebook
OR
Remember me
NOT A MEMBER?
FORGOT PASSWORD?
CONTACT US
PRIVACY POLICY
TERMS AND CONDITIONS
☰
Home
Buick
Regal
Engine Cooling
Cooling Fan
Not Working
Cooling fan
KNOWLAGE
MEMBER
2004 BUICK REGAL
3.8L
V6
FWD
151,000 MILES
Fan does not come on and gets hot.
Tuesday, September 26th, 2017 AT 6:48 PM
1 Reply
KEN L
MASTER CERTIFIED MECHANIC
55,527 POSTS
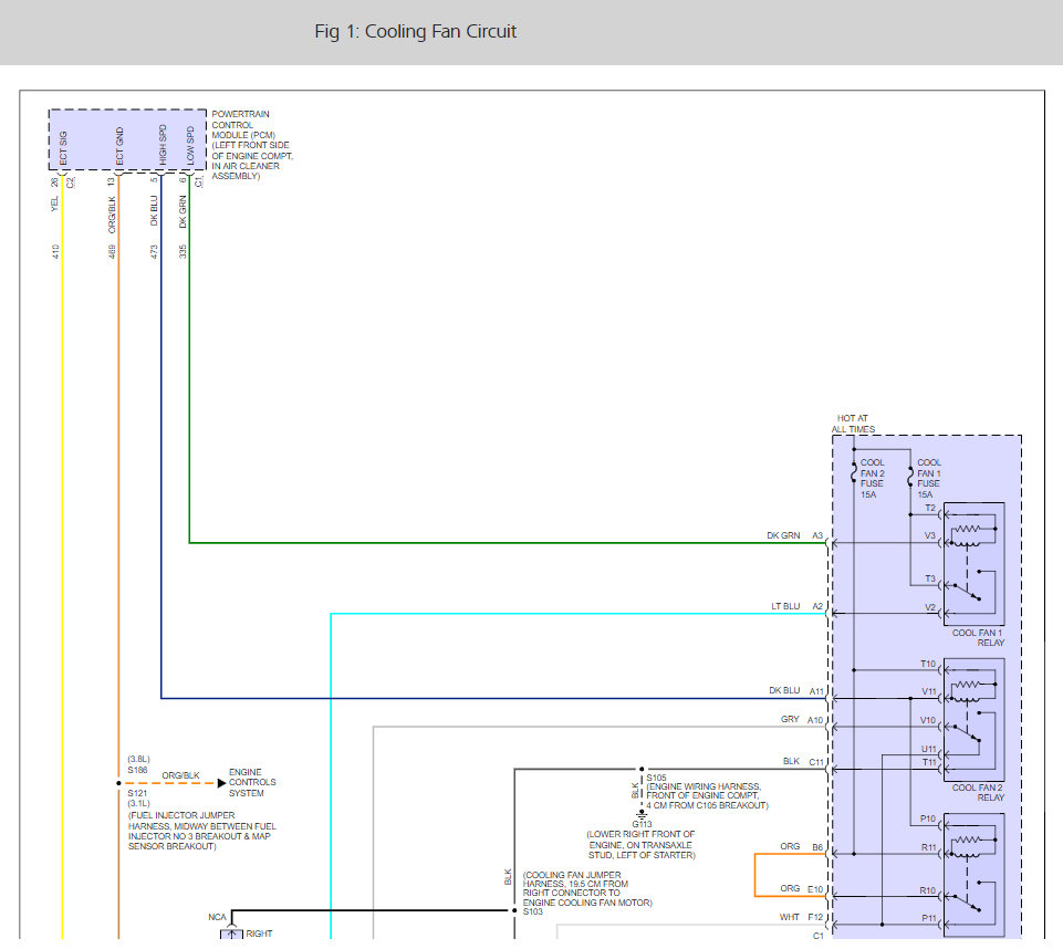
I would first by checking the fuses then the relays and then see if the fan motor is getting power and if so the motor will need to be replaced.
Here are some guides to get us started:
https://www.2carpros.com/articles/how-to-check-a-car-fuse
and
https://www.2carpros.com/articles/how-to-check-an-electrical-relay-and-wiring-control-circuit
and
https://www.2carpros.com/articles/how-to-use-a-test-light-circuit-tester
and
https://www.2carpros.com/articles/replace-electric-fan-motor
Please run some tests and get back to us so we can keep helping you.
Cheers, Ken
Images (Click to make bigger)
Was this
answer
helpful?
Yes
No
Wednesday, September 27th, 2017 AT 2:05 PM
Please
login
or
register
to post a reply.
Related Cooling Fan Not Working Content
1999 Buick Regal Cooling Fans
They Do Not Come On At All, Even When Turning Ac On That Does Not Come On Either.I Have Checked All Fuses And Relays They Are Good.I...
Asked by
TCoB
·
12 ANSWERS
1 IMAGE
1999
BUICK REGAL
1995 Buick Regal Engine Cooling Fans
I Have A 95' Buick Regal Gs With A 3.8 V6 Engine. My Two Cooling Fans Will Not Come On. The Fans Will Work If You Pull The Fuse And Jump...
Asked by
wsboyles315
·
1 ANSWER
1995
BUICK REGAL
Coolant Fans
My Coolant Fans Run If I Run Direct Power To Them. I Replaced Both Relays And That Did Not Work. Now I Have What I Believe Is Called A...
Asked by
scottborden
·
4 ANSWERS
1991
BUICK REGAL
How Do I Make My Radiator Fans Come On?
They Have Stopped Working And Have Been Tested To Make Sure The Motors Are Good. The Relay Switches Are Good. Replaced Heat Sensor Switch....
Asked by
Schraggy1
·
3 ANSWERS
4 IMAGES
1996
BUICK REGAL
Cooling Fans Wont Run
Ok Guys, Ive Tried Everything. I Have A 94 Buick Regal, 3800. The Cooling Fans Wont Run. This Vehicle Has A High And Low Fan, I Cant Get...
Asked by
keith_88
·
10 ANSWERS
1994
BUICK REGAL
VIEW MORE
Ask a Car Question. It's Free!