Cooling fan not working?

2006 FORD FUSION
123,000 MILES • 3.0L • 6 CYL • 2WD • AUTOMATIC
Avatar
RALPHCURTISJR
  • MEMBER
  • 1 POST
Cooling fan doesn't come on with A/C and A/C clutch will not engage.
Aug 4, 2023 at 2:19 PM
Advertisement
Avatar
JACOBANDNICKOLAS
  • CAR REPAIR CONTRIBUTOR
  • 110,190 POSTS
Hi,

This could work either way. For example, the fan may not come on if the clutch doesn't engage which can be as simple as the AC needing to be charged.

Have you checked to see if the system needs to be charged? Take a look at this link. You may find it helpful.

https://www.2carpros.com/articles/car-air-conditioner-not-working-or-is-weak

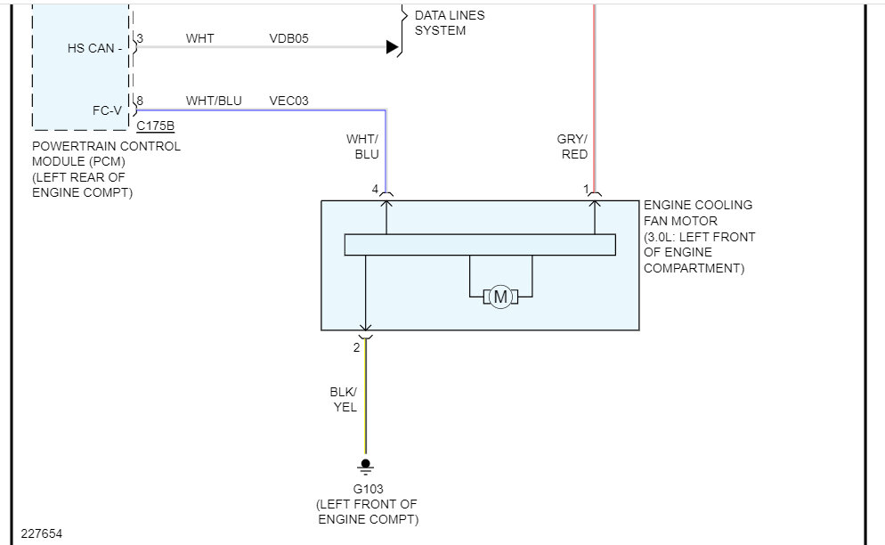
Next, I attached the wiring schematic for the radiator cooling fan. Check to make sure the fuse is good and confirm there is power to and from it.

Here is a link that you may find helpful:

https://www.2carpros.com/articles/how-to-check-a-car-fuse

Start with this and let me know the results. If you look at pic 3 below, I highlighted the cooling fan fuse, compressor clutch fuse, and compressor clutch relay.

Here is a link that explains how to check a relay:

https://www.2carpros.com/articles/how-to-check-an-electrical-relay-and-wiring-control-circuit

If there is a different relay in the box having the same part number, switch them to see if it makes a difference.

Take care,

Joe

See pics below.
Aug 4, 2023 at 10:20 PM
Advertisement
Repair Safety Notice: This information is for general instructional purposes only. Vehicle repair can be dangerous. Verify all information, follow manufacturer service procedures, use proper tools and safety equipment, and consult a qualified repair shop when needed.