Where is the coolant temperature sensor located?

2009 FORD ESCAPE
148,000 MILES • 2.5L • 4 CYL • 2WD • AUTOMATIC
Avatar
ALFRED E.
  • MEMBER
  • 2 POSTS
Trying to figure out where this sensor is located.
Sep 13, 2021 at 7:21 PM
Repair Safety Notice: This information is for general instructional purposes only. Vehicle repair can be dangerous. Verify all information, follow manufacturer service procedures, use proper tools and safety equipment, and consult a qualified repair shop when needed.
Advertisement
Avatar
DANNY L
  • AUTOMOTIVE REPAIR CONTRIBUTOR
  • 5,648 POSTS
Hello, I'm Danny.

Here is the information you requested. This is a tutorial showing how to replace a coolant temperature sensor:

https://www.2carpros.com/articles/coolant-temperature-sensor-cts-replacement

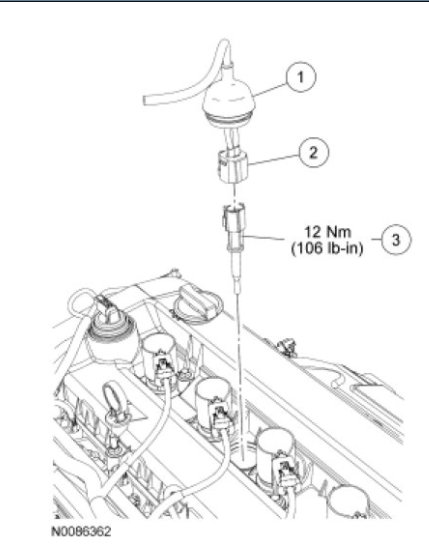
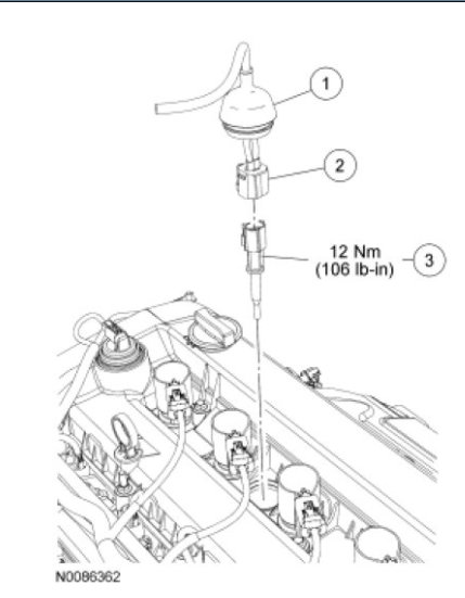
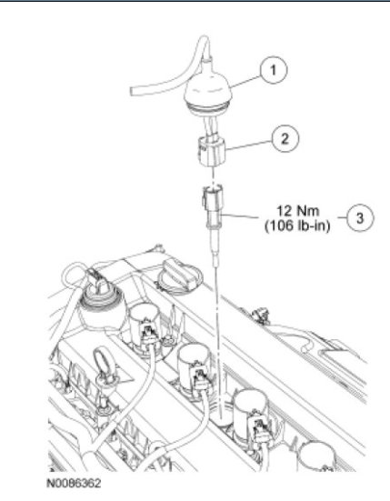
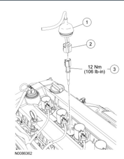
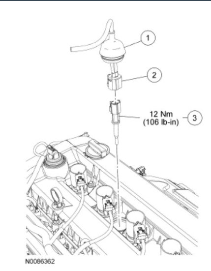
I've attached picture steps below on how to replace the sensor on your Escape which is located in the cylinder head. Hope this helps and thanks for using 2CarOPros.
Sep 14, 2021 at 6:12 AM
Advertisement
Avatar
ALFRED E.
  • MEMBER
  • 2 POSTS
I put an OBD Scanner on my vehicle and it gave me the code of P0119. I looked it up and found that it was for the Coolant Temperature Sensor. Is that the same as the Cylinder Head Temperature Sensor? I looked up both types of sensors and they are different parts so I'm trying to find out what the location is for each sensor.
Sep 15, 2021 at 6:53 AM (Merged)
Avatar
ASEMASTER6371
  • AUTOMOTIVE REPAIR CONTRIBUTOR
  • 52,796 POSTS
Good morning,

Your code is for the cylinder head temperature sensor.

https://www.2carpros.com/articles/how-a-coolant-temperature-sensor-works

https://www.2carpros.com/articles/coolant-temperature-sensor-cts-replacement

I attached the location of the sensor and the procedure for replacement.

I would check the connector for 5 volts with a voltmeter to be sure the correct signal is being delivered by the ECM. If it is not correct, then you have a wiring issue or a bad connector.

https://www.2carpros.com/articles/how-to-check-wiring

https://www.2carpros.com/articles/how-to-use-a-voltmeter

Roy
Sep 15, 2021 at 6:53 AM (Merged)