Brake light and turn signal fuses keep blowing?

Tiny
KATIE.MORLEY
  • MEMBER
  • 1996 CHEVROLET BLAZER
  • V6
  • 4WD
  • AUTOMATIC
  • 125,000 MILES
I put brand new fuses in the correct ports for my brake lights and turn signals, and they blow as soon as I even touch the brake or turn signal. I have no idea what could be wrong. Please help me figure out how to fix it without spending too much money, thank you.
Friday, December 18th, 2015 AT 5:30 PM

1 Reply

Tiny
KASEKENNY
  • MECHANIC
  • 18,907 POSTS
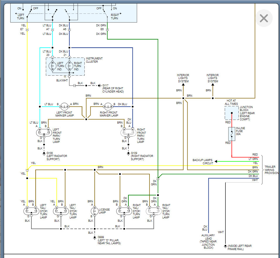
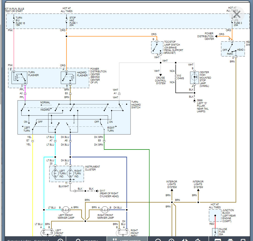
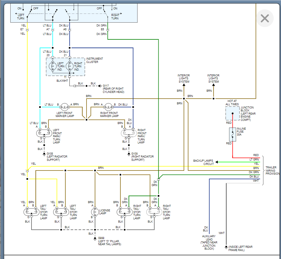
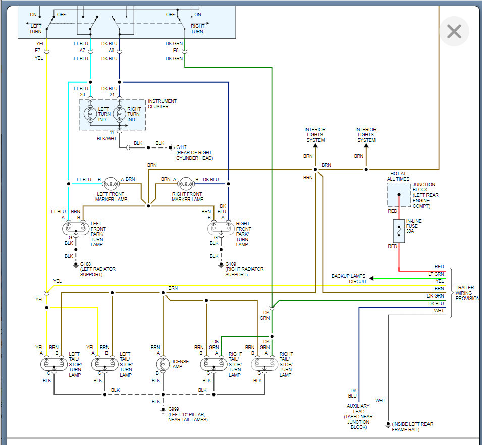
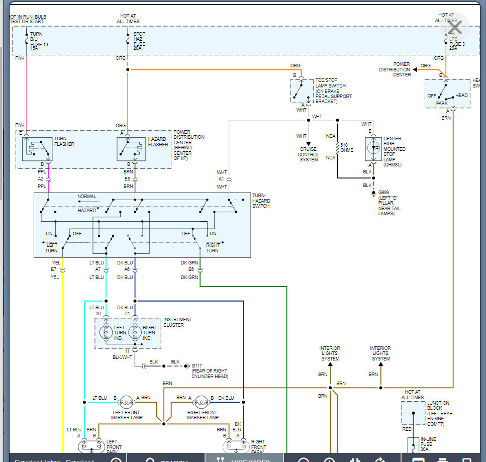
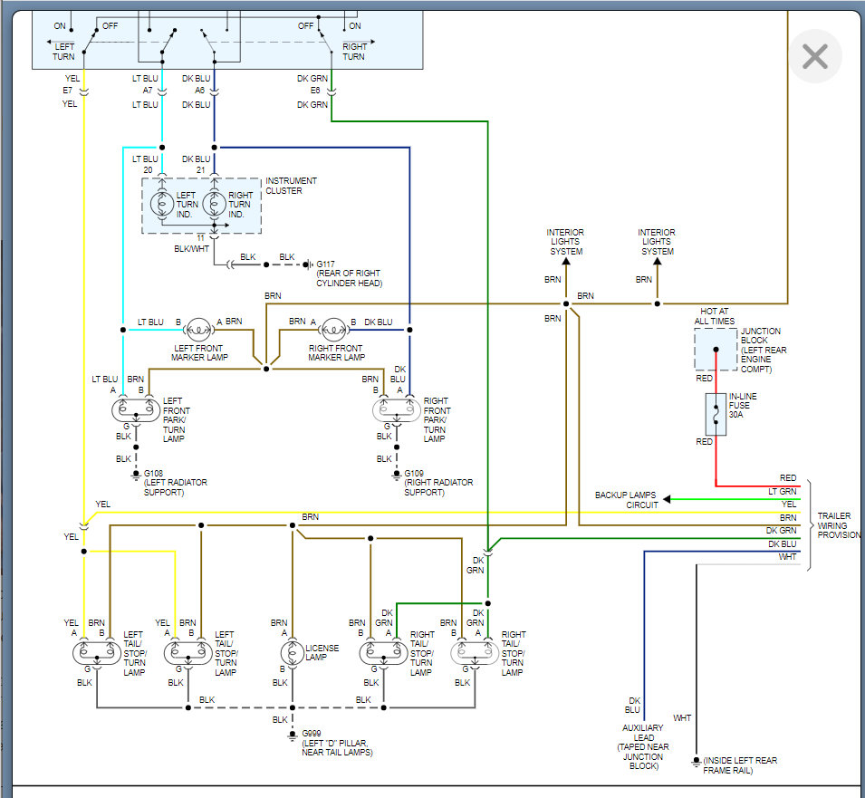
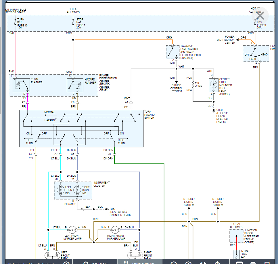
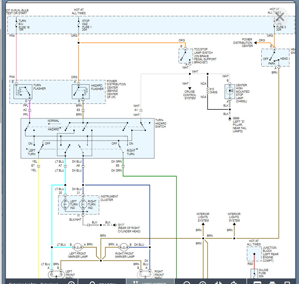
The fuse blows due to a short to ground and it overloads the circuit then the fuse blows.

So if this happens with either pressing the brake or turn signal then more than likely there is a bulb shorted. What I would do is remove each of the rear bulbs one at a time and then operate the brakes again and see if it still pops. If neither bulb causes this then unplug the brake light switch and then the turn switch one at a time and operate the opposite system. However, if you unplug the brake light switch and it still does then more then likely the turn switch is the issue as the brake light switch runs its ground through the turn switch.

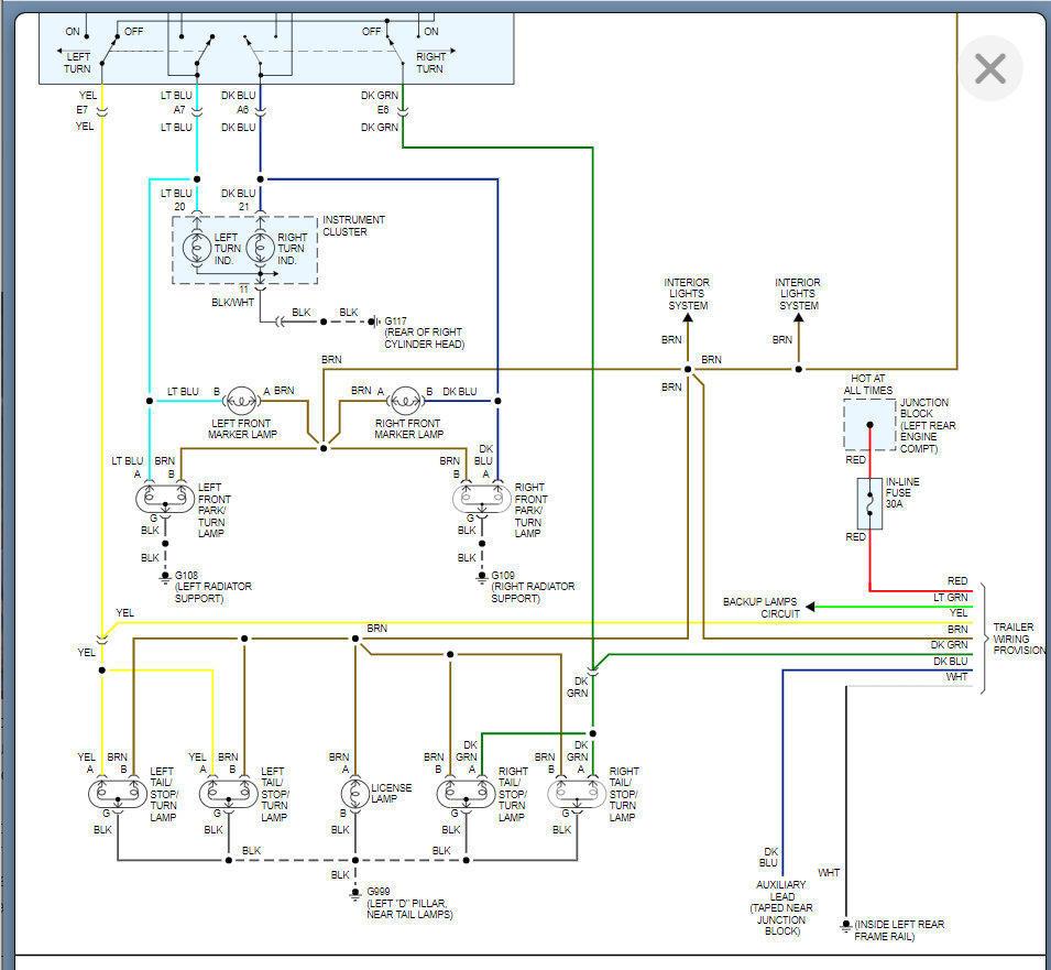
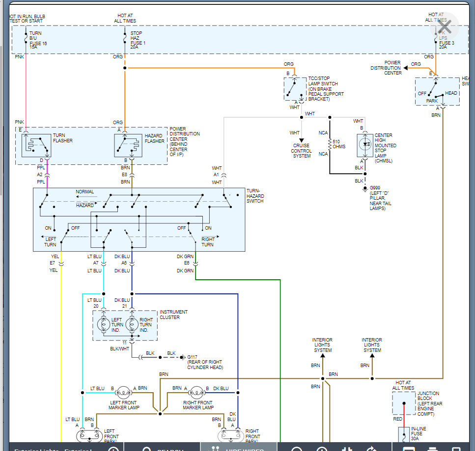
I attached the wiring diagram for your review.

Here are a couple guides that will help with doing this:

https://www.2carpros.com/articles/how-to-check-wiring

https://www.2carpros.com/articles/how-to-check-a-car-fuse

https://www.2carpros.com/articles/turn-signal-bulb-replacement

Please see the info below as well. Please let us know what you find with this and we can go from there. Thanks
Was this
answer
helpful?
Yes
No
Wednesday, July 21st, 2021 AT 4:28 PM

Please login or register to post a reply.