While the car is hot during the day the compressor fuse pops

Tiny
EDRICHARD3
  • MEMBER
  • 2007 SATURN AURA
  • 4 CYL
  • 2WD
  • AUTOMATIC
  • 150,000 MILES
At night or when cold the compress works until the engine warms up, then the fuse pops. I’m hoping this is an easy well known likely issue. Thanks in advance.
Wednesday, August 11th, 2021 AT 11:31 AM

6 Replies

Tiny
MASTER ASE TECH
  • MECHANIC
  • 82 POSTS
Hi, I'm Dan.

First off, does this have automatic electronic A/C controls? Or manual A/C controls?

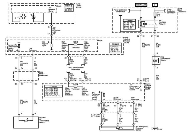
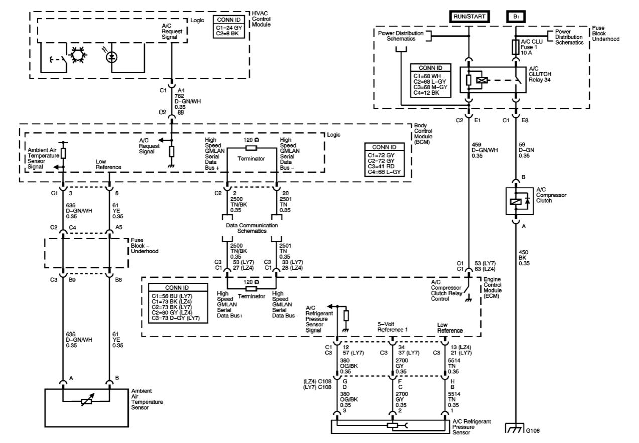
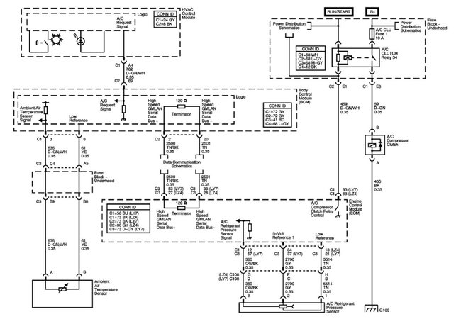
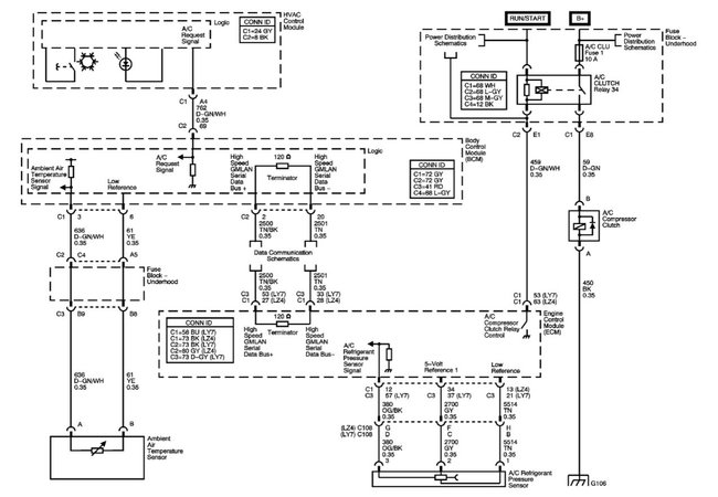
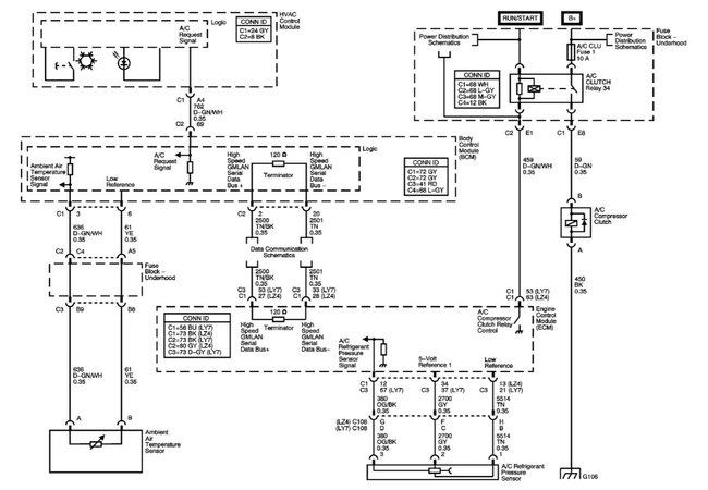
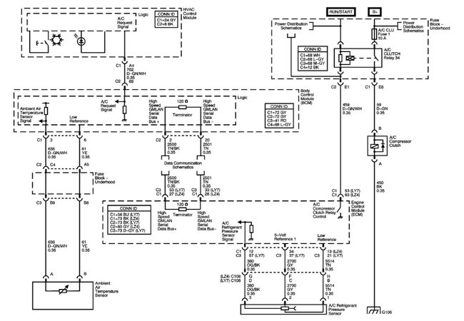
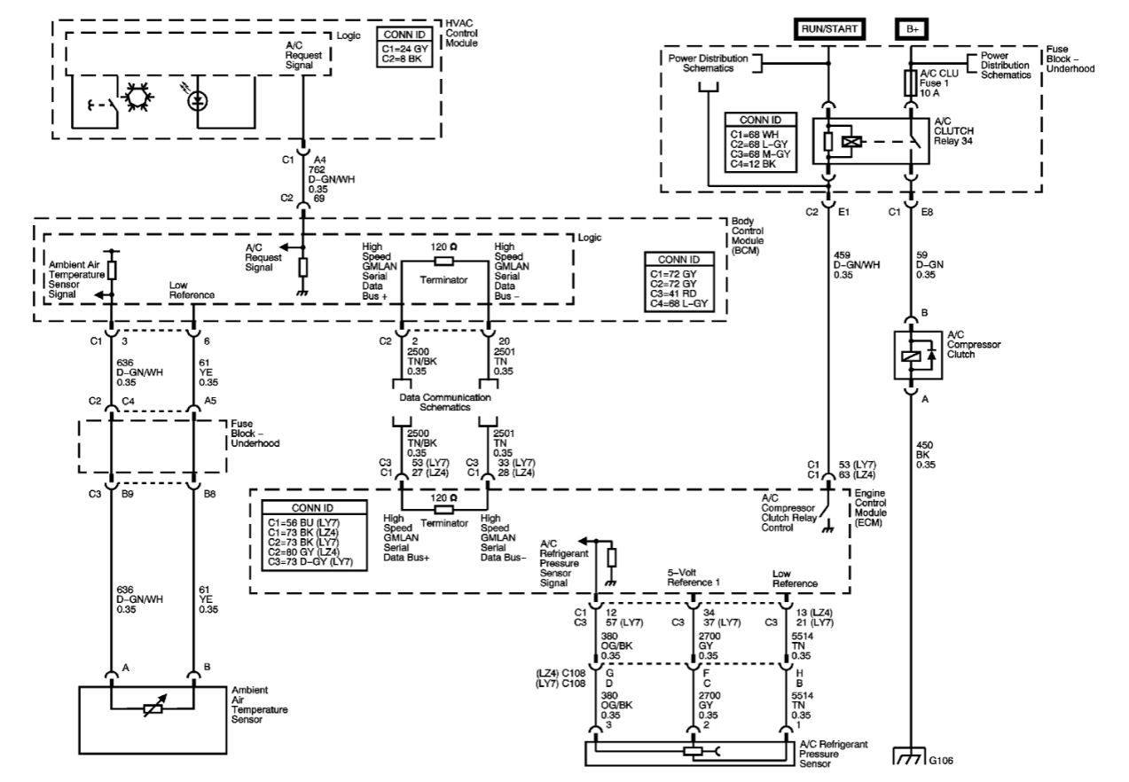
Also which fuse number is the one that blows? I've attached a wiring diagram of the A/C compressor circuit. A couple things could be the issue.
1. The A/C compressor coil could be faulty and draws too much amps, blowing the fuse. This would require the compressor to be replaced.
2. There is high resistance or corrosion in the wire harness somewhere. This can be checked by doing an ohms test on the suspected circuits. I've attached a diagram and a procedure to help you.
3. The A/C compressor relay could be faulty also.

https://www.2carpros.com/articles/how-to-check-a-car-fuse
https://www.2carpros.com/articles/how-to-check-an-electrical-relay-and-wiring-control-circuit
https://www.2carpros.com/articles/how-to-use-a-voltmeter
https://www.2carpros.com/articles/how-to-check-wiring
Was this
answer
helpful?
Yes
No
Wednesday, August 11th, 2021 AT 1:13 PM
Tiny
EDRICHARD3
  • MEMBER
  • 6 POSTS
This fuse is labeled “1” under the hood at the main fuse box. It is “A/C clutch” and a 10 fuse. I will check for corrosion and an obvious short along the diagram you provided. Thank you for them.
Was this
answer
helpful?
Yes
No
Wednesday, August 11th, 2021 AT 1:27 PM
Tiny
JACOBANDNICKOLAS
  • MECHANIC
  • 110,192 POSTS
Hi,

It has been a couple of days since we heard from you. Have you been able to make any progress? We are interested in knowing.

Joe
Was this
answer
helpful?
Yes
No
Friday, August 13th, 2021 AT 10:47 PM
Tiny
EDRICHARD3
  • MEMBER
  • 6 POSTS
I will be trying to see what I can find today. I set time aside this weekend to try and fix it. Thanks for checking up with me!
Was this
answer
helpful?
Yes
No
Saturday, August 14th, 2021 AT 4:12 AM
Tiny
JACOBANDNICKOLAS
  • MECHANIC
  • 110,192 POSTS
No problem whatsoever. Let us know what we can do to help.

Take care,

Joe
Was this
answer
helpful?
Yes
No
Saturday, August 14th, 2021 AT 9:00 PM
Tiny
ASEMASTER6371
  • MECHANIC
  • 52,796 POSTS
Another test you can do is to check the current draw on the wire to the clutch while it is operating.

https://www.2carpros.com/articles/how-to-use-a-voltmeter

You would need a voltmeter with an amp clamp. That will measure current flow to the clutch while it is in operation.

https://www.2carpros.com/articles/how-to-check-wiring

If it exceeds the rating of the fuse, then there is something causing the fuse to fail.

https://www.2carpros.com/articles/how-to-check-a-car-fuse

Roy
Was this
answer
helpful?
Yes
No
Tuesday, August 17th, 2021 AT 3:04 AM

Please login or register to post a reply.