Friday, January 29th, 2021 AT 1:02 PM
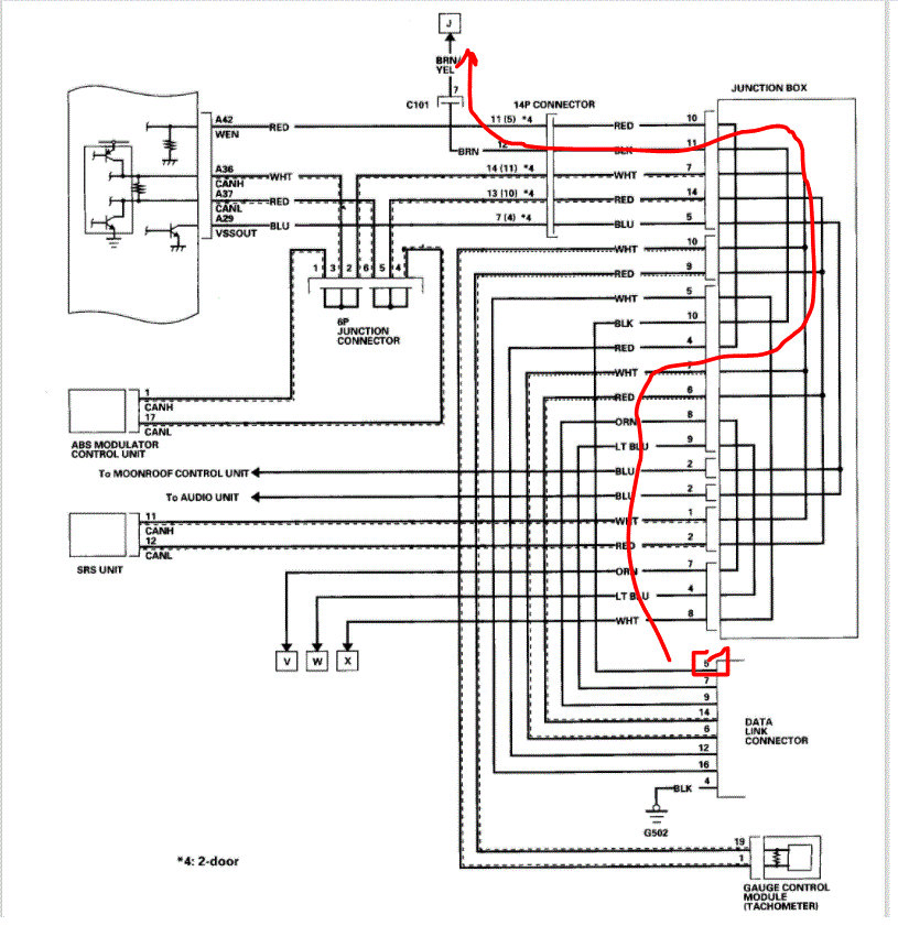
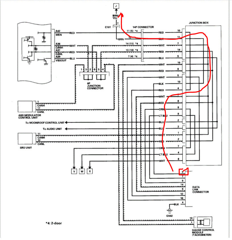
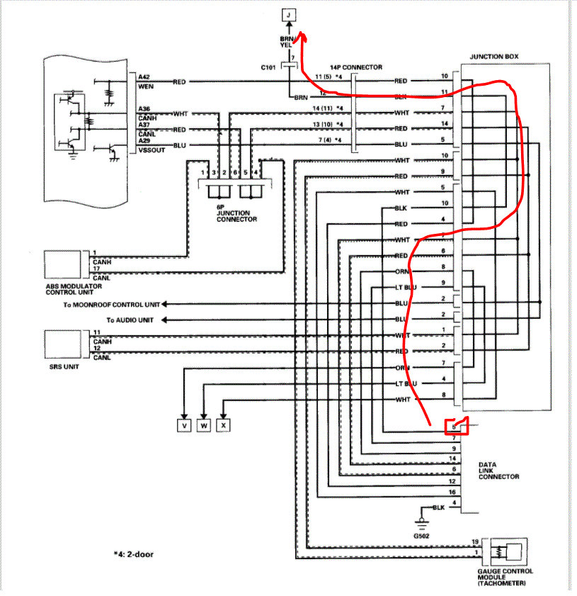
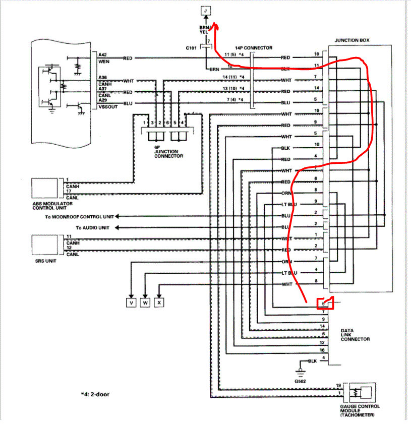
Bought this car INOP, the guy at the auction told me it was running fine when they brought it in, I trust him, been dealing with him for years. Battery was drained and she wasn't even cranking. Got another decent battery I had around, volts are good, also put a jumper box on it. It started to turn but the RPM needle isn't moving. And doesn't sound normal, made sure camshaft and rocker arms turning by taking a peek in the valve cover cap. Only code I have is p0365, for a camshaft sensor. Would this sensor prevent it you think from starting? Could crankshaft sensor on these trigger this code without having a code? Where is it located? This has the 1.8L and if am not mistaken since it is not a Civic SI has the SOHC.

































