Friday, February 14th, 2020 AT 9:54 AM
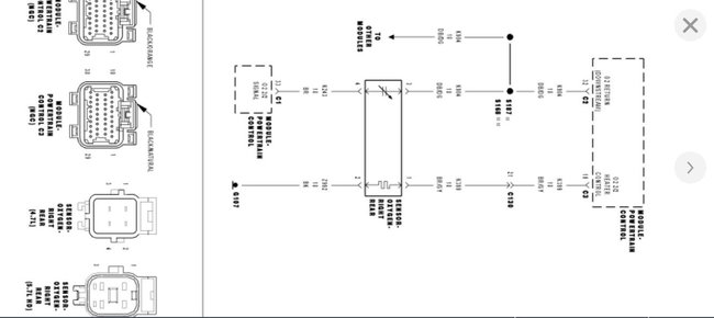
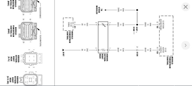
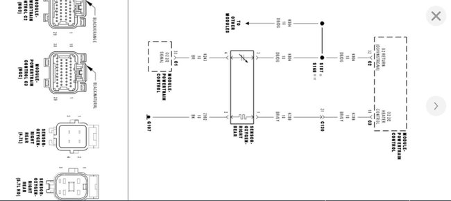
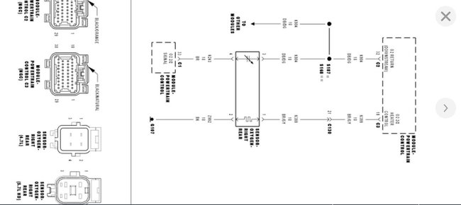
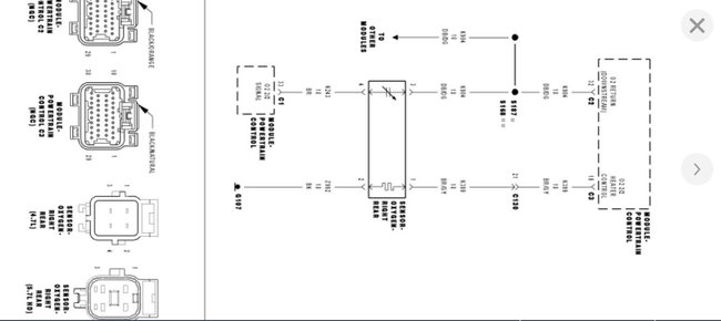
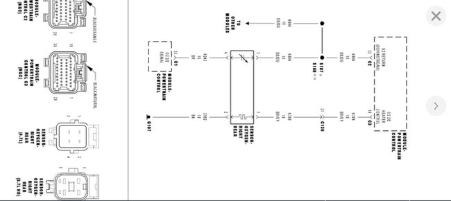
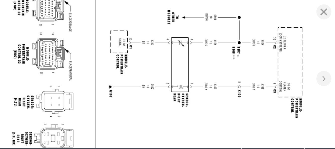
Hi guys, I contacted you last year with my truck listed above. It was throwing a p0161 code for the 2/2 O2 sensor. I ended up getting the PCM replaced and it fixed the issue. A while back the check engine light came on and the fuel gauge was fluctuating and a couple of days ago my truck quit running on the highway moments after filling the tank 3/4 of the way full with gas. I got my code reader out and now the code is saying p0058 and the truck will not start. You guys were dead on with the PCM issues so I have faith you can help me with this one. Thanks again, Adam










