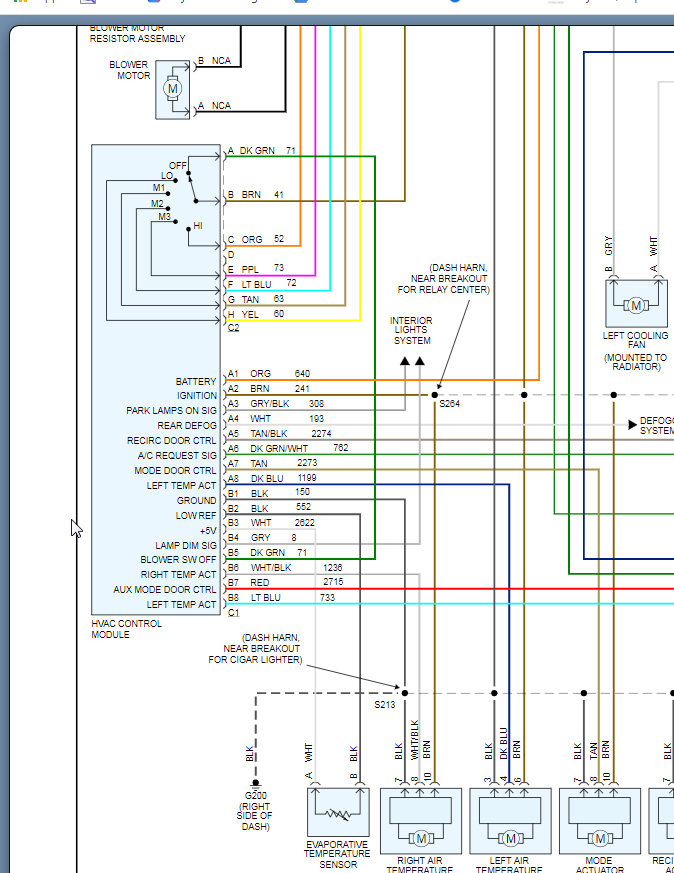
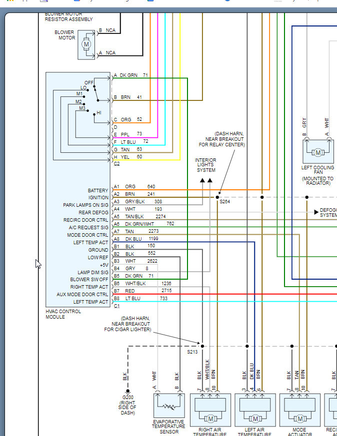
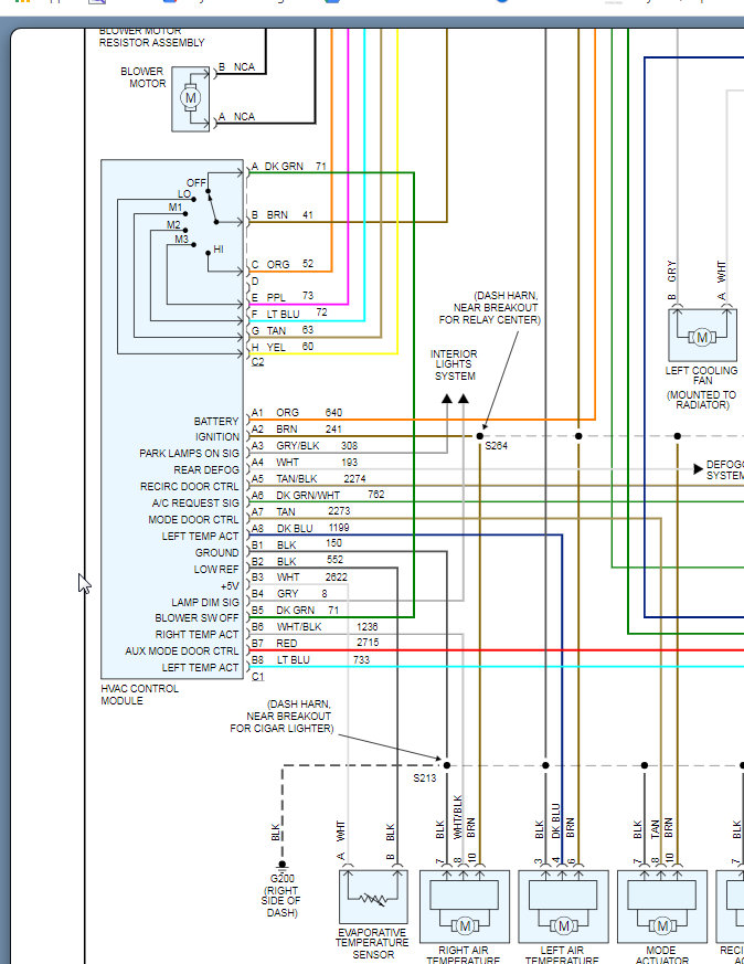
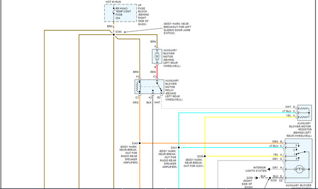
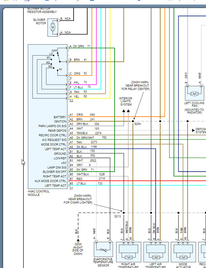
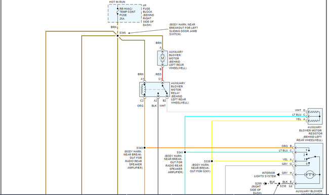
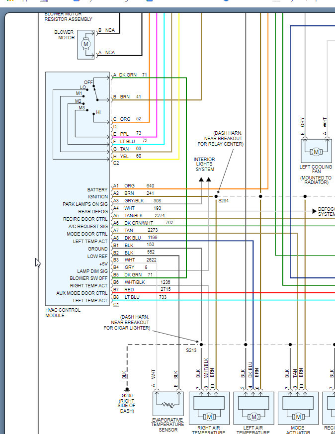
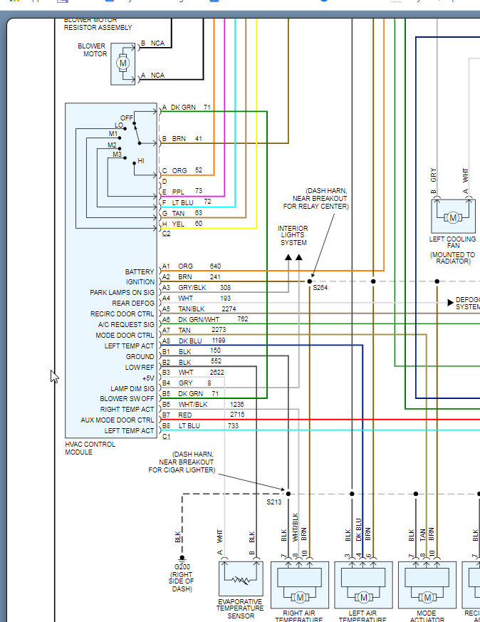
The only control that is still working on the climate control board is the fan speed. I can no longer change which vents the air blows through nor change from hot to cold. The A/C and rear defrost buttons no longer lights up or work either.
I ordered a new climate control board from eBay but that did not fix it. All fuses are okay.
I ordered a new climate control board from eBay but that did not fix it. All fuses are okay.
May 31, 2021 at 12:12 PM






