Sunday, July 23rd, 2017 AT 7:40 PM
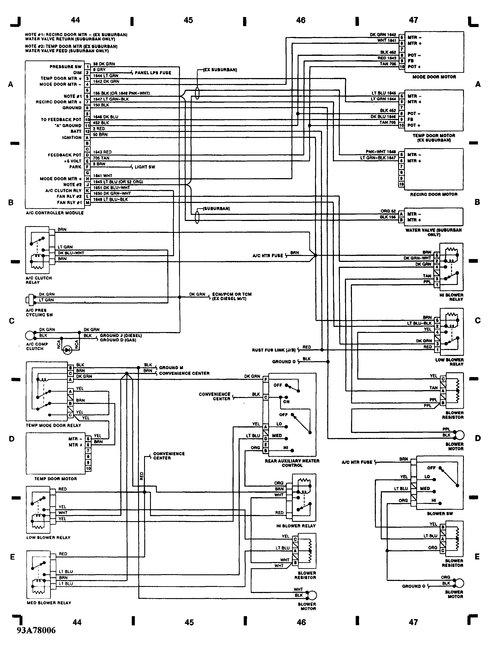
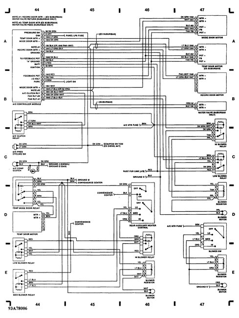
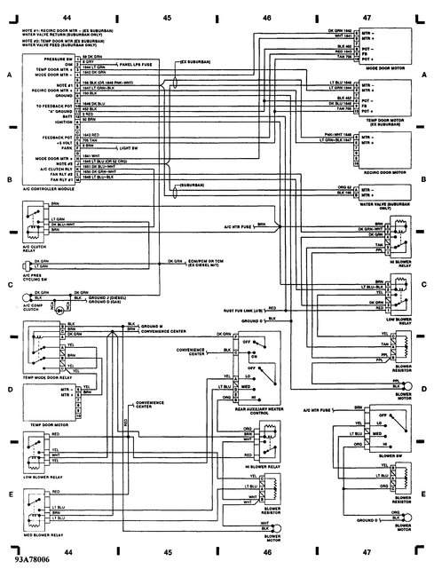
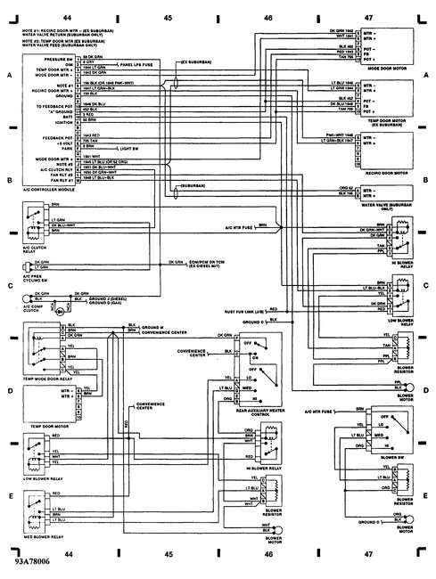
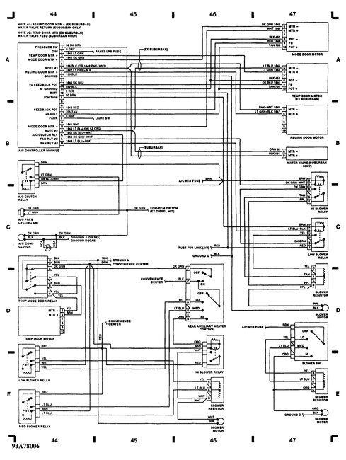
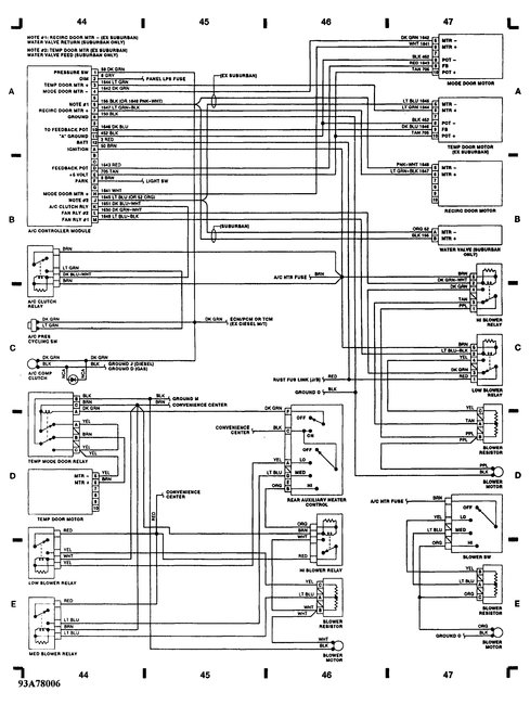
Hi, the AC/heater control went out. No display or power. I checked the 25 amp fuse and that was fine. I then tried two different used modules (from junk yard) and still did not work. I know they both could be bad but one should be good. How do I identify power and ground contacts for cleaning? Anything else that could make entire control go bad? Can PWB in control module be repaired? Thanks




