No power to the climate control system

Tiny
YARDMAN93
  • MEMBER
  • 2010 FORD F-150
  • 5.4L
  • V8
  • 4WD
  • AUTOMATIC
  • 200,000 MILES
There seems to be no power to the dual climate control system on the touch screen or the manual controls. What could cause this?
Sunday, June 6th, 2021 AT 9:22 PM

1 Reply

Tiny
ASEMASTER6371
  • MECHANIC
  • 52,796 POSTS
Good morning,

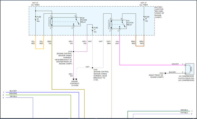
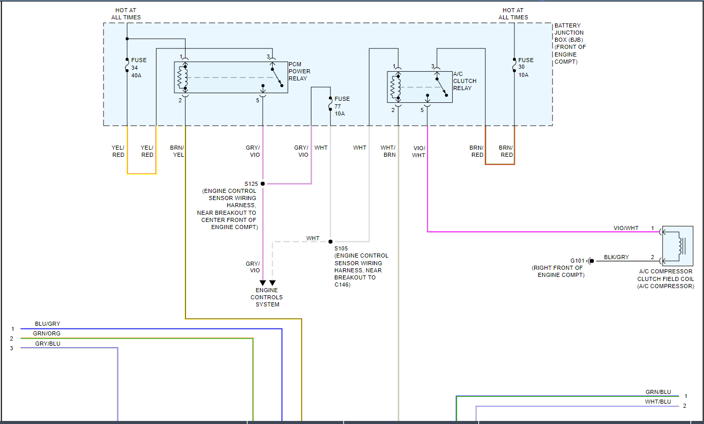
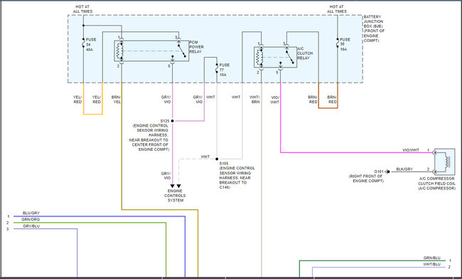
I attached a wiring diagram for you to view the A/C control system. There is one fuse that supplies power to the control head for it to light up. I highlighted the wire in the diagram at the control head. Test for power with the key in the on position.

https://www.2carpros.com/articles/how-to-check-wiring

https://www.2carpros.com/articles/how-to-check-a-car-fuse

https://www.2carpros.com/articles/how-to-use-a-voltmeter

If the fuse is good, you will need to test for power at the control head itself. I attached the procedure for removing the control head below as well for the testing. If you have power, the control head is bad. If you do not have power then you have a wiring issue between the fuse block and the control head.

https://www.2carpros.com/articles/how-to-check-a-car-fuse

Roy
Was this
answer
helpful?
Yes
No
Monday, June 7th, 2021 AT 2:30 AM

Please login or register to post a reply.