Thursday, January 18th, 2024 AT 11:46 PM
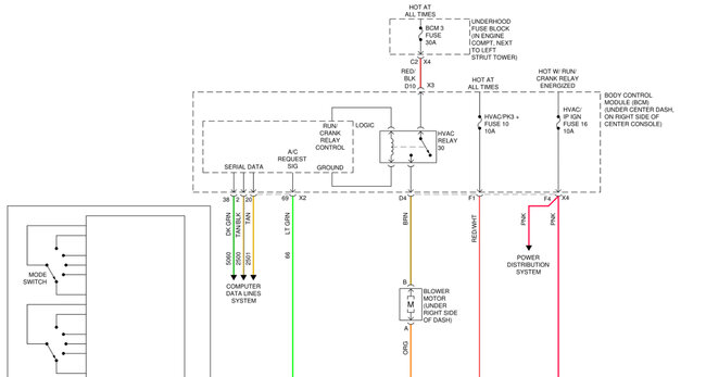
I started my car, and the blowing motor was working and then I turned the car off. When I turned the car back on the blowing motor wasn’t working. It was 25 degrees outside when I drove home and on the way home, I could feel warm air out the vents but the blowing motor which is usually decently loud enough to hear it still wasn’t working. I would switch the climate control to 1-4 and no sounds of it coming on or more air flow. But when I switch it to defrost it would tick a little bit but ultimately do nothing.




