Clicking but no start

Tiny
BIGBLUE17!
  • MEMBER
  • 2001 KIA SPORTAGE
  • 2.0L
  • 4 CYL
  • 2WD
  • MANUAL
  • 150,000 MILES
Battery good, clicking sound when trying to start it. Tachometer and speedometer move when trying to start.
Saturday, October 21st, 2017 AT 11:14 AM

1 Reply

Tiny
KASEKENNY
  • MECHANIC
  • 18,907 POSTS
If you are getting a clicking noise, then that is normally a weak battery, so I know you said the battery is good but let's just check it using this guide:

https://www.2carpros.com/articles/car-battery-load-test

If the battery tests good using this guide as well then, we need to check the power to the starter and find out if the starter is getting 12 volts on both wires when you are trying to start the engine.

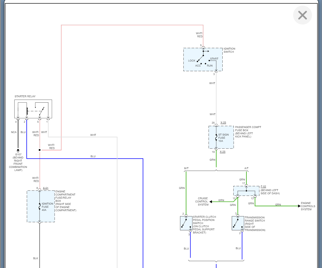
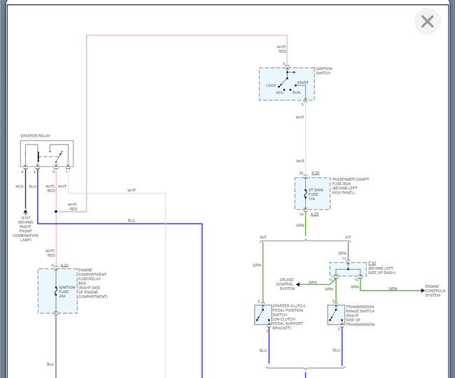
Please see the attached wiring diagrams and use this guide to help with the testing:

https://www.2carpros.com/articles/how-to-check-wiring

Please see the attached diagram and let me know what you find with this info, and we can go from there.

Thanks
Was this
answer
helpful?
Yes
No
Monday, March 21st, 2022 AT 3:09 PM

Please login or register to post a reply.