My flashers do not work all the time?

Tiny
PEVANS
  • MEMBER
  • 2005 CHRYSLER TOWN AND COUNTRY
  • 6 CYL
  • FWD
  • AUTOMATIC
  • 34,000 MILES
My flashers do not work all the time, can I replace the flasher can. If ican where is it located?
Thursday, August 27th, 2009 AT 6:50 PM

1 Reply

Tiny
SERVICE WRITER
  • MECHANIC
  • 9,123 POSTS
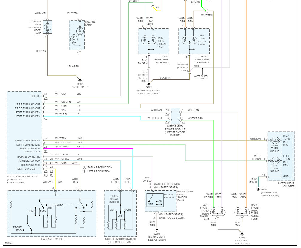
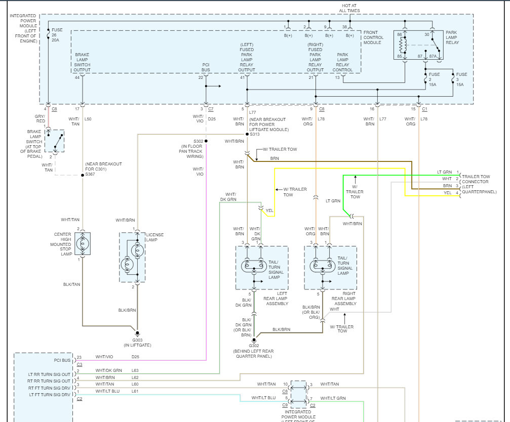
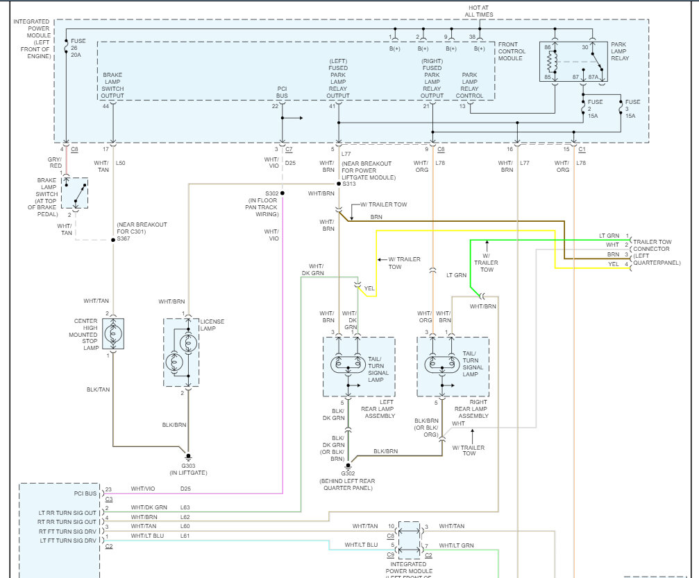
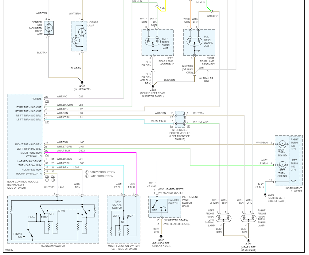
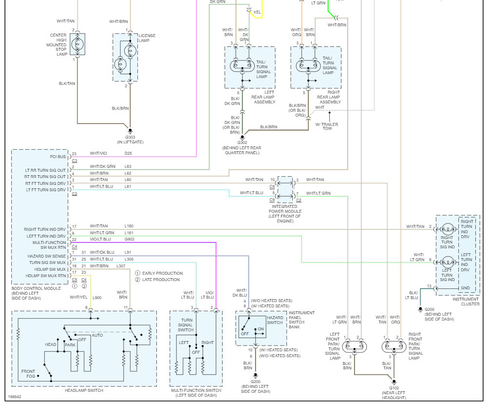
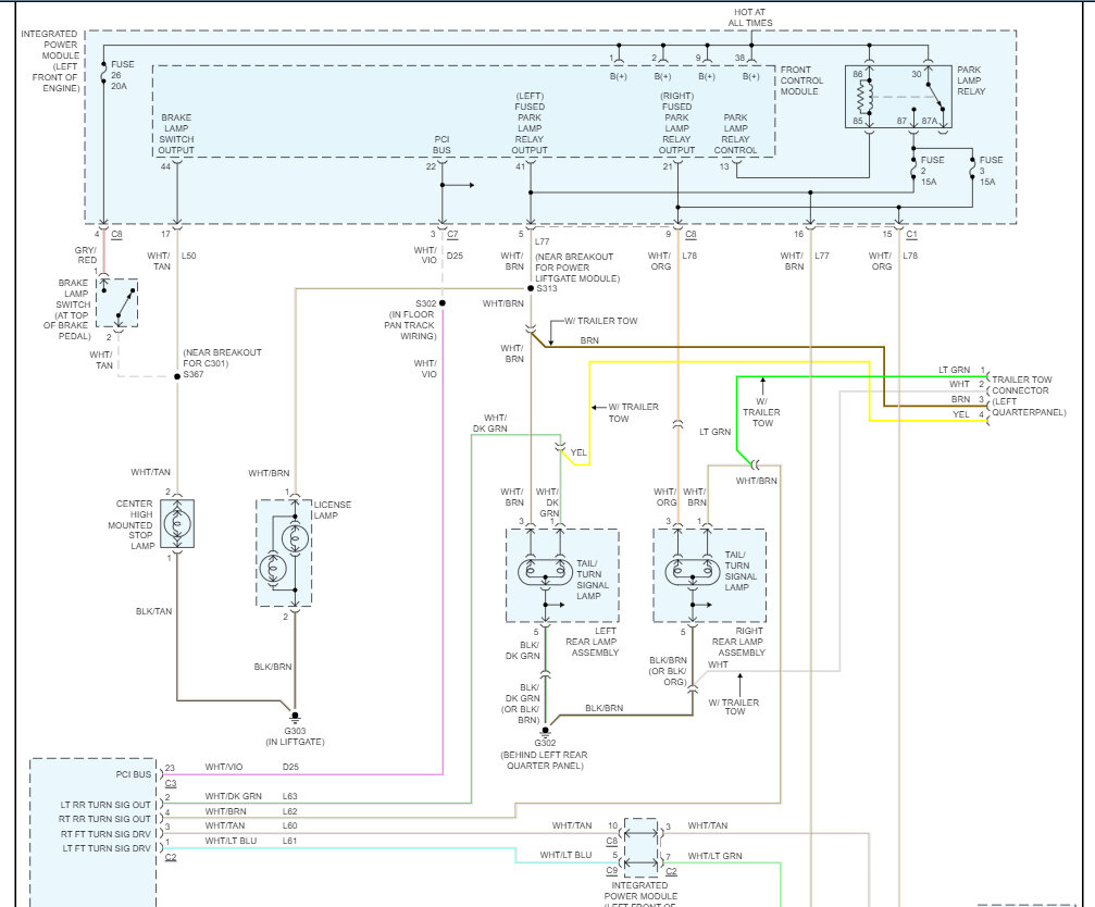
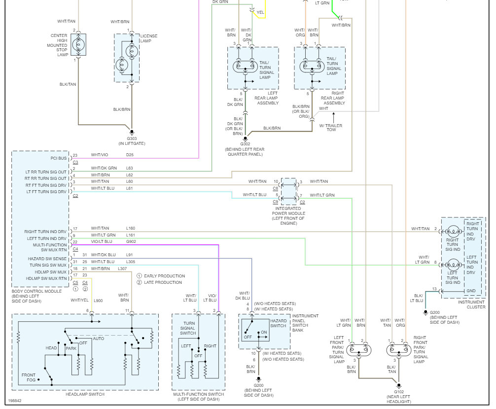
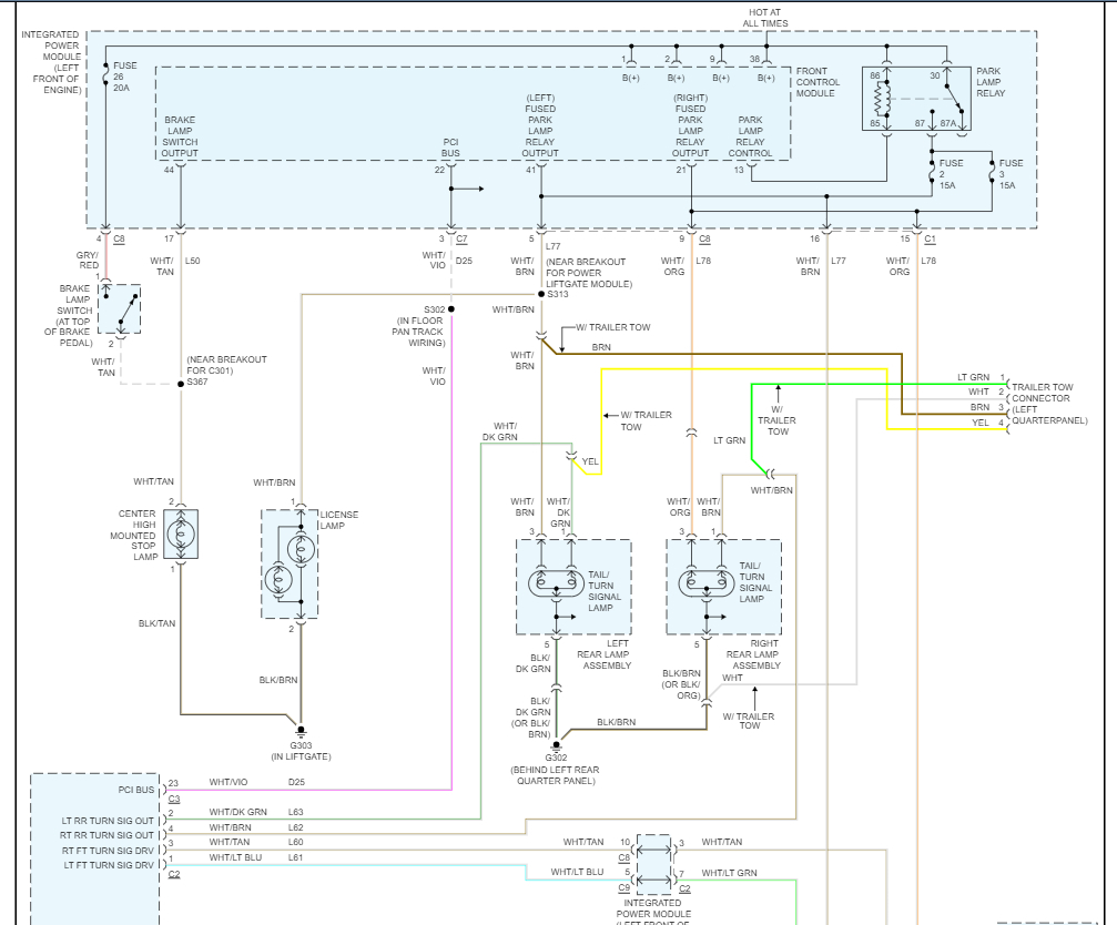
This is the diagram of the system (below) I have seen the BCM go out and cause this issue.

The Flasher Function for this vehicle is provided by the Body Control Module.

The integrated power module is in a sense a newer version of the flasher. At least how I see it. Pricier, but may not be the problem. Intermittent are more typical of a switch. If you can get it to happen, then you can do testing to determine the source as opposed to replacing parts. Here is how to change out he BCM, you can get a preprogrammed unit by searching Google or Ebay. Check out the images (Below). Please let us know how it goes
Was this
answer
helpful?
Yes
No
Thursday, August 27th, 2009 AT 7:24 PM

Please login or register to post a reply.