Wont turn over

Tiny
RUBY FLORES
  • MEMBER
  • 1 POST
  • 2000 CHRYSLER CONCORDE
  • 6 CYL
  • AUTOMATIC
  • 191,000 MILES
I have a 2000 Chrysler Concord, which just stoped driving while going about 60 MPH on the highway. Battery is good, starter turns over, and all lights/ sytems work fine. The oil / gasoline is ok- I think. It has about 200,000 miles on it. My mechanic says that it needs a new motor and it's going to cost over $3,000 to fix. Is there anything else that it could be?
Was this
answer
helpful?
Yes
No
Wednesday, November 22nd, 2017 AT 6:03 PM (Merged)
Tiny
RASMATAZ
  • MECHANIC
  • 75,992 POSTS
Have someone do below-this is your starting point

Get a helper disconnect a sparkplug wire or 2 and ground it to the engine atleast 3/16 away from ground-have helper crank engine over-do you have a snapping blue spark? If so-you have a fuel related problem, Do you hear the fuel pump come On when you turn key on? If not check fuel pump fuse and fuel pump relay if okay-check the fuel pressure to rule out the fuel filter/fuel pump/pressure regulator and listen to the injector/s are they pulsing or hook up a noid light. No snapping blue spark continue to troubleshoot the ignition system-power input to the coil/coil packs, coil's resistances, cap and rotor, distributor pick-up coil, ignition control module, cam and crank sensors and computer Note: If it doesn't apply disregard it and keep testing

If both fuel and spark is present-check the valve and ignition timing, this will lead you to problems
with compression and valves opening and closing at the wrong time/broken or jumped timing
belt/chain.
Was this
answer
helpful?
Yes
No
Wednesday, November 22nd, 2017 AT 6:03 PM (Merged)
Tiny
KRISSY BAKER
  • MEMBER
  • 1 POST
My 2002 chrysler concorde (2.7L) won't start. We put in a new battery, starter, shift solenoid (it would have a seizure and cause the rpms to jump up way high when decelerating), spark plugs, and starter relay fuse. It still does not want to even try to crank now (and it was trying to last week and then it would die before fully starting). When the key is turned, it makes a clicking noise in the fuse and relay center and a high pitched but low sounding wine of some sort near the spark plug area. What could I do to get it to start? There seemed to be an effect on ignition when a wire was slightly jiggled under the drivers side in front practically behind the head lights area, could it maybe be loose? I accidentally curb checked after mistiming a turn and it started having issues after that. Oh, and I have less than 120,000 miles on this car
Was this
answer
helpful?
Yes
No
Wednesday, December 6th, 2017 AT 4:57 PM
Tiny
KEN L
  • MASTER CERTIFIED MECHANIC
  • 55,281 POSTS
When you are trying to crank it over does the security light flash? If not we need to do a little testing to see where you are locing the power signal at.

Here is a guide that will help you see how to test for power (easy)

https://www.2carpros.com/articles/how-to-use-a-test-light-circuit-tester

This is to test a relay (little tougher)

https://www.2carpros.com/articles/how-to-check-an-electrical-relay-and-wiring-control-circuit

and

https://www.2carpros.com/articles/car-cranks-but-wont-start

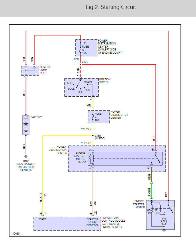
Here is a starter wiring diagram

Check out the diagrams (Below)

Let us know what happens and please upload pictures or videos of the problem.

Cheers, Ken
Was this
answer
helpful?
Yes
No
Friday, December 8th, 2017 AT 5:59 PM

Please login or register to post a reply.